Does this vehicle have a fuel shut off switch?

1997 GMC SUBURBAN
249,000 MILES • 5.3L • V8 • 4WD • AUTOMATIC
Avatar
ANGELO SANTIAGO
  • MEMBER
  • 3 POSTS
Crank no start. Not getting fuel to my engine no pressure when checking for pressure. Not even running when I put gas in the carburetor. Just does the 1997 Suburban have a fuel shut off switch and if so where is it located?
Sep 12, 2025 at 10:50 PM
Advertisement
Avatar
STEVE W.
  • CERTIFIED EXPERT
  • 15,113 POSTS
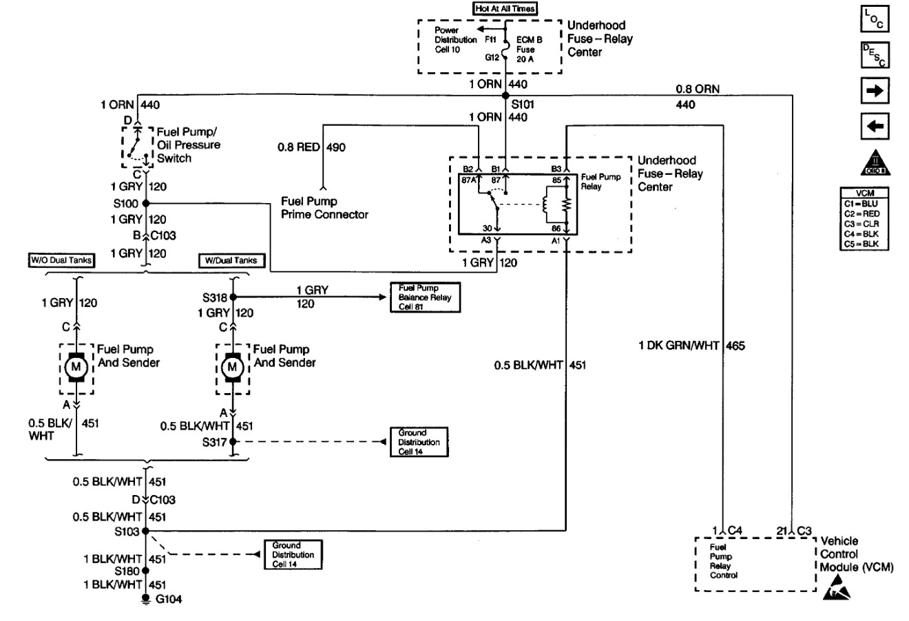
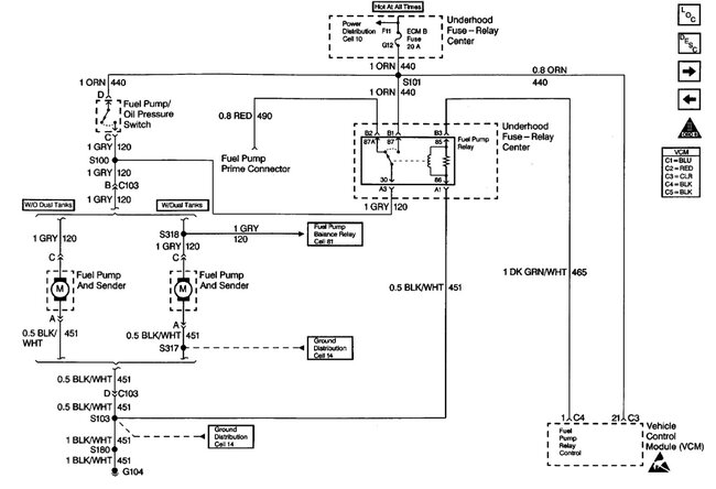
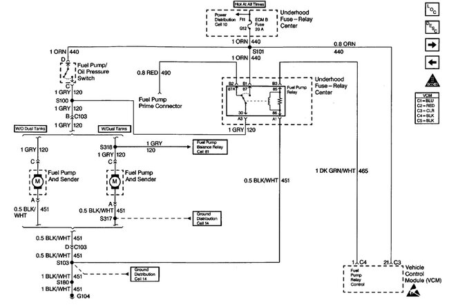
No fuel cut off on them other than the anti-theft. If it is the issue you normally see a security light on the dash and the engine would start and run for a few seconds then shut off. 1997 would have fuel injection so you would want to use starting spray as any gas dumped in it would just set in the manifold. If you used a pressure gauge to check the fuel pressure at the engine and had none then it is very likely the fuel pump. You can use the prime wire to feed it voltage as a test. However GM used a dual power feed to the pump, one goes through the relay to prime the system, then once the oil pressure comes up the oil pressure switch turns the pump on. So if you can crank the engine for a few seconds it should trigger the pump. So first thing is to check the fuse that feeds the pump, it is the ECM B fuse in the under hood box. If it fails you can get a crank no start as well.

Sep 12, 2025 at 11:46 PM
Avatar
ANGELO SANTIAGO
  • MEMBER
  • 3 POSTS
Thank you for that information. I'm pretty sure it's my Crank shaft positioning sensor. I've had that problem before on a previous vehicle.

Sep 13, 2025 at 4:26 AM
Advertisement
Avatar
STEVE W.
  • CERTIFIED EXPERT
  • 15,113 POSTS
That can cause a no start, but if you don't have fuel pressure at the injectors then that wouldn't be the CKP.
Sep 13, 2025 at 6:28 AM
Avatar
ANGELO SANTIAGO
  • MEMBER
  • 3 POSTS
Okay, I'm 95% sure it's my ECM. I'm broke so I'm planning on getting one from pull n save. How difficult is it to swap and reinstall one? I know I have to match it up with my vehicle year and make but does it have to match up with the VIN?
Sep 16, 2025 at 10:29 AM
Avatar
STEVE W.
  • CERTIFIED EXPERT
  • 15,113 POSTS
They are not plug and play. You normally install them and then use a pass through connected to GM to set them up. What makes you sure it's the PCM? They normally don't just fail that way, they usually give signs first.
Sep 16, 2025 at 1:29 PM