My engine does not start up and run?

2010 KIA RIO
166,468 MILES • 4WD • MANUAL
Avatar
FREDO SARMIENTO HABON
  • MEMBER
  • 2 POSTS
When the ignition key is turned on, the check engine light does not appear, the engine cranks but does not start.
Aug 1, 2020 at 11:54 PM
Advertisement
Avatar
PACIFICISLANDER
  • MEMBER
  • 240 POSTS
This sounds like a fuel pump or the crankshaft angle sensor has gone out. When you turn the key to the on position without cranking the engine over can you hear the fuel pump run in the tank for 5 seconds?

https://www.2carpros.com/articles/car-cranks-but-wont-start

Please run down this guide and report back.
Aug 2, 2020 at 12:48 AM
Avatar
ASEMASTER6371
  • CERTIFIED EXPERT
  • 52,796 POSTS
Good morning,

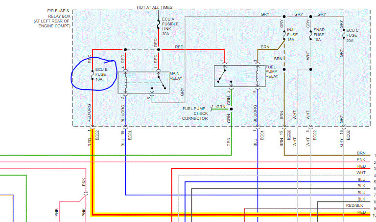
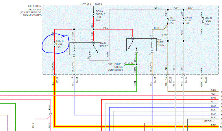
The guide is a good start but if the check engine light does not come on, it could either be the ECM or a blown fuse.

https://www.2carpros.com/articles/how-to-check-a-car-fuse

I attached the diagram of the powers to the ECM. I also attached the fuse box diagram and the fuses to test for power.

https://www.2carpros.com/articles/how-to-check-wiring

https://www.2carpros.com/articles/how-to-check-an-electrical-relay-and-wiring-control-circuit

Roy
Aug 2, 2020 at 8:14 AM
Advertisement
Avatar
FREDO SARMIENTO HABON
  • MEMBER
  • 2 POSTS
Thank you very much for the responses. Would like to ask again.. car cranks and starts normally only when the positive battery is disconnected and reconnected and the CEL appears and goes off at once when car had started. God bless!
Aug 4, 2020 at 11:43 PM
Avatar
ASEMASTER6371
  • CERTIFIED EXPERT
  • 52,796 POSTS
Okay, first, never remove the positive cable. The negative cable is always the first one off and the last one on. The arc from the positive can damage modules from a voltage surge.

In your case, you may have an ECM issue and this could have contributed to that failure.

I need the code when the light comes on. That will give me a direction of the area of failure.

I would also check for fuel pressure and spark when it does not start.

https://www.2carpros.com/articles/how-to-test-an-ignition-system

Can you hear the fuel pump run when it does not start?

https://www.2carpros.com/articles/how-to-check-fuel-system-pressure-and-regulator

Roy
Aug 5, 2020 at 4:47 AM
Avatar
TYLER SCHAFER
  • MEMBER
  • 1 POST
it was the crank shaft sensor btw thank for your help. I love this site.
Feb 1, 2021 at 11:32 AM
Avatar
WIZZARD4ANGELS
  • MEMBER
  • 1 POST
When it runs for a few minutes, it suddenly shuts off and will not start. It is like there is no gas reaching the cylinders.
Feb 1, 2021 at 11:35 AM (Merged)
Avatar
KHLOW2008
  • CERTIFIED EXPERT
  • 41,814 POSTS
Hi Wizzard,

Engine operation requires, fuel, electrical control and mechanical components functioning. You need to find out which is the cause and proceed to rectification. Below is a link explaining how to go about with initial checks if you are a DIY person.

https://www.2carpros.com/articles/car-cranks-but-wont-start

Before you start, ensure that the gas in tank has not run dry.
Feb 1, 2021 at 11:35 AM (Merged)
Avatar
SISEKO
  • MEMBER
  • 3 POSTS
The car doesn't show engine light when you switch ignition on so it doesn't start. It has no spark and fuel. The car was put on a diagnostic tool but could find nothing.
Feb 1, 2021 at 11:35 AM (Merged)
Avatar
SCGRANTURISMO
  • CERTIFIED EXPERT
  • 4,897 POSTS
Hello,

This could be a problem with your vehicle's Crankshaft Position sensor (CKP). Your vehicle's CKP is responsible for keeping track of the number one cylinder. More specifically when the number one piston is at Top Dead Center (TDC) of the compression stroke. It does this by reading a toothed wheel that is attached to the crankshaft. It has a missing tooth that passes by the sensor when number one piston is at TDC. By keeping track of number one piston it can also keep track of where the rest of the engine is at in it's four stroke cycle. The Power-train Control Module (PCM) a.k.a."computer" uses this information to send sparks to the spark plugs and when to open fuel injectors. If there is no signal from the CKP the engine will have no spark or fuel injector duty cycle and it will not start. I have included a few links down below for you to go to:

https://www.2carpros.com/articles/how-a-crank-shaft-angle-sensor-works
https://www.2carpros.com/articles/symptoms-of-a-bad-crankshaft-sensor
https://www.2carpros.com/articles/crankshaft-angle-sensor-replacement

I have also included a CKP location picture in the diagrams down below. Please go through these guides and get back to us with what you find out.

Thanks,
Alex
2CarPros

Feb 1, 2021 at 11:35 AM (Merged)
Avatar
SISEKO
  • MEMBER
  • 3 POSTS
Hi, the crankshaft position sensor was replaced or could it be faulty?
Feb 1, 2021 at 11:36 AM (Merged)
Avatar
SCGRANTURISMO
  • CERTIFIED EXPERT
  • 4,897 POSTS
Hello again,

When was the CKP sensor replaced?

Thanks,
Alex
2CarPros
Feb 1, 2021 at 11:36 AM (Merged)
Avatar
SISEKO
  • MEMBER
  • 3 POSTS
Yesterday.
Feb 1, 2021 at 11:36 AM (Merged)
Avatar
SCGRANTURISMO
  • CERTIFIED EXPERT
  • 4,897 POSTS
Hello again,

Okay, lets make sure that the signal is getting to the PCM. This is going to require you to use a multi-meter. If you are not familiar with how to use one I have included a link below.

https://www.2carpros.com/articles/how-to-use-a-voltmeter

Okay, can you please double check the connector for the CKP sensor. Make sure that it not damaged, clean, and making good connections to the pins when connected. Next we are going to have check to make sure that the signal is getting to the PCM. A couple of things that will make this a lot easier to do is a couple of safety pins, and a couple of long jumper wires with alligator clips attached to both ends.
Pierce both the wires coming from the CKP connector a couple of inches from the connector with a safety pin. I pin, one wire. Clip a jumper wire to each of the safety pins securely. Attach the other ends of the jumper wires to a lead from the multi-meter. red test lead should hook up to brown wire, black to white wire. Turn your multi-meter to AC Voltage. Have an assistant crank the vehicle. Watch the multi-meter. You should get a reading from 7 volts - 14 volts.
I have included some information for you in the diagrams below as well. Please get back to us with what you find out please.
Feb 1, 2021 at 11:36 AM (Merged)
Avatar
GILALMARTINEZ73
  • MEMBER
  • 1 POST
LX model. cranks but wont start. I checked battery cables and charged battery but no go.I changed out the fuel pump and no start.I changed the crankshaft sensor and nothing.I cleaned the throttle body and nothing.After charging battery I put the key to on position and heard the fuel pump go on but when I tried it again, nothing.I charged the battery again and started to check fuses.Under the dash I found one fuse that was good but no power going to it.It is the start fuse? How do I go about my problem?
Feb 1, 2021 at 11:36 AM (Merged)
Avatar
SCGRANTURISMO
  • CERTIFIED EXPERT
  • 4,897 POSTS
Hello,

This could be a problem with your ignition system. I have included a few links below for you to go through. I have also included vehicle specific troubleshooting for the starting system as well in the diagrams below. Let us know what you find out.

https://www.2carpros.com/articles/car-cranks-but-wont-start
https://www.2carpros.com/articles/engine-cranks-excessively-before-starting

Thanks ,
Alex
2CarPros
Feb 1, 2021 at 11:36 AM (Merged)
Avatar
CUDDLER1
  • MEMBER
  • 3 POSTS
My son has a 2005 Kia Rio, manual transmission. He went out to start it and it just turned over but won't start. When I tried it later, it turned over a couple times, and then went dead. I tried to boost it, but nothing. Now when you turn the key to start it, it just kinda bangs, and then is dead...any ideas?
Feb 1, 2021 at 11:36 AM (Merged)
Avatar
RASMATAZ
  • CERTIFIED EXPERT
  • 75,992 POSTS
Start by checking the fuel pressure to rule out the fuel filter and fuel pump
Feb 1, 2021 at 11:36 AM (Merged)
Avatar
CUDDLER1
  • MEMBER
  • 3 POSTS
How do I check the fuel pressure...sorry, I am not a mechanic, but I do know a bit about them..Thanks.
Feb 1, 2021 at 11:36 AM (Merged)
Avatar
RASMATAZ
  • CERTIFIED EXPERT
  • 75,992 POSTS
You need to use a fuel pressure tester and hook it up to the fuel test port and turn the key On and read off and start it up and then read off again-refer to fuel pressure specs in repair manual.
Feb 1, 2021 at 11:36 AM (Merged)
Avatar
CUDDLER1
  • MEMBER
  • 3 POSTS
Thank you. I will try to round one up. Not sure how to start it and check as it won't start...I will give it a try. Thanks again.
Feb 1, 2021 at 11:36 AM (Merged)
Avatar
LESLIE DAVIS
  • MEMBER
  • 1 POST
Car starts fine, but stops in about three seconds. After starting about four times it will continue to run. also, when ignition key is turned on, have to wait about four seconds while gas pump motor runs before trying to start. Please help. Thanks. Mike
Feb 1, 2021 at 11:48 AM (Merged)
Avatar
STRAILER
  • CERTIFIED EXPERT
  • 53,854 POSTS
Hi Mike

It sounds like the fuel pump has gone bad, here is a couple guide on how to check it out.

https://www.2carpros.com/articles/how-to-check-fuel-system-pressure-and-regulator

and

https://www.2carpros.com/articles/car-cranks-but-wont-start

Let me know what you find

Best, Ken Lavacot

Feb 1, 2021 at 11:48 AM (Merged)
Avatar
WHACK51
  • MEMBER
  • 3 POSTS
My radiator cracked last week, leaked most of the coolant, and the car overheated and the engine died. I replaced the radiator and coolant, but now it won't start. It turns over, but won't start. Fuel pressure is good, no OBD codes, haven't figured out the best way to check the spark yet. Any thoughts?
Feb 1, 2021 at 11:48 AM (Merged)
Avatar
MADMIKE1735
  • CERTIFIED EXPERT
  • 951 POSTS
get it checked for compression.... chances are the head is warped....
Feb 1, 2021 at 11:48 AM (Merged)
Avatar
WHACK51
  • MEMBER
  • 3 POSTS
I have since checked the compression, spark, and timing belt. Also, I replaced all of the spark plugs and wires. They are all good, but it still will not start. Any other ideas?
Feb 1, 2021 at 11:48 AM (Merged)
Avatar
MADMIKE1735
  • CERTIFIED EXPERT
  • 951 POSTS
you have fuel, compression, and spark.... it should start... in a perfect world anyways.... let me think on this one a little while, in the mean time, maybe someone else might have an idea on this.
Feb 1, 2021 at 11:48 AM (Merged)
Avatar
WHACK51
  • MEMBER
  • 3 POSTS
Is there a way to test the crankshaft sensor without just replacing it?
Feb 1, 2021 at 11:48 AM (Merged)
Avatar
GENO1966
  • MEMBER
  • 3 POSTS
I just replaced the engine in my Kia Rio. I am getting fuel and spark but the car will not start. Have had car on OBD replaced bad cam shaft sensor, nothing else showed bad. Car is timed according to dealer specs. Please HELP!!!
Feb 1, 2021 at 11:49 AM (Merged)
Avatar
JAMES W.
  • CERTIFIED EXPERT
  • 2,394 POSTS
Are you getting a pulse to the fuel injectors? I'm assuming you've already checked the fuel pressure at the fuel rail.
Feb 1, 2021 at 11:49 AM (Merged)
Avatar
GENO1966
  • MEMBER
  • 3 POSTS
No I have not checked fuel pressure but when you take the plugs out they are soaked and I can get #3 cylieder to fire. Do not understand what fuel pulse is?
Feb 1, 2021 at 11:49 AM (Merged)
Avatar
JAMES W.
  • CERTIFIED EXPERT
  • 2,394 POSTS
Pulse s the signal from the ECM that fires the injectors. You can check this with an ordinary incandescent test light between the 2 terminals of any injector connector while cranking. Are you sure your plugs aren't wet and fouled??
Feb 1, 2021 at 11:49 AM (Merged)
Avatar
GENO1966
  • MEMBER
  • 3 POSTS
spark plugs are brand new, they are clean except for gas and the #3 plug comes out black because it is actually firing. would the fuel pressure pulse come up on the OBD? I was told that I need to replace the coil pack? Is there anyway to test that before I spend the money replacing a part I do not need?
Feb 1, 2021 at 11:49 AM (Merged)
Avatar
JAMES W.
  • CERTIFIED EXPERT
  • 2,394 POSTS
Go ahead and check injector pulse. If you have pulse, then I have to say it's a problem with the coil pack. Let me know what you find.
Feb 1, 2021 at 11:49 AM (Merged)
Avatar
BELLA SCHOWALTER ROHDE
  • MEMBER
  • 1 POST
Fighting with husband he was headed out i came out shortly after he was under my hood. i said what are you doing messing with it so i cannot go anywhere? He was like no i am just checking the oil. He put oil in it and then. I went inside like an idiot. Babysitter got dropped off i noticed my hood was open. So i closed it and sure enough car cranks but does not turn over. I know he knows how to get a car not to start a quick trick, but i do not know it. Please help
Feb 1, 2021 at 11:50 AM (Merged)
Avatar
STEVE W.
  • CERTIFIED EXPERT
  • 15,113 POSTS
That is because there are multiple items that could be unplugged and cause it to not run.
I would look around for a disconnected wire, the fastest one would be the coil wire in the center of the distributor cap.

The picture should be the same engine with a Mazda valve cover. The items I marked are easy to pull and would stop it from running. The two on the right are the coil and distributor feeds. Those will make it crank and not run. The others are ones that will let it run but run like junk.

If you could take some pictures and load them here it might be better and faster.
Feb 1, 2021 at 11:50 AM (Merged)
Avatar
DOLPH DE BRUYN
  • MEMBER
  • 1 POST
Engine was redone, but cannot get started. what is correct cam and crank timing settings?
Feb 1, 2021 at 11:51 AM (Merged)
Avatar
SCGRANTURISMO
  • CERTIFIED EXPERT
  • 4,897 POSTS
Hello,

Please double check to make sure that all electrical connectors are plugged in. Specifically check the crankshaft and camshaft position sensor electrical connectors. In the diagrams down below I have included a list of all the engine management connectors for your vehicle. Please go through the guide and get back to us with what you are able to find out. We can go from there.

Thanks,
Alex
2CarPros
Feb 1, 2021 at 11:51 AM (Merged)