Hey out there, I'm having a really weird problem with my truck.
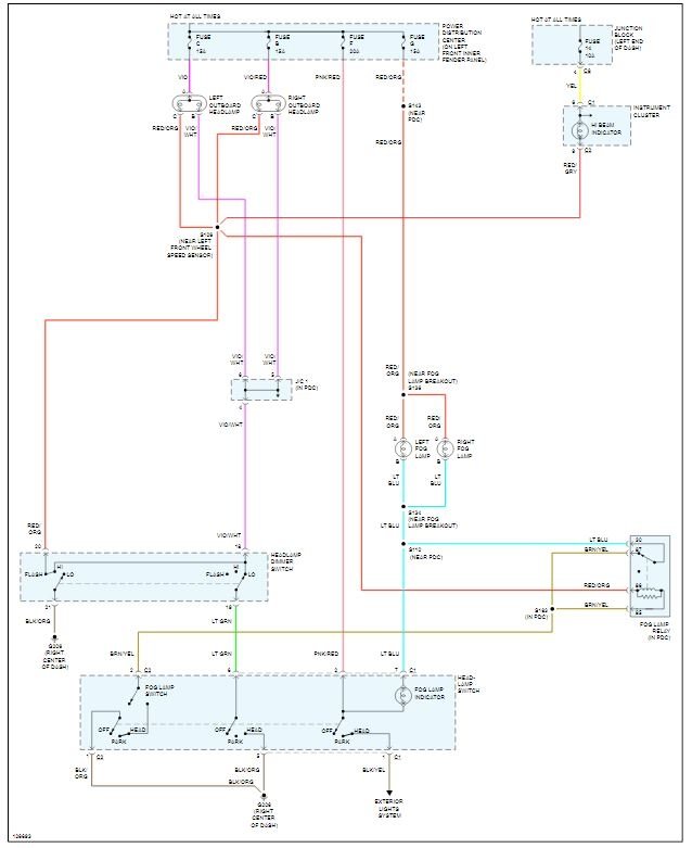
I installed a new set of headlights that have a separate high and low beam (projector low reflector high) after installing I went to test it all and that's where it got weird and aggravating, with both headlights hooked up (and I swear they are wired right) all 4 filaments are lit up and they shouldn't be, if I disconnect the driver side the passenger works normally but with both sides no such luck.
I even went as far as hooking the factory 9004 bulbs up to the factory plug and it got even more strange, both the high and low beam filaments are lit up except the passenger side is really bright and the driver side is dim, I don't know how this could happen. the factory headlights worked before I started but now something is seriously wrong!
Does this year of truck have some sort of computer like CANBUS that could me causing the problem?
I've tried switching wires checking for ground issues alternate ground sources which should make them light up because it's a ground supplied system, I'm at a total loss, I've worked through a lot of electrical gremlins but this one is beyond me I think.
Really need an assist! Help!
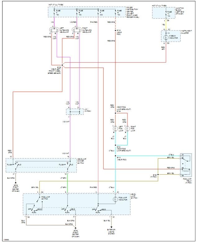
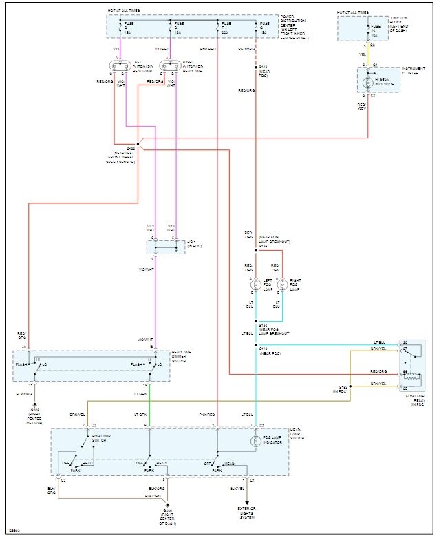
I installed a new set of headlights that have a separate high and low beam (projector low reflector high) after installing I went to test it all and that's where it got weird and aggravating, with both headlights hooked up (and I swear they are wired right) all 4 filaments are lit up and they shouldn't be, if I disconnect the driver side the passenger works normally but with both sides no such luck.
I even went as far as hooking the factory 9004 bulbs up to the factory plug and it got even more strange, both the high and low beam filaments are lit up except the passenger side is really bright and the driver side is dim, I don't know how this could happen. the factory headlights worked before I started but now something is seriously wrong!
Does this year of truck have some sort of computer like CANBUS that could me causing the problem?
I've tried switching wires checking for ground issues alternate ground sources which should make them light up because it's a ground supplied system, I'm at a total loss, I've worked through a lot of electrical gremlins but this one is beyond me I think.
Really need an assist! Help!
Oct 16, 2019 at 8:34 PM

