Electrical problem 6 cyl Front Wheel Drive Automatic 137000 miles
----------------------------------------------------------------
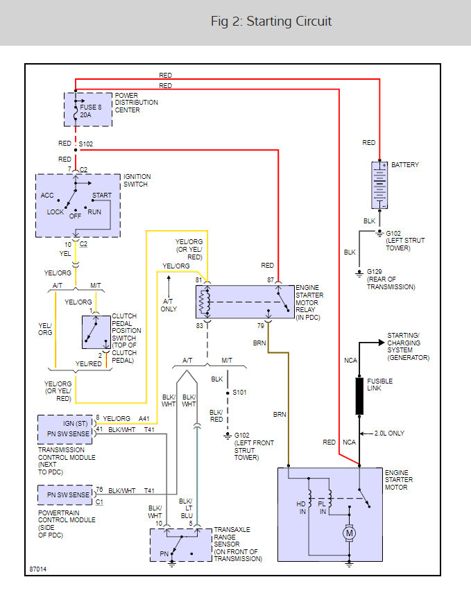
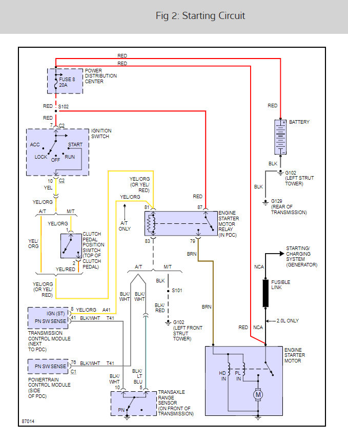
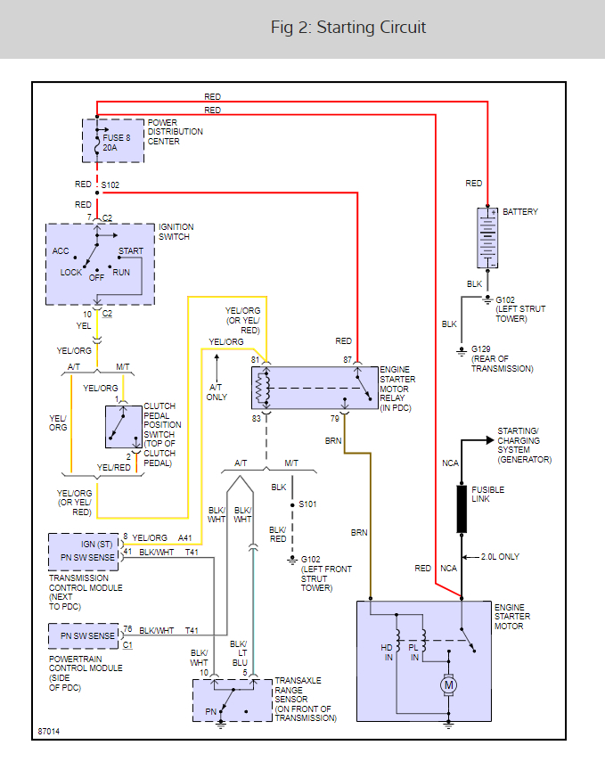
My 1998 Dodge Stratus would not crank. It would not say a word and the dash is only diplaying half of wht it should when key is turned. I checked th fuses first and found that a the fuel ignition fuse in the fuse box under the hood was blown so I replaced it..three times back to back and each time the fuse blew each time I tried to crank my car. Any idea what could be causing this problem?
----------------------------------------------------------------
My 1998 Dodge Stratus would not crank. It would not say a word and the dash is only diplaying half of wht it should when key is turned. I checked th fuses first and found that a the fuel ignition fuse in the fuse box under the hood was blown so I replaced it..three times back to back and each time the fuse blew each time I tried to crank my car. Any idea what could be causing this problem?
Jan 14, 2008 at 12:35 PM


