Windows do not work?

2011 DODGE RAM
200,000 MILES • 4.7L • V8 • 4WD • AUTOMATIC
Avatar
SIERRA817
  • MEMBER
  • 1 POST
My windows will not work, the fuses are all good but the windows will not go up or down.
Sep 30, 2023 at 1:45 PM
Advertisement
Avatar
JACOBANDNICKOLAS
  • CERTIFIED EXPERT
  • 110,175 POSTS
Hi,

If none of them work and this happened at the same time, it has to be a power issue. There are two fuses that need to be checked. First, the condition of the fuse is important. If the fuse is good, confirm there is power to and from them.

Here is a link that explains how it's done:

https://www.2carpros.com/articles/how-to-check-a-car-fuse

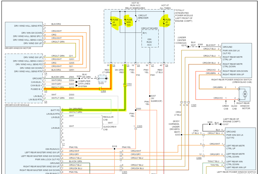
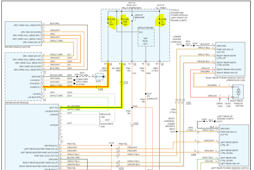
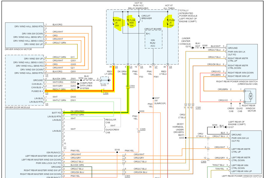
If those are good, I need you to locate the driver's door module and see if there is power to it.

I attached the wiring schematic so that you would have a reference.

Let me know,

Joe

See pics.
Sep 30, 2023 at 11:00 PM
Avatar
SIERRA817
  • MEMBER
  • 1 POST
Hey Joe, there is power going to the fuses and power going to the door module as well he just checked. He plugged the module into the master switch after checking for power and the wipers started, but he tried the windows and doors and still nothing.
Oct 2, 2023 at 8:42 AM
Advertisement
Avatar
JACOBANDNICKOLAS
  • CERTIFIED EXPERT
  • 110,175 POSTS
The wipers turned on when the door module was connected? Good Lord. Did the wipers turn on by just making the connection or did he need to press one of the door buttons? I reviewed the schematic for the wipers, and they have nothing to do with the door module. If I had to guess, I suspect the totally integrated power module (TIPM) is failing.

The TIPM is under the hood/fuse box. They are known to have connector issues simply because there are so many connector pins in each connector. As a result, the pins are known to corrode, break, and either lose connection or short.

By any chance, is it possible for you to have the can-bus scanned to see if there are diagnostic trouble codes specific to one of the modules involved?

Here is a link that shows how it's done:

https://www.2carpros.com/articles/can-scan-controller-area-network-easy

Let me know.

joe
Oct 2, 2023 at 7:23 PM