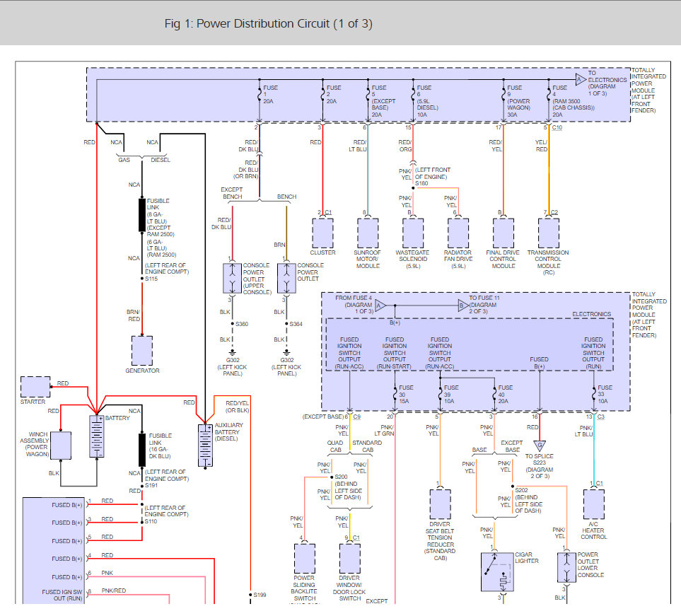
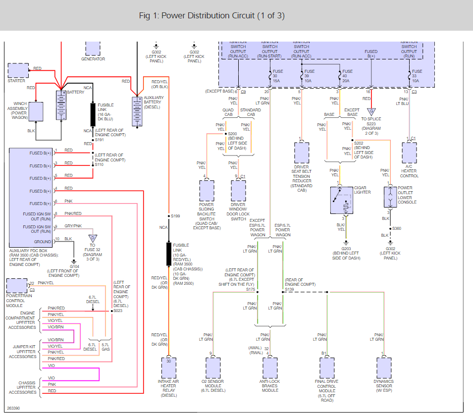
my battery went flat i charged it and about every 2 to 3 days it went flat, i have now replaced the battery and i am going to see how long it lasts, but i have made some simple tests, with everything switched off there seems to be a very small spark when you disconnect a battery lead and touch the battery post, i have put a amp meter between the disconnected battery lead negative and the negative post and pulled out every fuse and the only one that seems to make a difference in the reading is number 11 fuse rated at 20 amp and is marked :IOD CCN WCM SDARS AND HFM ? i have also noticed that there is continuity between the positive lead and the negative lead ? can you tell me what this fuse covers on my model and your general opinion on my problem, many thanks, john.
Sep 19, 2009 at 11:27 AM




