More than likely he will not get back to you so let's see if we can figure this out.
I suspect you have an issue with the relay. If you are jumping power to it then you are just bypassing the relay control so I would start with swapping the relay or testing it using this guide:
https://www.2carpros.com/articles/how-to-check-an-electrical-relay-and-wiring-control-circuit
However, if you have no power to the fuse then you are not going to have power to the relay for it to close the contact to send power to the blower motor.
So the question is, how did you test the fuse to find out there was no power to it? If you don't then we have an issue with the junction block.
Let's start with this and go from there. Thanks
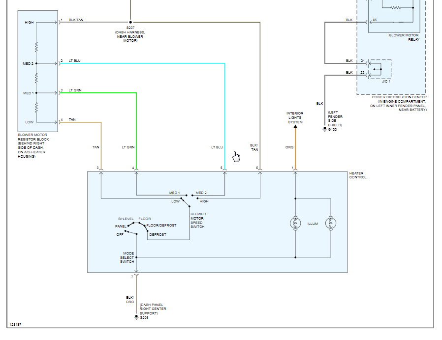
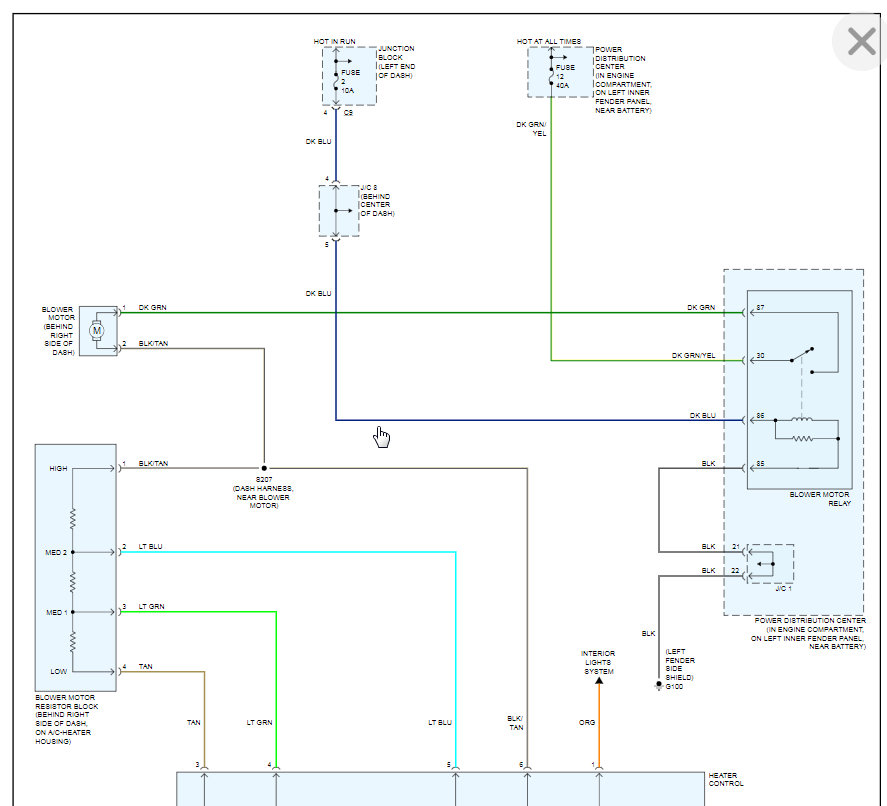
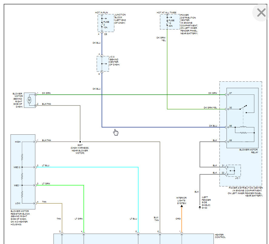
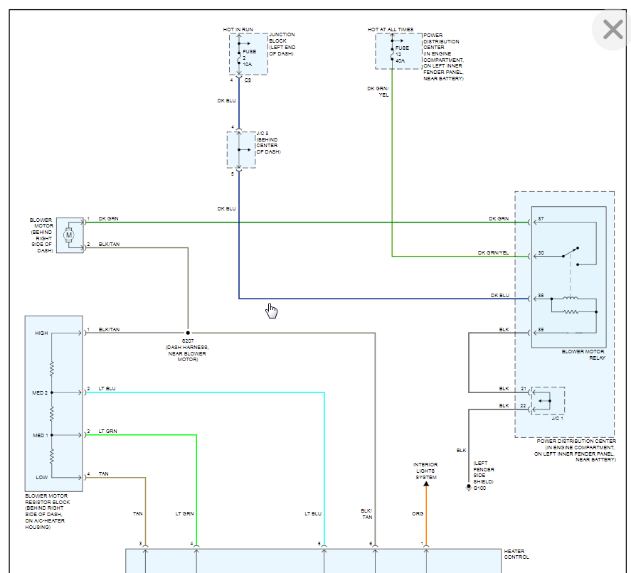
Images (Click to enlarge)
Feb 3, 2021 at 7:39 PM