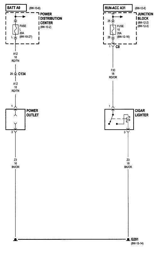
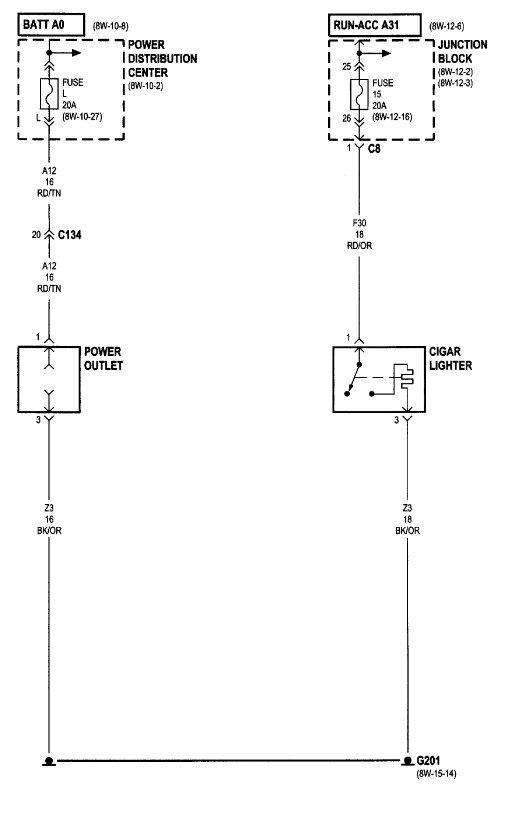
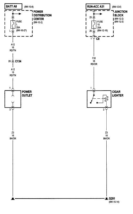
my question is how do you get the cigarette lighter out of the dash..I have radio out ash tray, coup holders plastic piece under steering but can not find how to get the lighter socket out ...I blew on fuse and replaced same. I use the upper socket for my Sat radio, when it was working.iplug in a few days get a moment on the off again.fuse still ok..can not get the socket out to test from fuse in to it...i have 2 in the truch but one on lower is a power socket which is ok..but on on the switch on side giving me fits..please help...Thank you Ernest Davis
Apr 5, 2008 at 3:41 PM




