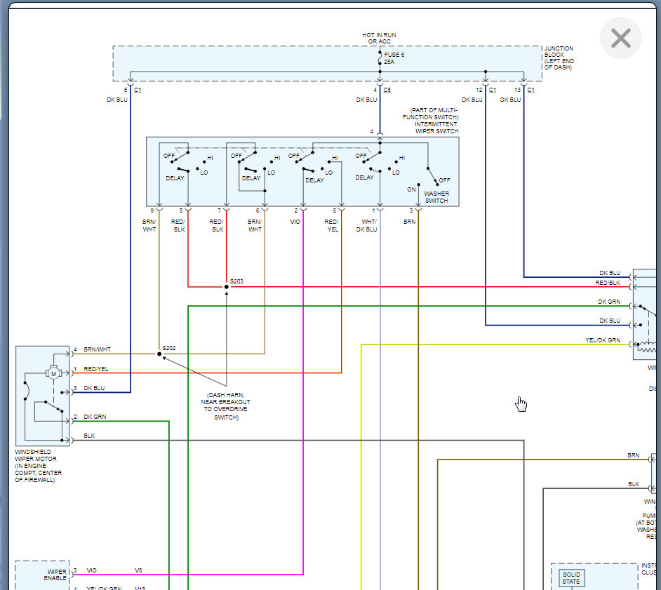
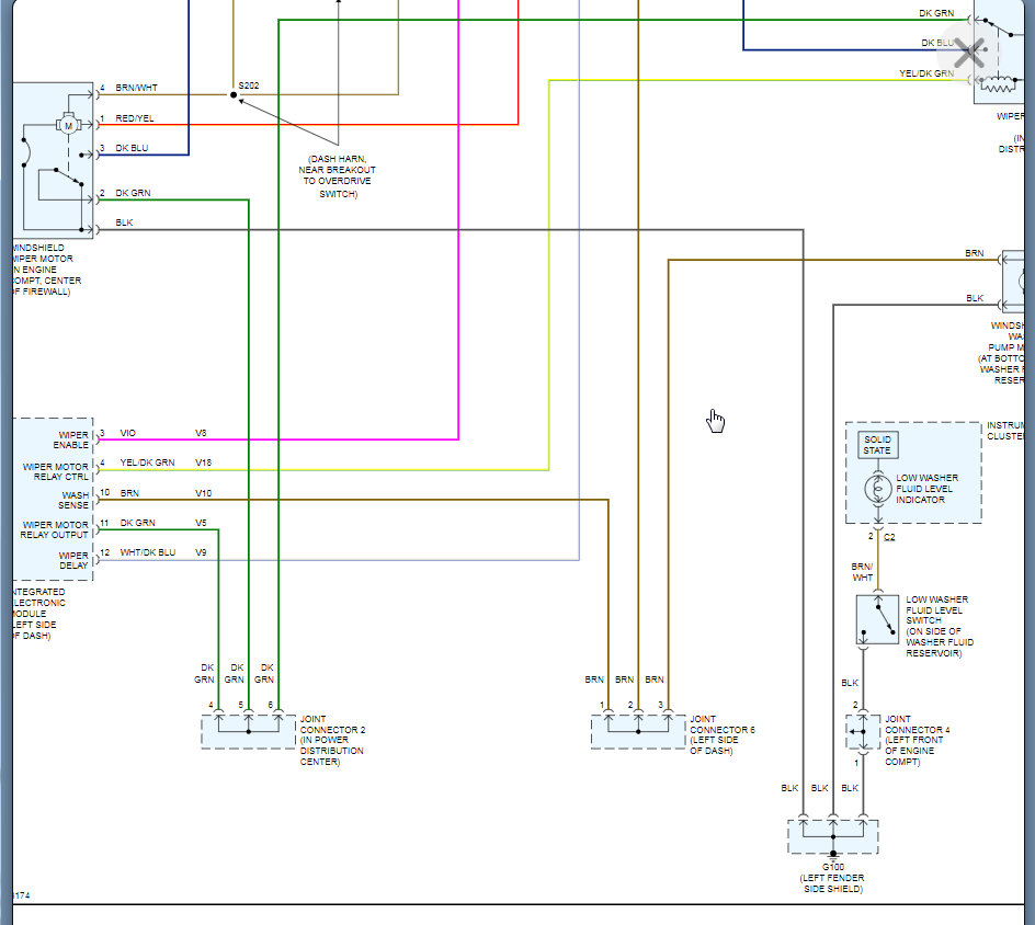
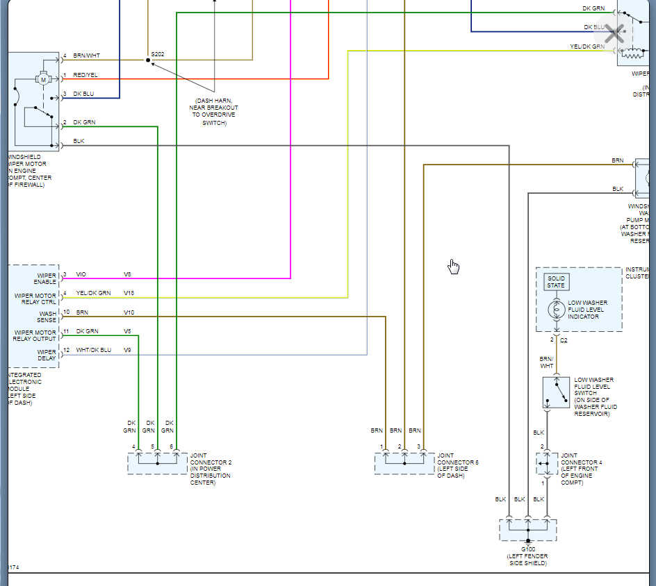
I just recently purchased my Ram from a used car dealer and today i was driving in a light rain and i had my wipers on a low intermittent. My problem is that the wiper goes up but then stays in the upright position until the intermittent kicks on again and the wiper goes back down and then half way up. I found that when i turn it on and then quickly turn it off the wiper will return to the correct position. Is there a simple solution to this problem?
Apr 27, 2010 at 8:33 PM

