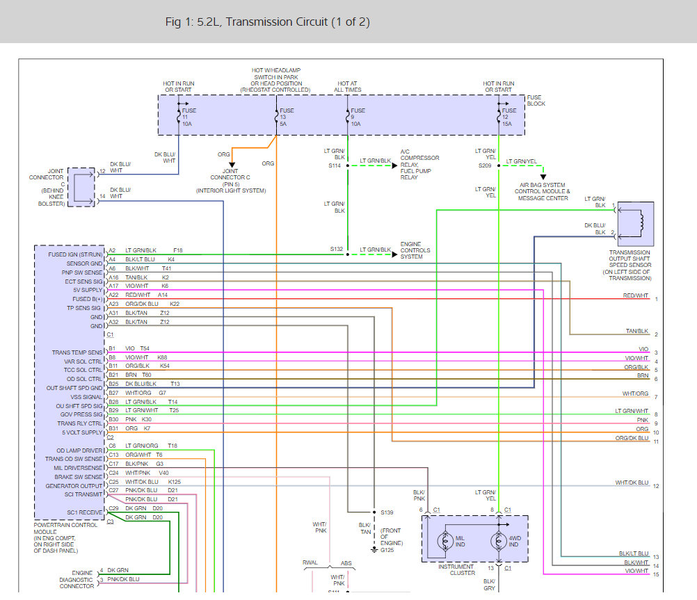
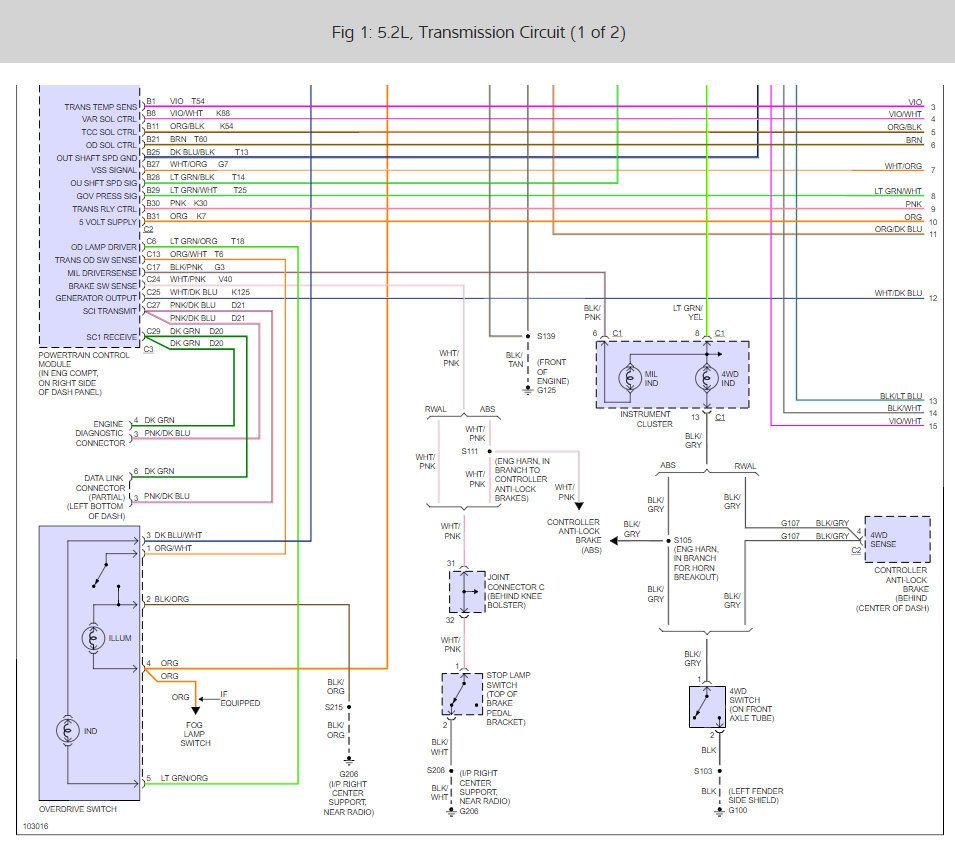
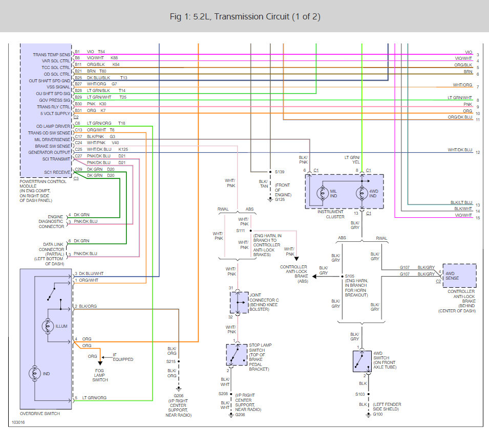
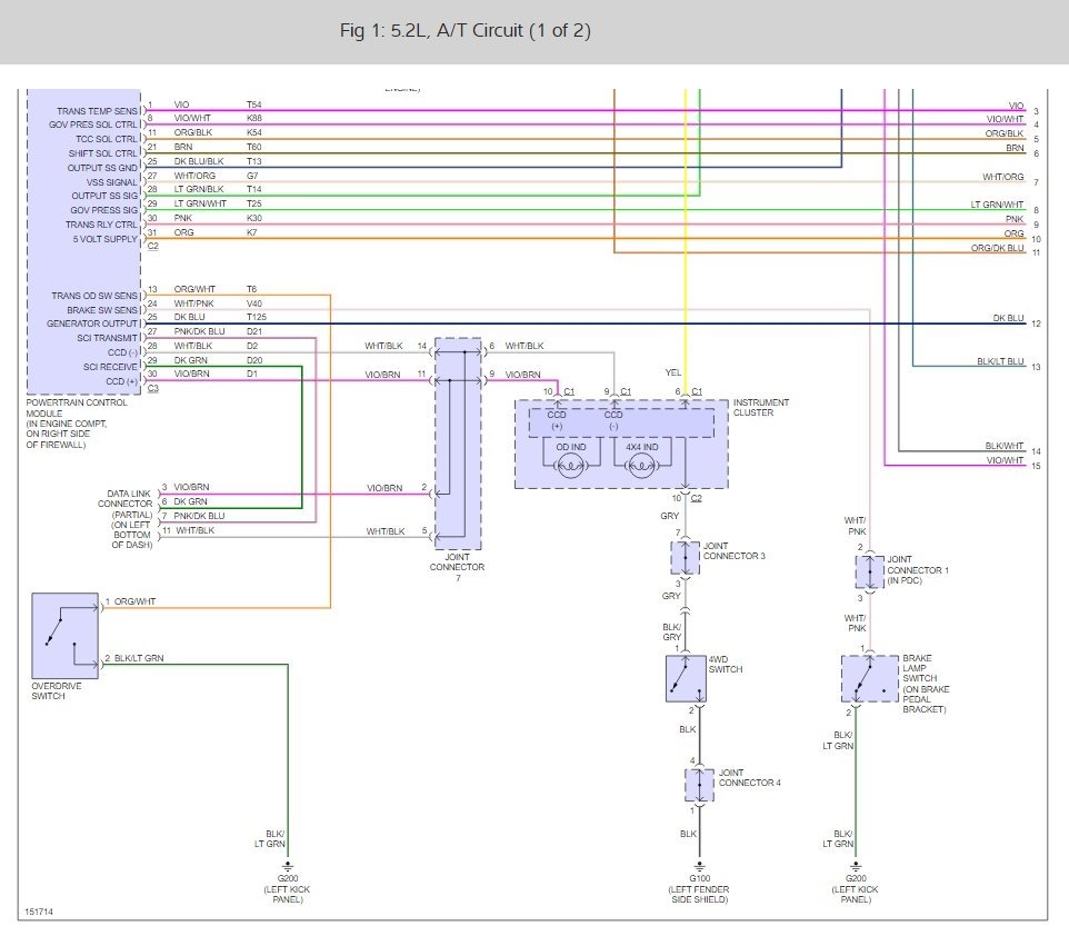
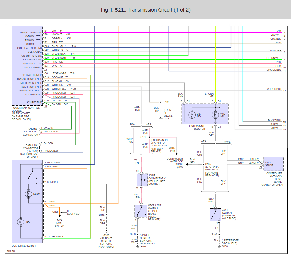
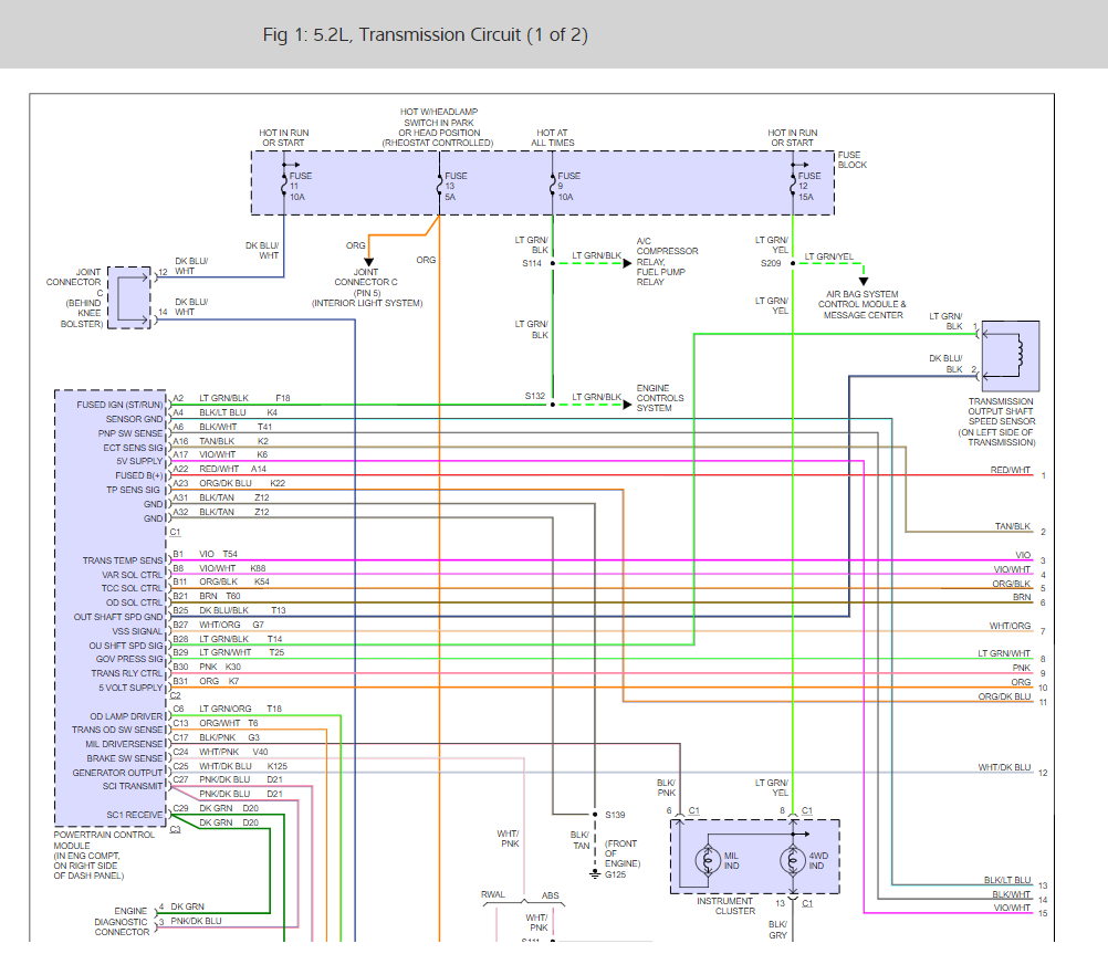
My truck is a V8 four wheel drive with an automatic transmission. Where is the shift solenoid relay located? The truck will not shift into fourth nor first gear. Only has second and third. The code it is throwing is p0753 and the mechanic that pulled the code said the computer said shift solenoid relay which I have found out is aka the governor solenoid. A tech at Aamco transmissions told me the same today. And also said he thinks it is in the transmission pan. Thank you.
Mar 30, 2010 at 6:55 PM










