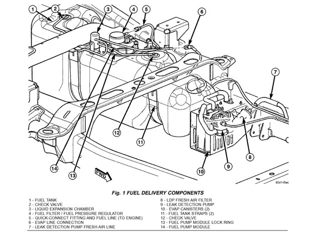
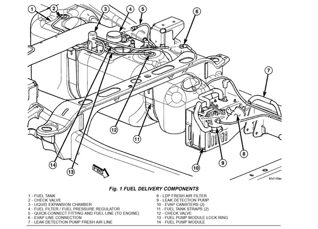
OK, seeing that my truck does not have a fuel filter, what is the black canister that is on the frame rail that seems to have a line-in and line-out from the gas tank. I am getting a fuel smell coming from this.
Feb 19, 2010 at 5:26 AM













