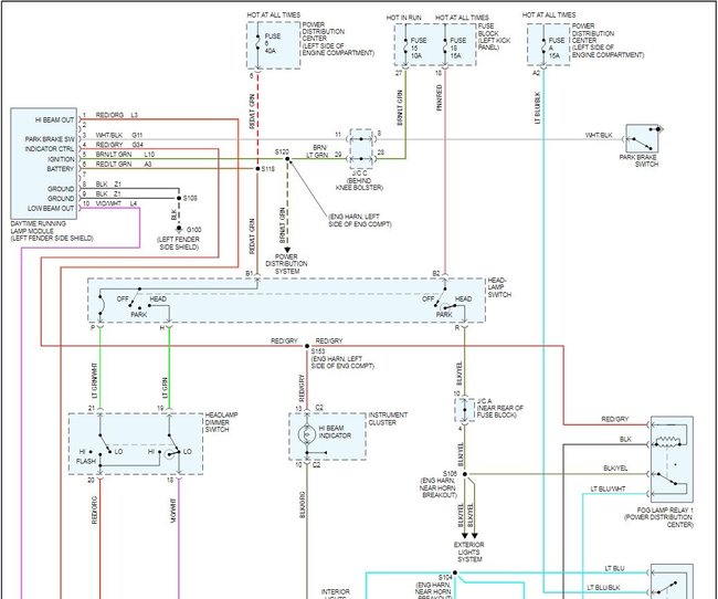
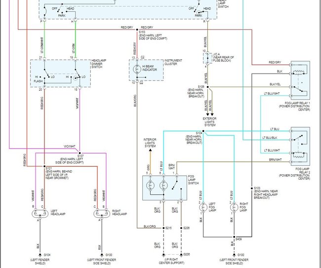
1997 Dodge Ram 2500 Two Wheel Drive Automatic 225000 miles
Situation:
I turn on the headlamps from the pull-switch, and only the parking lights turn on through both clicks. The only way I can get any response from the headlamps is to pull the multifunction switch (w/turn signal and wipers) ALMOST all the way back to turn on high, but not to the point it clicks, and hold it there.
Headlamps have been replaced with no change in response, the headlamp relay has been checked and in working order.
Should I check the multifunction switch or the driving light switch next?
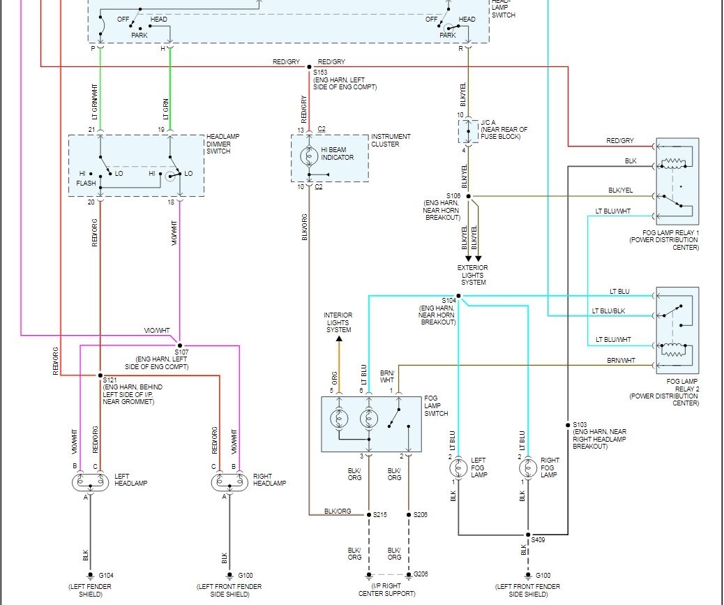
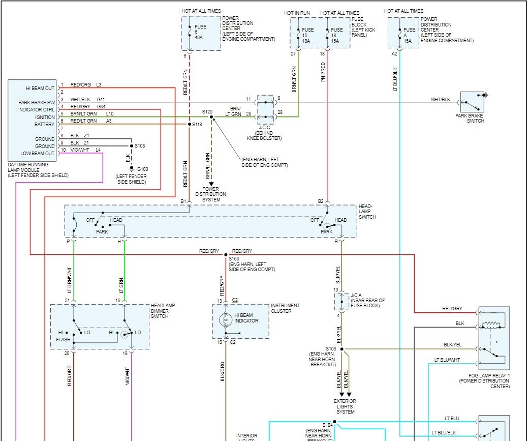
Situation:
I turn on the headlamps from the pull-switch, and only the parking lights turn on through both clicks. The only way I can get any response from the headlamps is to pull the multifunction switch (w/turn signal and wipers) ALMOST all the way back to turn on high, but not to the point it clicks, and hold it there.
Headlamps have been replaced with no change in response, the headlamp relay has been checked and in working order.
Should I check the multifunction switch or the driving light switch next?
Aug 18, 2009 at 5:28 AM







