V8 engine.
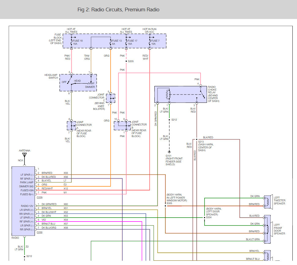
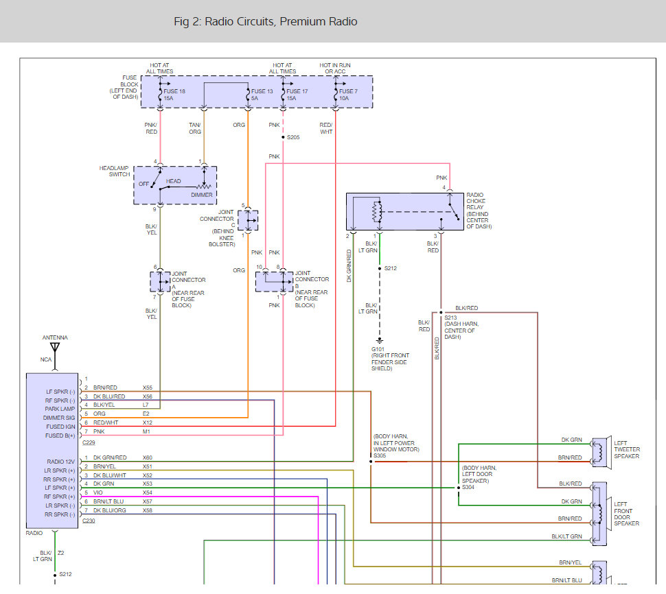
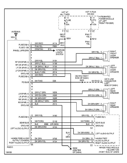
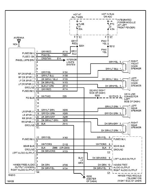
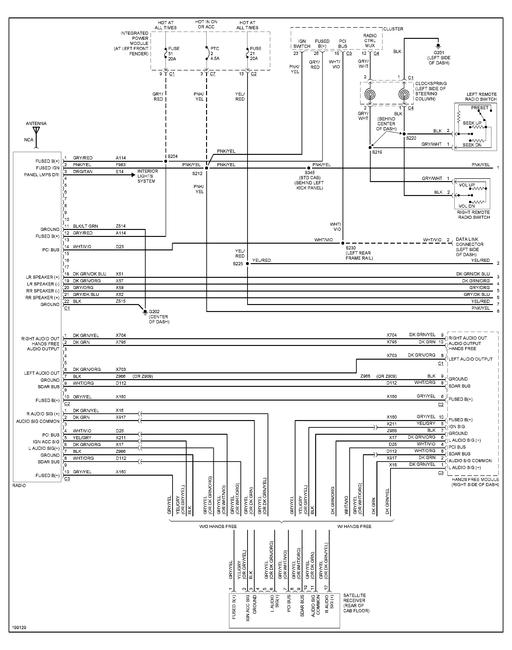
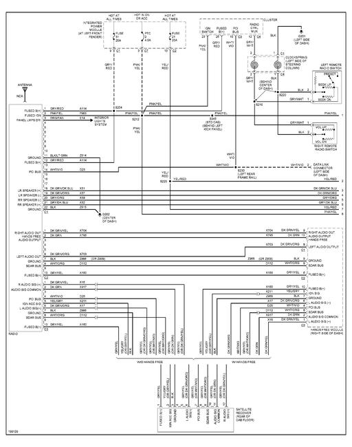
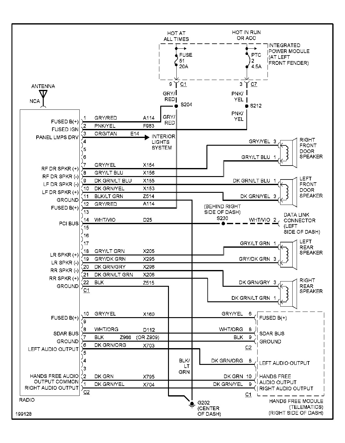
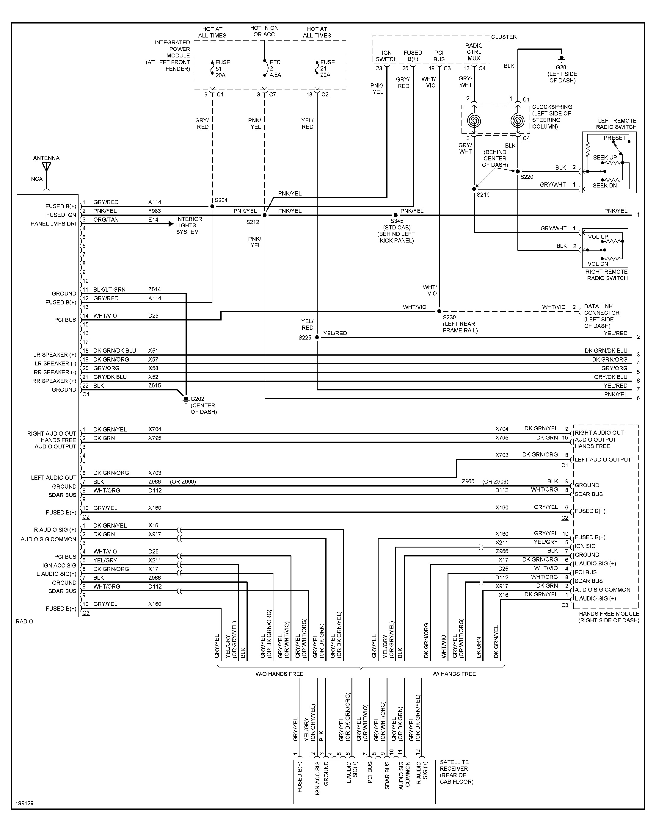
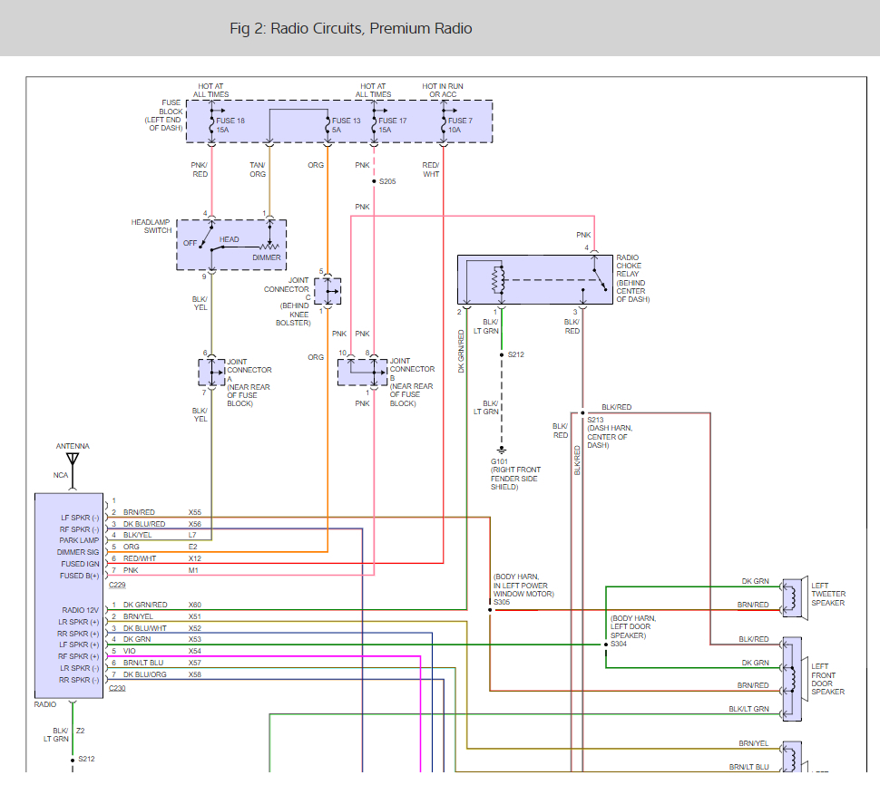
I need the color code for the stereo wiring in order to install an after market CD player. The wiring harness for the CD player has twelve wires if I am not mistaken. Ground, ignition power, constant power, antenna, +/- speakers (four).
I need the color code for the stereo wiring in order to install an after market CD player. The wiring harness for the CD player has twelve wires if I am not mistaken. Ground, ignition power, constant power, antenna, +/- speakers (four).
Jul 11, 2008 at 9:36 PM










