I have power to my interior lights but no power to the ignition switch any suggestions?
Dec 7, 2009 at 1:54 PM
Advertisement
RASMATAZ
CERTIFIED EXPERT
75,992 POSTS
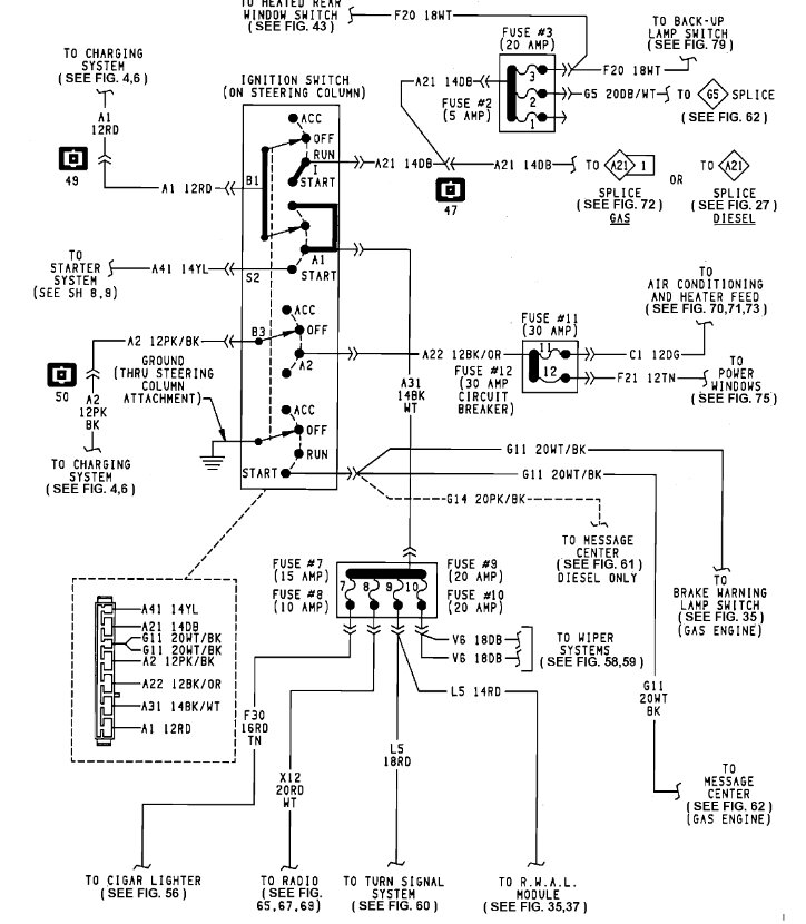
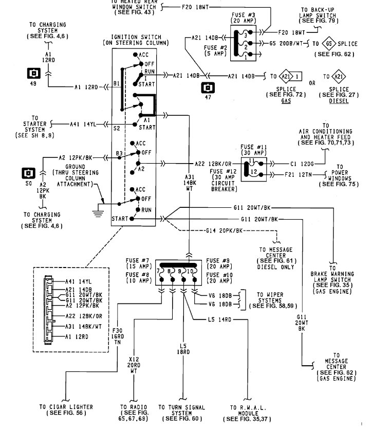
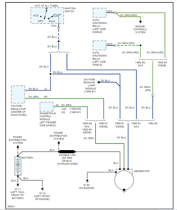
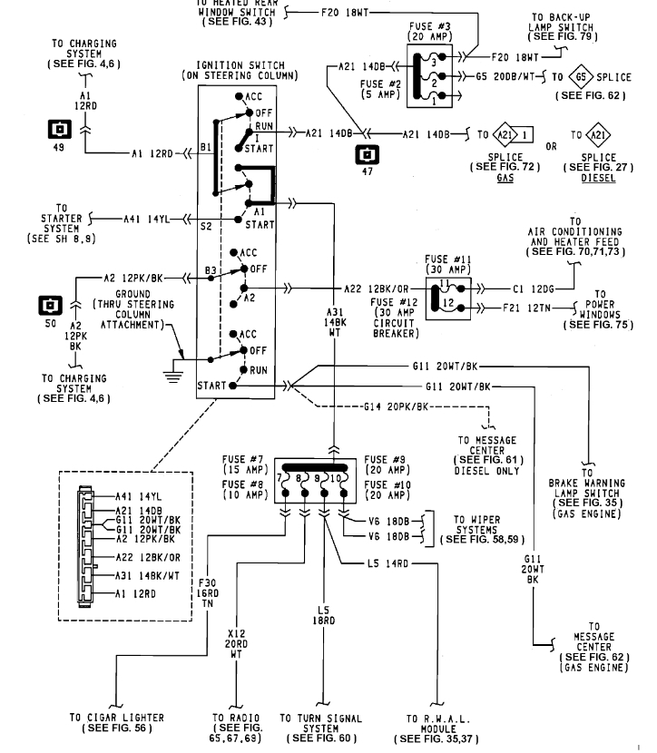
Check and test the orange fusible link this one here powers the ignition switch. Here are the wiring diagrams for the ignition switch. Check out the images (below). Let us know how it goes
Images (Click to enlarge)
Dec 7, 2009 at 3:23 PM
MRED342000
MEMBER
2 POSTS
[quote:ace0dd845b="rasmataz"]Check and test the orange fusible link this one here powers the ignition switch[/quote:ace0dd845b] Checked fusible links I have a white wire that runs with an orange wire that is burnt in to which becomes a red wire that goes into the fire wall. The white wire seems to be going to the ecm it is not burnt but the orange wire going to the same fusible link is burnt. What do you suggest to do next?
Dec 7, 2009 at 8:07 PM
Advertisement
RASMATAZ
CERTIFIED EXPERT
75,992 POSTS
Jumper the orange fusible link with 4 grade lower size wire with an inline fuse and then check the ignition for power