Brake lights wont come on

2005 DODGE NEON
5,200 MILES • 4 CYL • 4WD • AUTOMATIC
Avatar
CANTFIXSHIT
  • MEMBER
  • 1 POST
my brake lights wont come on?
Feb 24, 2009 at 8:52 AM
Advertisement
Avatar
ZACKMAN
  • CERTIFIED EXPERT
  • 4,202 POSTS
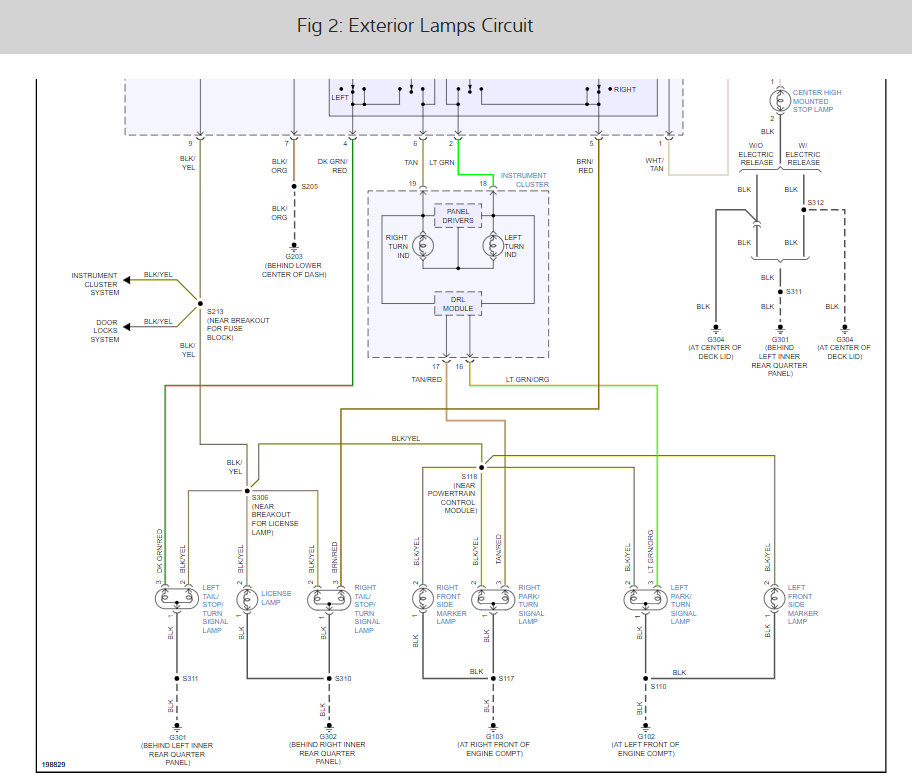
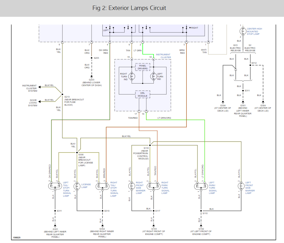
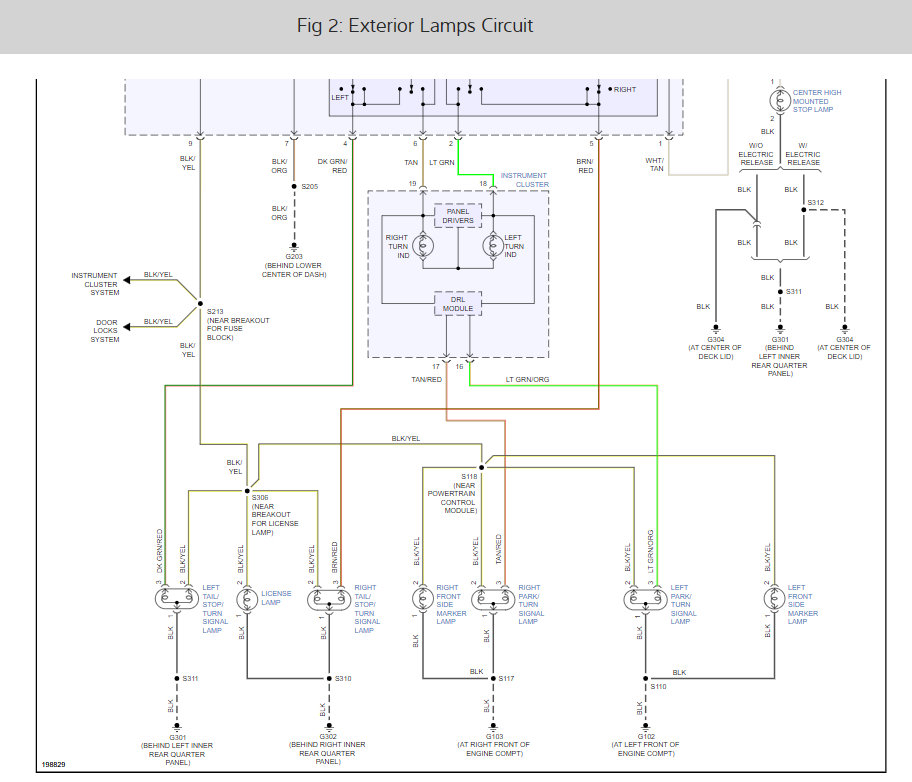
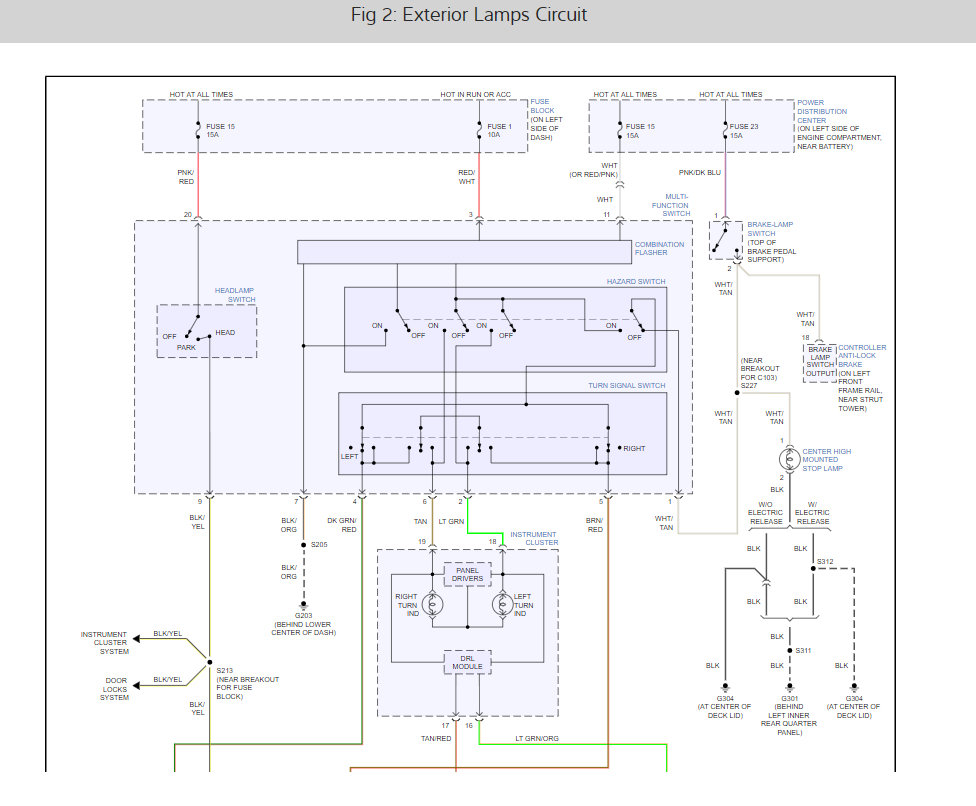
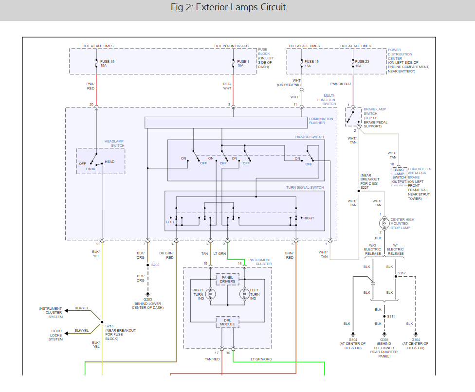
This sounds like the brake light switch or a fuse is out these guides can help us fix it. The fuse location for your can are in the diagrams below.

https://www.2carpros.com/articles/brake-lights-not-working

and

https://www.2carpros.com/articles/how-to-check-a-car-fuse

and

https://www.2carpros.com/articles/how-to-check-wiring

Here are the brake light wiring diagrams so you can see how the system works. If you have replaced the fuse (circled), ext check to make sure all bulbs (including the center brake lamp) are good, then check the brake switch, above the brake pedal support. Check out the diagrams (Below). Let us know what happens and please upload pictures or videos of the problem.
Feb 24, 2009 at 2:10 PM