car starts just fine then starts missing?

2000 DODGE NEON
145,000 MILES • 4 CYL • FWD • AUTOMATIC
Avatar
JTULL84
  • MEMBER
  • 1 POST
just replaced timing belt timing lines up on crank and cam car starts just fine then starts missing. So ckecking with timing light timing is one tooth below TDC. checked plugs,wires,vacume
Oct 23, 2010 at 6:05 PM
Advertisement
Avatar
SQM
  • CERTIFIED EXPERT
  • 6,383 POSTS
Hello,

A timing belt synchronizes the rotation of the crankshaft and the camshaft(s). This makes the engine valves open and close at the proper time during the engine operation.
So if the timing is off by a little it can severely affect the engine.
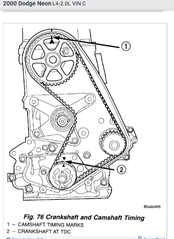
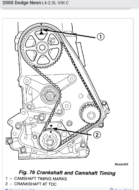
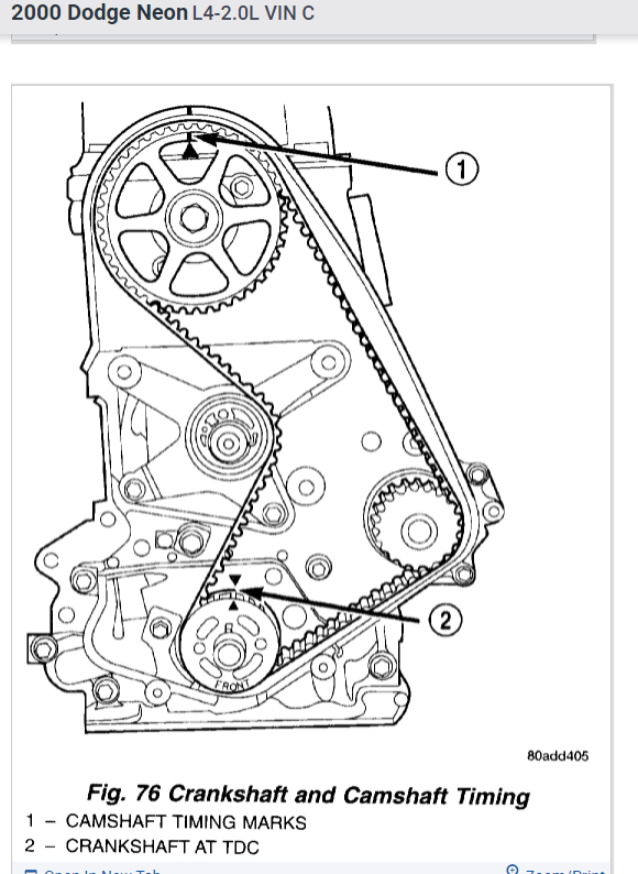
The timing mark should be at TDC this vehicle.
So you will have to adjust it and make it at TDC.

You might find this article helpful:

https://www.2carpros.com/articles/how-a-timing-belt-works


I have attached replacement procedure for your reference.

Please let me know of any questions.

Thank you.
Aug 17, 2021 at 12:35 PM