brake lights dont work

2005 DODGE MAGNUM
60,000 MILES • V8 • 2WD • AUTOMATIC
Avatar
SLEEPER_R/T
  • MEMBER
  • 1 POST
my brake lights dont. i replaced the brake switch by the pedal still nothing. bulbs are good when i take bulb out to see if there's power going there to it but there isn't any power i checked the fuse and that was still good but replaced it. and wondering if there's a relay to the brake lights?
Feb 14, 2009 at 5:04 PM
Advertisement
Avatar
RASMATAZ
  • CERTIFIED EXPERT
  • 75,992 POSTS
Hello,

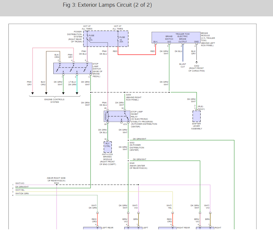
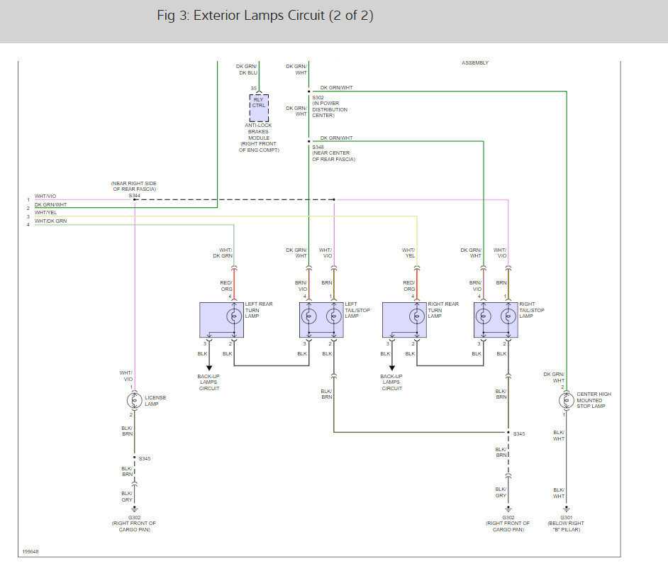
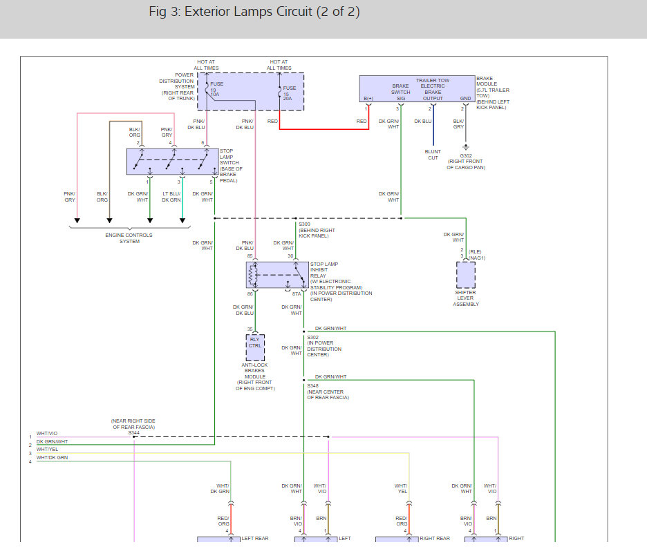
There is a stop lamp relay that needs to be checked here is a guide to help us get started with the relay location and the brake light wiring diagrams so you can see how the system works below.

https://www.2carpros.com/articles/how-to-check-an-electrical-relay-and-wiring-control-circuit

Check out the diagrams (Below). Please let us know what you find. We are interested to see what it is.
Feb 14, 2009 at 5:54 PM
Avatar
MAHENDRA DAHYA
  • MEMBER
  • 1 POST
Thank you for this post I had a bad relay got a new one $34.00 worked like a charm.
Feb 4, 2019 at 3:57 PM
Advertisement