Electrical problem
1998 Dodge Durango V8 Four Wheel Drive Automatic
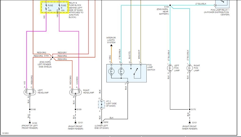
The headlights on my vehicle do not work. I have changed the turn signal/wiper/brights switch and that didn't work. what else can I do or check to get them to work?
1998 Dodge Durango V8 Four Wheel Drive Automatic
The headlights on my vehicle do not work. I have changed the turn signal/wiper/brights switch and that didn't work. what else can I do or check to get them to work?
Jan 10, 2010 at 1:50 PM



