Blower motor not working except for high

DODGE DAKOTA
Avatar
KEITH1989
  • MEMBER
  • 1 POST
I have a 2003 Dodge Dakota SXT, 3.9L V6, 5 speed w/98,300+ miles. The air conditioning/heating system works perfectly when it is on the maximum setting, full power if you will. But the lowest setting, the #2 setting and the #3 setting don't work at all for any temperature. It's been like this for a while, I just haven't taken it anywhere because it does work, just not like it should. What possibilities are there for the cause of this. Thank you for your consideration!

Keith
Oct 22, 2007 at 3:19 PM
Advertisement
Avatar
KASEKENNY
  • CERTIFIED EXPERT
  • 18,907 POSTS
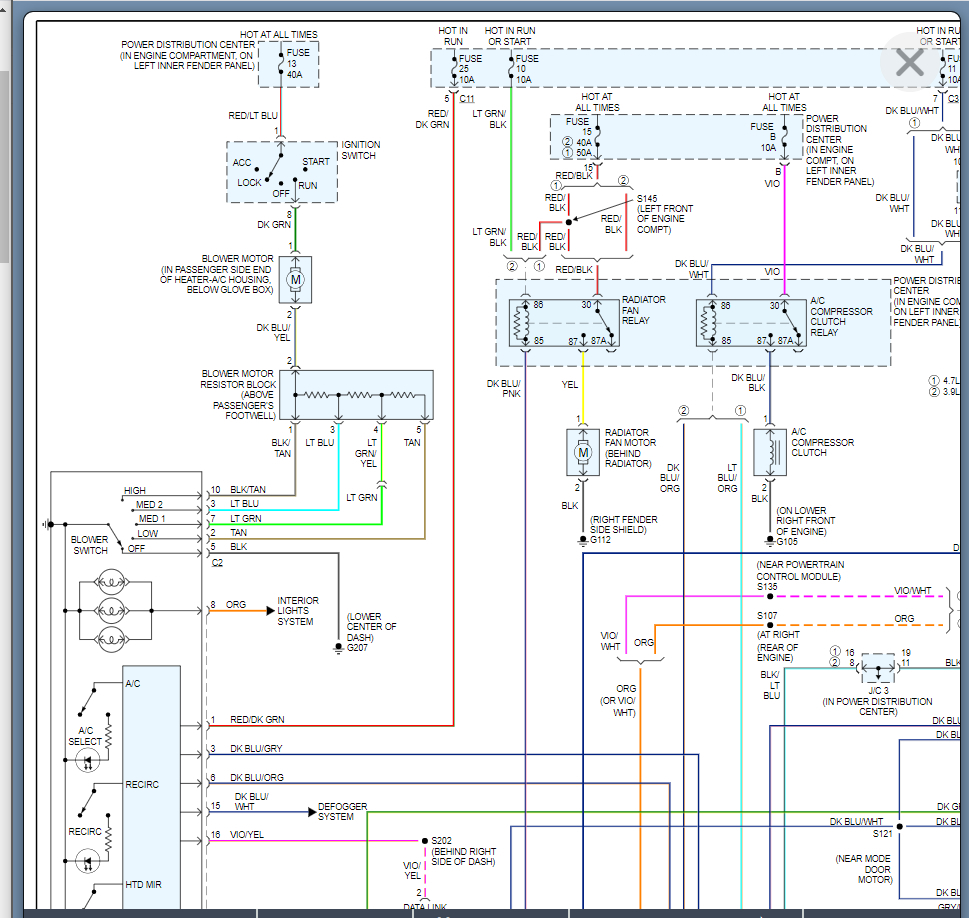
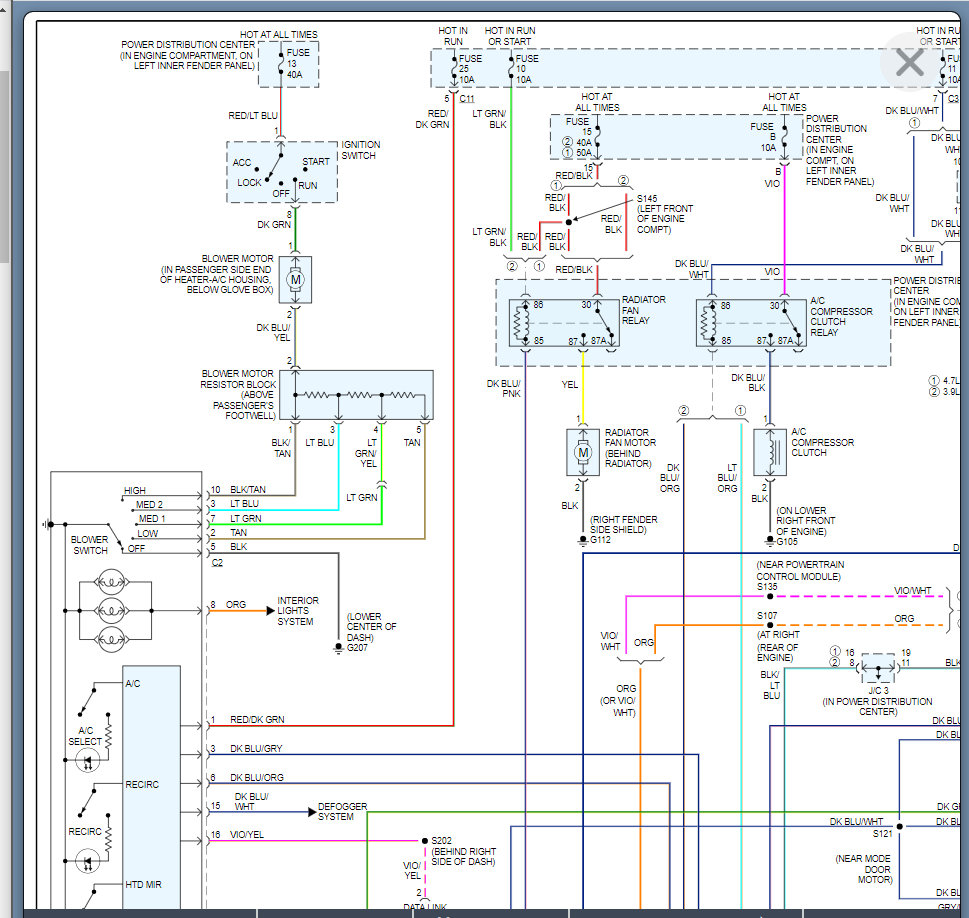
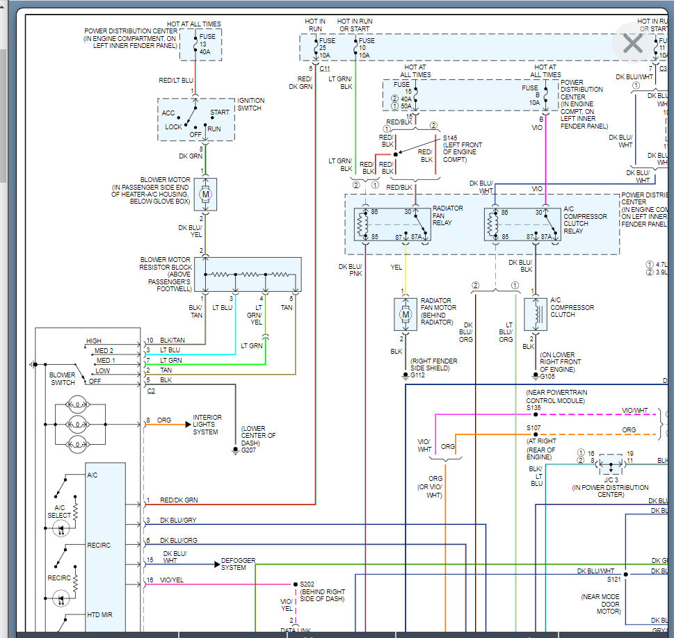
This is most likely the blower motor resistor has failed. If you look at the wiring diagram you will see that the high setting is just a pass through for the resistor as the current only runs from the motor straight to the module which is grounding the motor, called a lowside driver or ground side control.

The other speeds run through resistors and the switch moves the ground to determine how many resistors it runs through and the more that it does then slower the fan moves due to less voltage that the motor is using.

When one of the resistors fail it causes all the other fan speeds behind it to fail as well. So if the medium 2 resistor fails then medium 1 and low will not work either as the current doesn't get through the open connection.

Here is a guide if you want to check the voltage across the blower motor so see if there is an open circuit on those settings:

https://www.2carpros.com/articles/how-to-check-wiring

If there is no voltage then that is your issue.

Please run through this info and let us know what you find. Thanks
Jul 24, 2021 at 7:26 AM