My airbag light stays on all the time?

2001 DODGE DAKOTA
65,000 MILES • V8 • 4WD • AUTOMATIC
Avatar
GORDON2464
  • MEMBER
  • 2 POSTS
My airbag light stays on all the time, and the bell dings every so often.
Sep 15, 2009 at 8:13 PM
Advertisement
Avatar
CH112063
  • CERTIFIED EXPERT
  • 1,320 POSTS
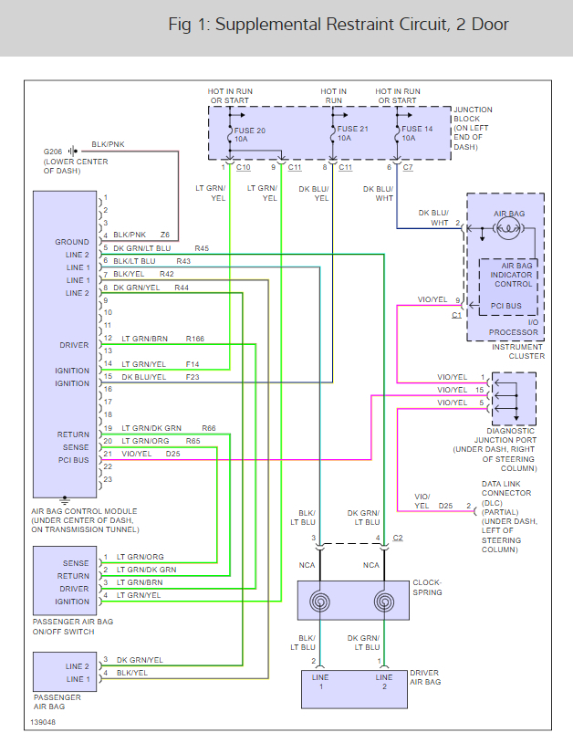
This means the system is disabled probably because one of the impact sensors is unplugged or the clock spring in the steering wheel is broken. Here is a wiring diagram and a guide to help you check the wiring to confirm the issue.

https://www.2carpros.com/articles/how-to-check-wiring

Test through the clockspring. Check out the diagrams (Below). Please let us know what you find. If the airbag light is on the system will not work.

Sep 16, 2009 at 5:55 PM
Avatar
GORDON2464
  • MEMBER
  • 2 POSTS
You were so right on the clockspring I tested and found an open circuit once I replaced it everything started working. Cost me $78.00 I love this site.
Sep 17, 2009 at 1:28 PM
Advertisement
Avatar
CH112063
  • CERTIFIED EXPERT
  • 1,320 POSTS
Nice work, we are here to help, please use 2CarPros anytime.

Cheers
Oct 5, 2009 at 7:19 PM