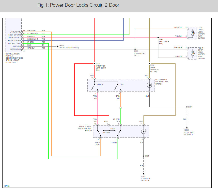
Door and my problem is the power windows do not work at all and the power door locks works with the keyless remote but will not work with the switch inside. When you get up to 15 mph the doors lock fine but will not manually lock or unlock from the inside. This all happened at the same time about 2 weeks ago. I would appreciate any help anyone can give me.
Thanks
Jeff
Thanks
Jeff
Sep 29, 2009 at 6:29 PM







