power distribution center and fuse panel?

1997 DODGE DAKOTA
175,000 MILES • 6 CYL • 2WD • MANUAL
Avatar
97V6DAKOTAJAM
  • MEMBER
  • 1 POST
Can you please give me the fuse panel location and identification?
Mar 12, 2010 at 5:25 PM
Advertisement
Avatar
BMRFIXIT
  • CERTIFIED EXPERT
  • 19,053 POSTS
Here is a guide to help you test the fuses with diagrams below to show you the fuse panel.

https://www.2carpros.com/articles/how-to-check-a-car-fuse

Check out the diagrams (Below). Please let us know if you need anything else to get the problem fixed.
Mar 12, 2010 at 10:15 PM
Avatar
ZEKEBARNETT
  • MEMBER
  • 3 POSTS
the truck has been setting since 2013 and all i have ever done was started it from time to time but never checked to see if everything was still working until today. Want to give it to my son to start driving it. He plans to use it to drive back and forth to work. When i tried the wipers turned the switch on and there was nothing, no movement no sound nothing. I was thinking maybe the fuse but i don't know what i did with the manual to tell me which fuse it is in the fuse box. Looked on line but can't find one.
Sep 19, 2020 at 2:10 PM (Merged)
Advertisement
Avatar
94 TRANSAM
  • CERTIFIED EXPERT
  • 680 POSTS
Hi and welcome to 2CarPros.

Here is the information you requested. please let us know if you need more help.

Rich
Sep 19, 2020 at 2:10 PM (Merged)
Avatar
ZEKEBARNETT
  • MEMBER
  • 3 POSTS
Very helpful, sorry if i am a little slow but i am wheel chair bound but i still get around pretty good. I lost my legs in 2015 due to agent orange. i got sick in 2012. Stopped driving it in 2013 lost my legs in 2015. I bought this truck brand new, all i ever had to do to this truck was tires,tune up,and oil changes. I noticed today i pressed on the brake pedal with my hand to see if the brake lights work and i heard a little pop and then looked back and saw fluid on the ground driver side rear wheel now the ABS and Brake light is on. so i guess it popped a brake line or wheel cylinder. I don't know yet kinda got dark on me. But thank you for your information. Greatly appreciated.
Sep 19, 2020 at 2:10 PM (Merged)
Avatar
94 TRANSAM
  • CERTIFIED EXPERT
  • 680 POSTS
You are welcome. Make sure you pinch that line off before the master cylinder goes dry or you will have to bleed that too!

Rich.
Sep 19, 2020 at 2:10 PM (Merged)
Avatar
ZEKEBARNETT
  • MEMBER
  • 3 POSTS
Thank you will do.
Sep 19, 2020 at 2:10 PM (Merged)
Avatar
JECCO8504
  • MEMBER
  • 1 POST
Where is the fusebox?
Sep 19, 2020 at 2:11 PM (Merged)
Avatar
CARADIODOC
  • CERTIFIED EXPERT
  • 34,306 POSTS
Power Distribution Center is under the hood right behind the washer fluid reservoir. Junction Box is near the steering column and brake pedal. Check out the diagrams (Below). Please let us know if you need anything else to get the problem fixed.
Sep 19, 2020 at 2:11 PM (Merged)
Avatar
  • MEMBER
  • 1 POST
I need to see the fuse panel diagrams can you please get them for me?
Sep 19, 2020 at 2:11 PM (Merged)
Avatar
DR LOOT
  • CERTIFIED EXPERT
  • 2,311 POSTS
Hello,

Here is a guide to help you test the uses and the fuse panel locations and diagrams below.

https://www.2carpros.com/articles/how-to-check-a-car-fuse

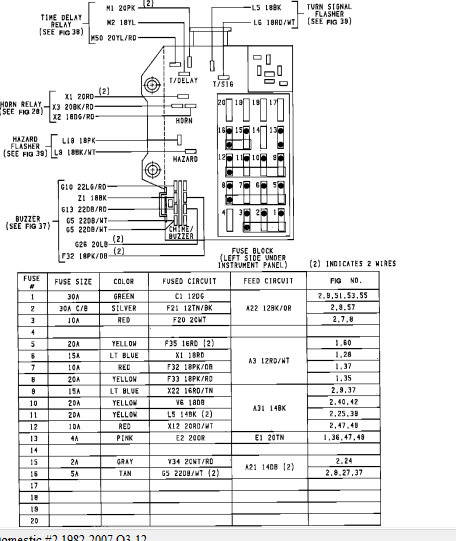
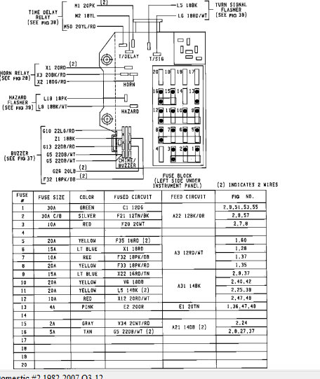
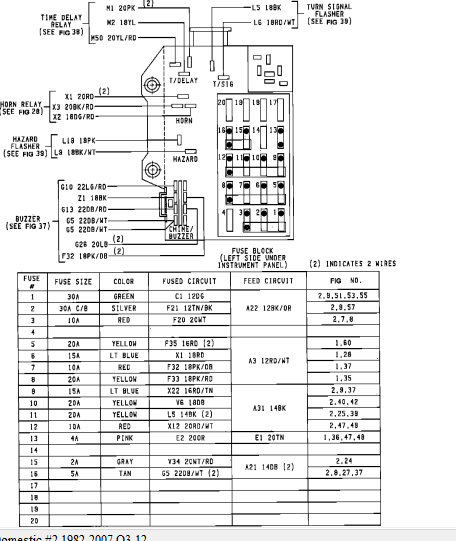
Fuse Identification
1 - 30 Amp (Green) - A/C Or Heater Blower Motor
2 - 30 Amp (Circuit Breaker) - Power Windows
3 - 10 Amp (Red) (1992-93) - Back-Up Lights, A/C Electronic Cycling Switch 15 Amp (Lt Blue) (1994-96) - Back-Up Lights, Airbag Module, Overhead Console
4 - Not Used (1992) - 5 Amp (Tan) (1993-96) - ABS Brake System
5 - 20 Amp (Yellow) - Power Door Locks
6 - 15 Amp (Lt. Blue) - Horn, Tachometer
7 - 10 Amp (Red) - Anti-Lock Brake Module, Stoplights, Buzzers
8 - 20 Amp (Yellow) - Taillights, Park, Side Marker Lights, Clock & Radio Display Intensity, License & Panel Lights
9 - 15 Amp (Lt. Blue) - Cigarette Lighter
10 - 20 Amp (Yellow) - Windshield Washers & Wipers
11 - 20 Amp (Yellow) - Turn Signals, Rear Wheel Anti-Lock Module
12 - 10 Amp (Red) - Radio
13 - 4 Amp (Pink) - Cluster Lights, A/C & Heater Controls, Cigarette Lighter Light & Ash Receiver Light, Radio Lights & Overdrive Switch Light
14 - Not Used (1992-93) 15 Amp (Lt. Blue) (1994-96) - Airbag Module, Speedometer, Guages, Telltales
15 - 2 Amp (Gray) - Speed Control
16 - 5 Amp (Tan) (1992-93) - Gauges & Indicator Lights: Low Oil Light, Low Washer Light, Service Reminder Light, Transmission Oil Light, Brake Warning Light, Anti-Lock Brake Warning Light, Fuel Pacer Light, 4WD Indicator Light, Malfunction Indicator Light, Warning Buzzer, Overdrive Switch 5 Amp (Tan) (1994-96) - Transmission Oil Temperature Lamp, 4WD Lamp, Overdrive Module Seat Belt Warning Buzzer.
17 - (Blank)
18 - (Blank)
19 - (Blank)
20 - Not Used (1992-93) 25 Amp (Natural) (1994-96) - Fog Lamps and Off Road Lamps
21 - Turn Signal Flasher
22 - Time-Delay Relay
23 - Horn Relay
24 - Hazard Flasher
25 - Warning Buzzer
26 - Not Used (1992) - ABS Light Relay (1993-96)


Check out the diagrams (Below). Please let us know if you need anything else to get the problem fixed.

Cheers
Sep 19, 2020 at 2:11 PM (Merged)
Avatar
ERKMAN34
  • MEMBER
  • 3 POSTS
When I turn the ignition key into the on position the fuse box under the hood on the drivers side makes a clicking noise. The truck will not start until the clicking noise stops. On colder days I have to wait for over twenty minutes for the clicking noise to stop. Anyone know whats going on here? Thanks.
Sep 19, 2020 at 2:11 PM (Merged)
Avatar
JACOBANDNICKOLAS
  • CERTIFIED EXPERT
  • 110,175 POSTS
It sounds like a bad relay. If you feel the top of the relays, you should be able to feel the clicking. Try replacing that relay. You should be able to switch it out with another one from the box. Just make sure the part number is the same.

Let me know if you have questions.

Joe
Sep 19, 2020 at 2:11 PM (Merged)
Avatar
ERKMAN34
  • MEMBER
  • 3 POSTS
Yes, I can feel the clicking noise when I put my finger on the auto shut down relay and the fuel pump relay. When I pull both of them out the noise stops. I have switched the relays around (all have same part number) and still the clicking noise was still happening. I also bought new relays and still nothing, the fuse box still makes the clicking noise. I live in Massachusetts, so now the truck will not start at all because it is so cold. The fuse box still starts to click but it will not stop now because it is so cold.
Any other ideas? Thanks.
Sep 19, 2020 at 2:11 PM (Merged)
Avatar
RAMORRIS5420
  • MEMBER
  • 1 POST
I am having the exact same problem with my 1995 Jeep Wrangler. If you have found out any new information please post it.
Sep 19, 2020 at 2:11 PM (Merged)
Avatar
FIXTHISPILE
  • MEMBER
  • 3 POSTS
Having the same issue! Any luck in a fix? year same exact problem. Thanks anyone for response.
Sep 19, 2020 at 2:11 PM (Merged)
Avatar
WILLCANEL
  • MEMBER
  • 1 POST
I need a diagram of the fuse box
Sep 19, 2020 at 2:11 PM (Merged)
Avatar
SEVAG P
  • CERTIFIED EXPERT
  • 405 POSTS
Hello thanks for using 2CarPros. Check the attached picture for fuse box diagram. Check out the diagrams (Below). Please let us know if you need anything else to get the problem fixed. thank you
Sep 19, 2020 at 2:11 PM (Merged)