If your 1992 Dodge Dakota is not getting any spark to the coil or the crank angle sensor, there are several potential causes for this issue. Here are some steps you can take to diagnose and possibly resolve the problem:
Check the Ignition Fuse and Relays: Locate the ignition fuse and relays in the fuse box and check if any of them are blown or faulty. Replace any damaged fuses or relays.
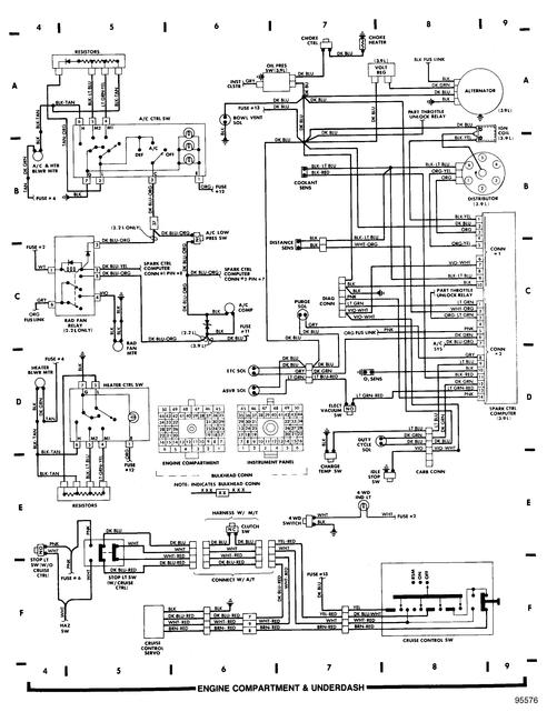
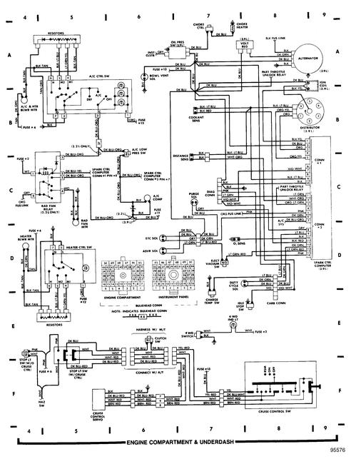
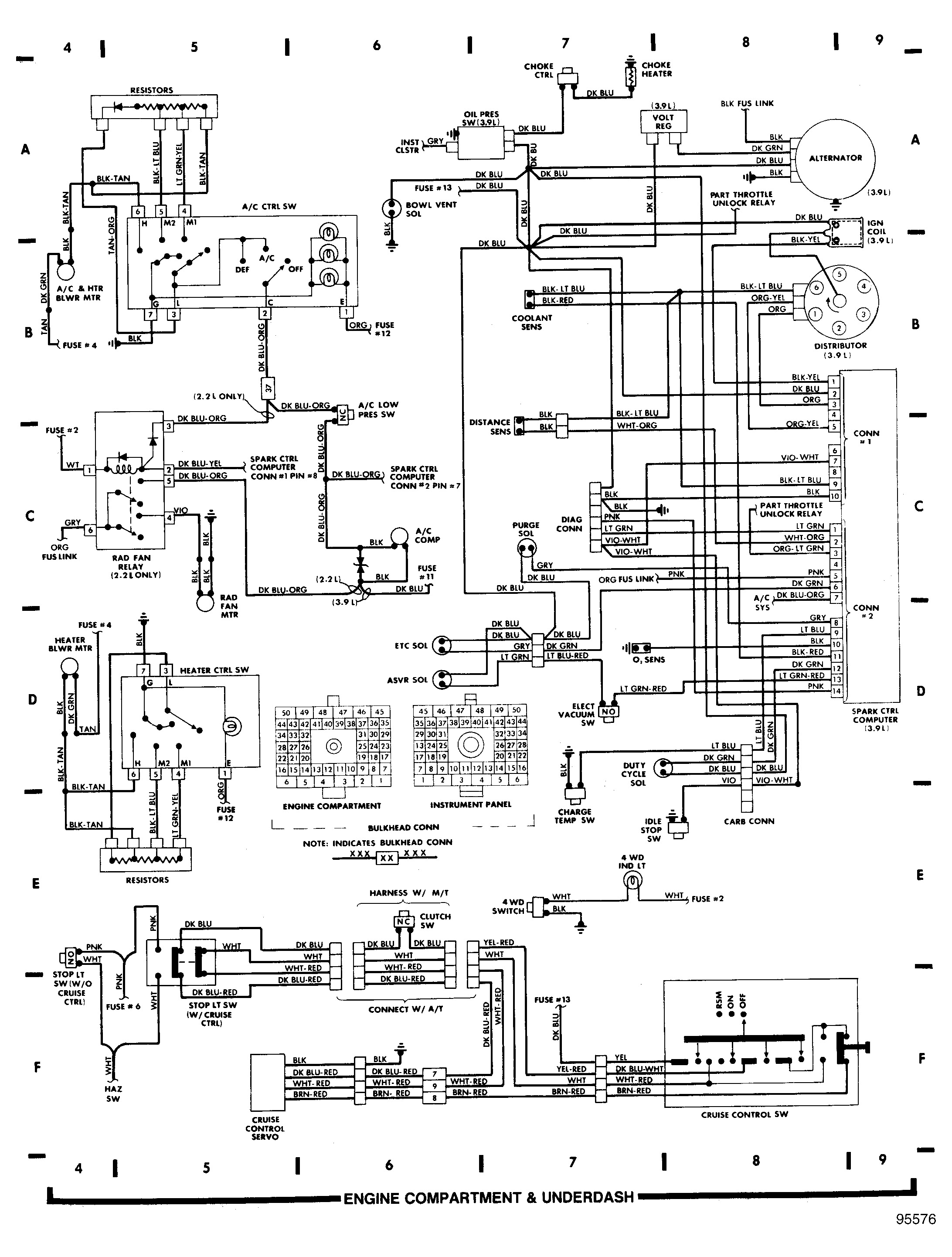
Inspect the Wiring: Inspect the wiring going to the ignition coil, crank angle sensor, and other related components for any damage, fraying, or loose connections. Corroded or damaged wires can disrupt the electrical signal and prevent spark generation.
Test the Ignition Coil: Use a multimeter to test the ignition coil's primary and secondary circuits for continuity. A faulty ignition coil may not be able to generate spark.
Check the Crank Angle Sensor: Verify that the new crank angle sensor is compatible with your Dakota and installed correctly. Sometimes, aftermarket sensors may not function correctly or need specific adjustments.
Test the Crank Angle Sensor Signal: Use a multimeter or an oscilloscope to test the crank angle sensor's output signal while cranking the engine. It should produce a fluctuating voltage signal.
Inspect the Distributor Cap and Rotor: If your Dakota has a distributor-based ignition system, check the distributor cap and rotor for cracks, carbon tracks, or excessive wear. Replace them if necessary.
Verify the Engine Grounds: Ensure that all engine grounds are clean and secure. Poor grounding can cause electrical issues, including no spark.
Check for a Faulty ECM/PCM: The Engine Control Module (ECM) or Powertrain Control Module (PCM) could be faulty, preventing spark delivery. This would require diagnostic testing with specialized equipment.
Security System Malfunction: If your Dakota has a factory-installed security system, it may be inhibiting spark delivery. Check if the security light is on or if there are any security-related fault codes.
Jul 30, 2019 at 1:16 PM
(Merged)