check engine light won't come on

1992 DODGE DAKOTA
Avatar
RHB52
  • MEMBER
  • 3 POSTS
6 cyl Four Wheel Drive Automatic

I have a 1992 Dodge Dakota and the check engine light won't come on and won't start. Already put a new fuel filter and fuel pump on it and checked fuses and relays.Can't figure out whats wrong.
Sep 24, 2010 at 8:57 PM
Advertisement
Avatar
JACOBANDNICKOLAS
  • CERTIFIED EXPERT
  • 110,175 POSTS
Hello,

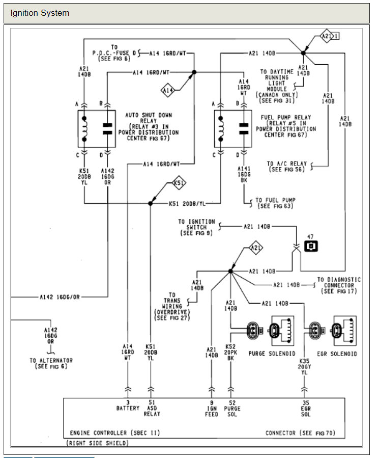
This sounds like you have an auto shut down relay that is having a problem here is a guide and a wiring diagram so you can see how the system works and a guide to help you test the relay.

https://www.2carpros.com/articles/how-to-check-an-electrical-relay-and-wiring-control-circuit

Do that and let me know what you find.

Joe
Sep 24, 2010 at 11:18 PM
Avatar
RHB52
  • MEMBER
  • 3 POSTS
Like i said check engine light does not come on. Cant get any codes when it don't come on. I will check the relay tonight
Sep 25, 2010 at 12:44 AM
Advertisement
Avatar
JACOBANDNICKOLAS
  • CERTIFIED EXPERT
  • 110,175 POSTS
On these vehicles, the light doesn't need to come on. I have owned Dakotas for years. Presently I have a 93. Sold my 92 to get an extended cab.

This guide will help

https://www.2carpros.com/articles/retrieve-trouble-codes-for-chrysler-dodge-plymouth-odb1-1995-and-earlier-car-mini-van-and-light-trucks


Unlike the newer vehicles, the light can be off and codes still be stored in the computer. If you have already tried the process, let me know.

Joe
Sep 25, 2010 at 1:01 AM
Avatar
RHB52
  • MEMBER
  • 3 POSTS
I was trying to check the codes to see what the problem is but when I replaced the relay the system came back to life now everything is running great! thanks for your help this site rocks.
Sep 25, 2010 at 1:06 AM
Avatar
JACOBANDNICKOLAS
  • CERTIFIED EXPERT
  • 110,175 POSTS
Use 2CarPros anytime, we are here to help. Please tell a friend.

Cheers
Sep 26, 2010 at 12:46 AM