6 cyl Two Wheel Drive Automatic 52000 miles
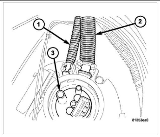
Can you tell me where is the fuel filter on a 2007 dodge charger?
Can you tell me where is the fuel filter on a 2007 dodge charger?
Oct 23, 2009 at 11:06 PM













