cruise control not working?

2005 DODGE CARAVAN
60,000 MILES • 6 CYL • 2WD • AUTOMATIC
Avatar
DHIBL2
  • MEMBER
  • 2 POSTS
My cruise control is not working. I replaced the fuse and no help. every time I remove this fuse It works for a little while. can you help ? Is the a relay that is involved and which one. Thank you

Doug
Aug 12, 2010 at 11:57 AM
Advertisement
Avatar
JACOBANDNICKOLAS
  • CERTIFIED EXPERT
  • 110,175 POSTS
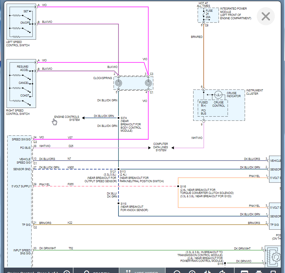
It sounds like the clock spring in the steering wheel is going out which is common. here is a wiring diagram so you can see how the system works and a guide to show you how to replace the clock spring.

https://www.2carpros.com/articles/steering-wheel-clock-spring-removal

Check out the diagrams (Below). Please let us know what happens.

Cheers
Aug 12, 2010 at 3:58 PM
Avatar
DHIBL2
  • MEMBER
  • 2 POSTS
I got the part for $78.00 and installed it all fixed. Doug
Aug 12, 2010 at 6:33 PM
Advertisement
Avatar
RICYBOY
  • MEMBER
  • 1 POST
Horn is fine. Need help, cannot find any fuse for it.
Sep 21, 2020 at 7:31 PM (Merged)
Avatar
KASEKENNY
  • CERTIFIED EXPERT
  • 18,907 POSTS
Assuming that because you said the horn is fine, your switch is operating and the cluster shows the cruise is on but it just doesn't engage?

If this is the case, the issue is most likely the brake switch or the servo.

I attached a bunch of info. The main thing we need to check is if the brake switch plunger is sticking. This means the PCM thinks the brakes are being depressed even when they are not. Usually it is not enough to turn the brake lights on but this is the most likely cause. If it were me, I would replace the brake switch and go from there.
Sep 21, 2020 at 7:31 PM (Merged)
Avatar
CRISHLAVOR
  • MEMBER
  • 2 POSTS
My Dodge has recently been having a lot of problems and rather than fixing each individual problem, I am wondering if they are connected. First my Cruise control stopped working then months later, my A/C, heating started to only work on high, no other level works. Then several weeks later, when I start my vehicle, nothing works...Air, radio, wipers, windows (headlights and interior lights DO work...) after several minutes everything turns back on again--we did have the ignition replaced about 2 months before this problem started. Now, when driving the transmission seems not to be shifting, but not all the time, sometimes stopping the car and sitting for while, then restarting fixes this problem. I am desperate!! Please tell me what is wrong and how to fix!! Thanks!!!!
Sep 21, 2020 at 7:31 PM (Merged)
Avatar
JACOBANDNICKOLAS
  • CERTIFIED EXPERT
  • 110,175 POSTS
Most sound related. The blower motor (heat / AC) is most likely a problem with the blower motor resister. As far as the other problems, the new ignition switch may not be properly adjusted. Has the check engine light ever come on?
Sep 21, 2020 at 7:31 PM (Merged)
Avatar
CRISHLAVOR
  • MEMBER
  • 2 POSTS
Yes, the check engine light has come on and I did take it to Auto Zone yesterday to do free analysis and it came back as a faulty speed sensor. And they think that the problem with the blower and with everything not working when I initially start the car is actually a fuse....What do you think?? I am not able to fix the problems until pay day (in a few days), and I really hope that it is as simple as the employee from Auto Zone is suggesting, if so it should only cost around $60.00 to fix everything...
Sep 21, 2020 at 7:31 PM (Merged)
Avatar
JACOBANDNICKOLAS
  • CERTIFIED EXPERT
  • 110,175 POSTS
THe vehcle speed sensor could cause some of the problems you have experienced. However, if a fuse was bad, the blower motor wouldn't work on any speed.
Sep 21, 2020 at 7:31 PM (Merged)
Avatar
GROBIEO2L
  • MEMBER
  • 1 POST
I have recently experianced problems with the cruise control/horn/air bag indicator light on my 2000 Dodge Caravan.

When turning a corner the air bag indicator light periodically comes on then goes off after a short time. The horn and the cruise control have stopped working. Can anyone offer suggestions for a place to start looking to resolve these problems?
Sep 21, 2020 at 7:32 PM (Merged)
Avatar
SERVICE WRITER
  • CERTIFIED EXPERT
  • 9,123 POSTS
My speculation:

Would check basics such as the fuse for the cruise. I would suspect that it is blown because of a short in the steering column. just a guess
Sep 21, 2020 at 7:32 PM (Merged)
Avatar
LEN4090
  • MEMBER
  • 1 POST
I have an older caravan and want to add cruse control to a newer 1999 model. If the older cruse control will not work, will a unit from a newer dodge work ?
Sep 21, 2020 at 7:32 PM (Merged)
Avatar
CARADIODOC
  • CERTIFIED EXPERT
  • 34,306 POSTS
What do you mean by "older". Older than a '99 or your '99 model is older? If your '99 does not have factory-installed cruise control, the dealer has a complete kit that includes everything needed. Adding it used to be a miserable job but now all the connectors are already there so you basically plug things in, at least that's how it was on the '95 and older models. I don't THINK you will have to switch the Engine Computer and I'm not aware of any programming it will need.

You will need to replace the brake light switch, steering wheel, and the clock spring under the steering wheel. That is a wound-up ribbon cable in a plastic housing. The new one will have two extra circuits for the set of cruise control switches.

You'll have to add the servo under the hood. The connector will most likely be hanging in the area.
Sep 21, 2020 at 7:32 PM (Merged)
Avatar
OMONTES7
  • MEMBER
  • 3 POSTS
Cruse Control Stopped Working All the light indicators are on, but it does not engage. Could it be a fuse or something else?
Sep 21, 2020 at 7:32 PM (Merged)
Avatar
CARADIODOC
  • CERTIFIED EXPERT
  • 34,306 POSTS
Hold up the brake pedal with your foot. It the cruise works, check the adjustment of the brake light switch. if okay 9 times out of 10 it is the clock spring behind the steering wheel. Also lets check the fuses first. Here is a guide and the fuse location.

https://www.2carpros.com/articles/how-to-check-a-car-fuse


Check out the diagrams (Below). Please let us know what happens.
Sep 21, 2020 at 7:32 PM (Merged)
Avatar
OMONTES7
  • MEMBER
  • 3 POSTS
Hold up the break pedal while idling or with the van off, Or while driving, I'm getting a test light for the fuse
Sep 21, 2020 at 7:32 PM (Merged)
Avatar
CARADIODOC
  • CERTIFIED EXPERT
  • 34,306 POSTS
While you're driving when the cruise control should work which is typically above 35 mph.
Sep 21, 2020 at 7:32 PM (Merged)
Avatar
OMONTES7
  • MEMBER
  • 3 POSTS
Thanks Very Much is was the fuse :)
Sep 21, 2020 at 7:32 PM (Merged)
Avatar
CARADIODOC
  • CERTIFIED EXPERT
  • 34,306 POSTS
Good to hear, please use 2CarPros anytime we are here to help.
Sep 21, 2020 at 7:33 PM (Merged)
Avatar
JIM WHITAKER
  • MEMBER
  • 1 POST
Cruise control and horn quit working on trip yesterday
Sep 21, 2020 at 7:33 PM (Merged)
Avatar
CARADIODOC
  • CERTIFIED EXPERT
  • 34,306 POSTS
Hi Jim Whitaker. Welcome to the forum. Suspect a broken "clock spring" under the steering wheel. It's a wound up ribbon cable inside a housing. Soon the air bag light will come on too as it also has a pair of circuits going through the assembly.

caradiodoc
Sep 21, 2020 at 7:33 PM (Merged)
Avatar
SCOYBOY
  • MEMBER
  • 10 POSTS
That IS A RECALL by the way-and there will be many more recalls coming when Im done with DODGE. They'll suggest you get Body Module Reprogramed after numerous other faults occur. DONT DO IT-its a PLOY to solve their own system faults with OUR MONEY. Check the LEMON NEWS (Law). The manufacturer needs to solve these issues-just look at the consistencies of all the problems on the Forums-they arent all coincidences!!!!
Scoyboy
Sep 21, 2020 at 7:33 PM (Merged)
Avatar
DRIVEBY
  • MEMBER
  • 1 POST
cruise control will not work
Sep 21, 2020 at 7:33 PM (Merged)
Avatar
ZACKMAN
  • CERTIFIED EXPERT
  • 4,202 POSTS
Is the light for the cruise control turn on?

Check the operation of your brake light. Are they working?

Is the speedometer working?
Sep 21, 2020 at 7:33 PM (Merged)
Avatar
JESSICACANNING
  • MEMBER
  • 1 POST
Hi. We have been having some electrical problems with our van for a while now. Current problems: no gauges (no fuel, speedometer, odometer, gear selector), controls on steering wheel for cruise control not working (or even light up), push buttons for cooling/heating or back wipers not working. All of these problems started at the same time as well as the ABS light came on and so did the Service Engine soon light came on. The indicators work, as does the headlights, break lights, rear lights. The bulbs that light up the instrument cluster also work. The radio and cassette player both still work. We have disconnected and reconnected the battery, cleaned the battery, checked all fuses, removed instrument cluster and resoldered joints on back. Do you have any suggestions on what we can do? Thank you very much.
Sep 21, 2020 at 7:33 PM (Merged)
Avatar
HMAC300
  • CERTIFIED EXPERT
  • 48,601 POSTS
have the battery checked for condition first including a load test. alot of times that's what causes this. check all your fuses underhood and in car and check ground in steering column. your clock spring in steering wheel could be bad as well for radio problem.
Sep 21, 2020 at 7:33 PM (Merged)
Avatar
GLENFRANC
  • MEMBER
  • 2 POSTS
Hi I have a 2000 dodge Caravan 3.0 134000 miles and last week it wouldnt start , turned out to be a dead battery, ok, i replaced it and now the cruise control stopped working, not even the light works and also the horn. is it possiable that id have to get it re programmed after i had replaced a dead battery? Or what are some of the things i could try?? Also my air bag indicator light will come on and flash off????
Sep 21, 2020 at 7:36 PM (Merged)
Avatar
E40WATER12
  • CERTIFIED EXPERT
  • 522 POSTS
You could trying doing this, Unhook youre neg post terminal on youre battery for 5-10 mins, Then re-connect it see if it corrects the problem, If not, I would take a look at all youre fuses.

Good Luck.
Sep 21, 2020 at 7:36 PM (Merged)
Avatar
MIKER1001
  • MEMBER
  • 2 POSTS
Just had mine fixed.
the horn did not work nor did the cruise control.

the local garage / guy I trust / not dealer
replaced a "clock spring" in the steering colume

cost about $180.00 canadian for the part can't recal labor as it was with other work done

also just read somewhere that it was a warranty problem and MAYBE COULD HAVE HAD THE DEALER REPAIR NO CHARGE??
Sep 21, 2020 at 7:36 PM (Merged)
Avatar
L_BOURGON
  • MEMBER
  • 4 POSTS
If you go see the dealer they change yhe clock spring for free its a life time warranty by Chrysler Daimler. I ve got mine done and my van have 384000km.No Charge.
Sep 21, 2020 at 7:36 PM (Merged)