Where are my fuses for the headlights

2004 DODGE CARAVAN
60,000 MILES • 6 CYL • 2WD • AUTOMATIC
Avatar
SAMDANGAR
  • MEMBER
  • 1 POST
My brake and turning lights wont come up, and I cant find the right fuse for them, to see if I have a blown fuse- it is not in the main fuse box, do you know where are they located?
Sep 15, 2010 at 4:25 PM
Advertisement
Avatar
KASEKENNY
  • CERTIFIED EXPERT
  • 18,907 POSTS
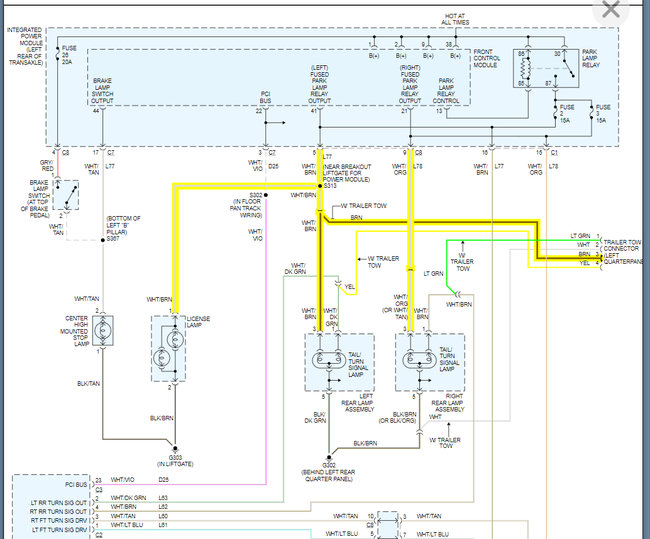
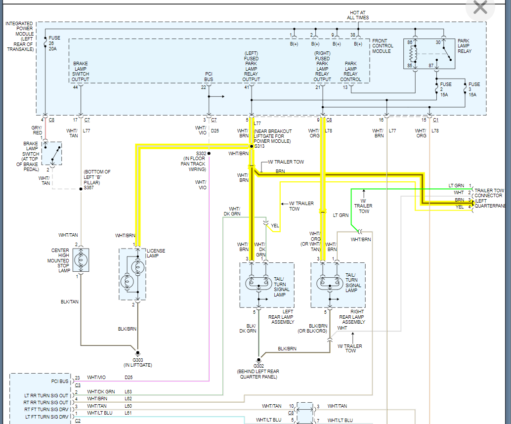
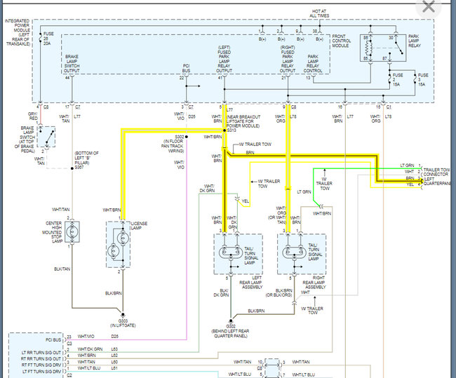
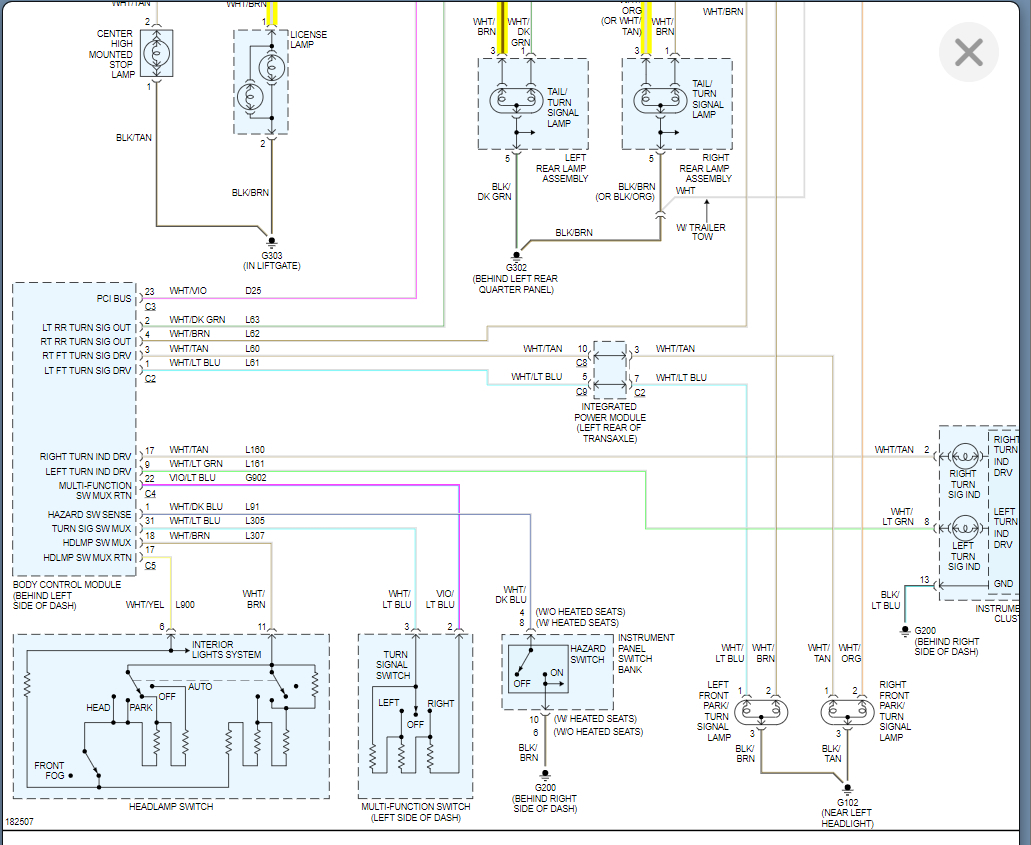
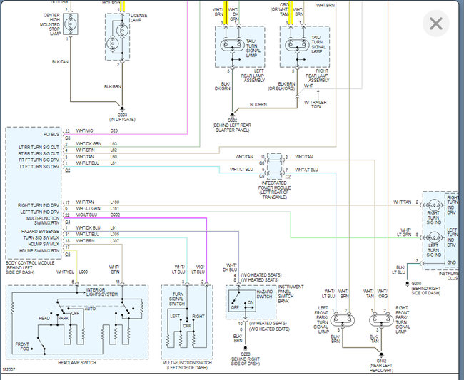
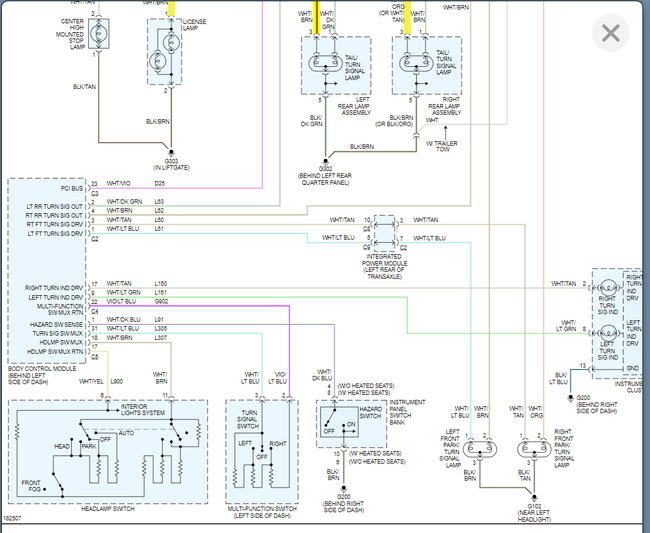
You do not have a fuse directly for these lamps. This vehicle has what is called an integrated power module which is basically a circuit board that controls the lamps.

What I would do is check the voltage at the lamps coming off the circuit board of the IPM and if there is none then you need to replace it.

https://www.2carpros.com/articles/how-to-check-wiring

I am attaching the wiring diagram and the process to replace it below.

Please run through this and let us know what you find. Thanks
Oct 6, 2021 at 4:23 PM