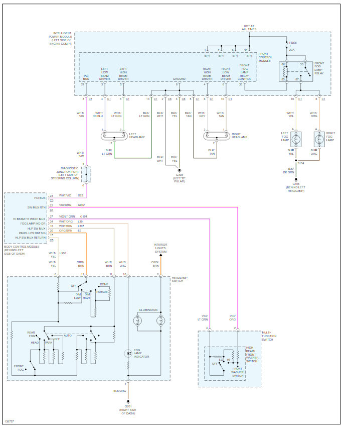
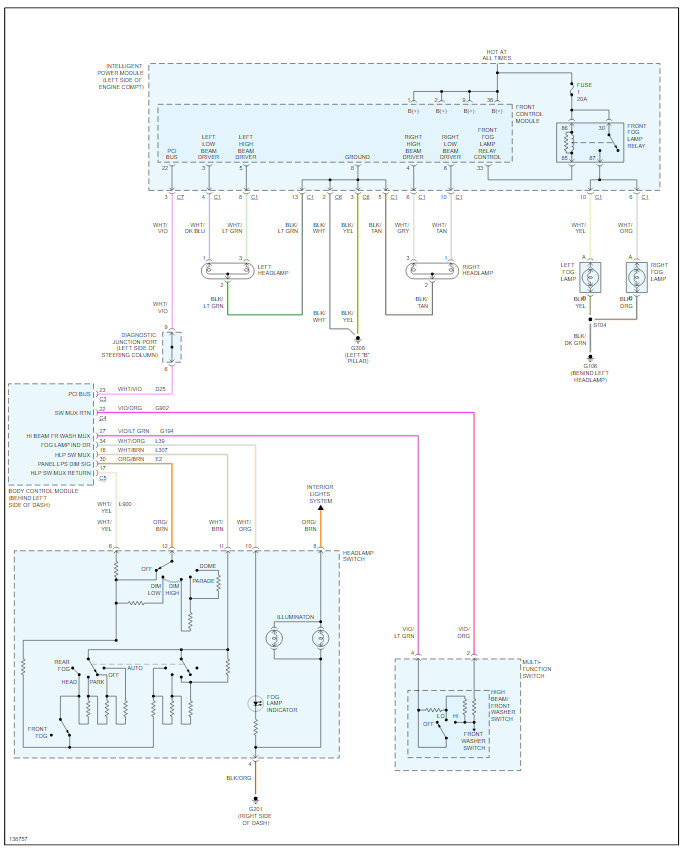
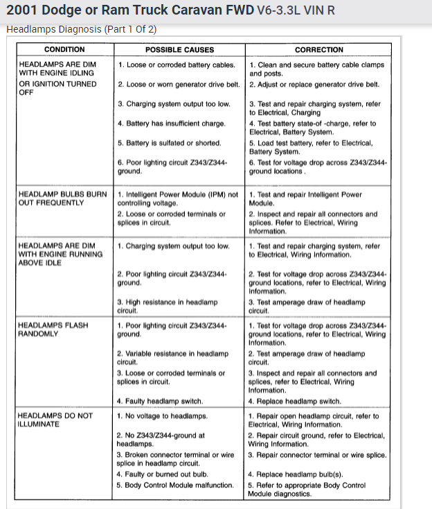
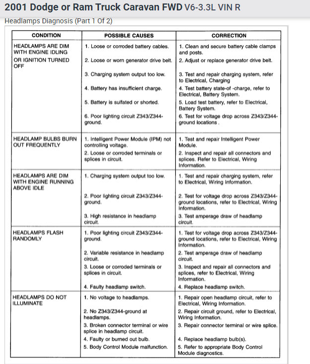
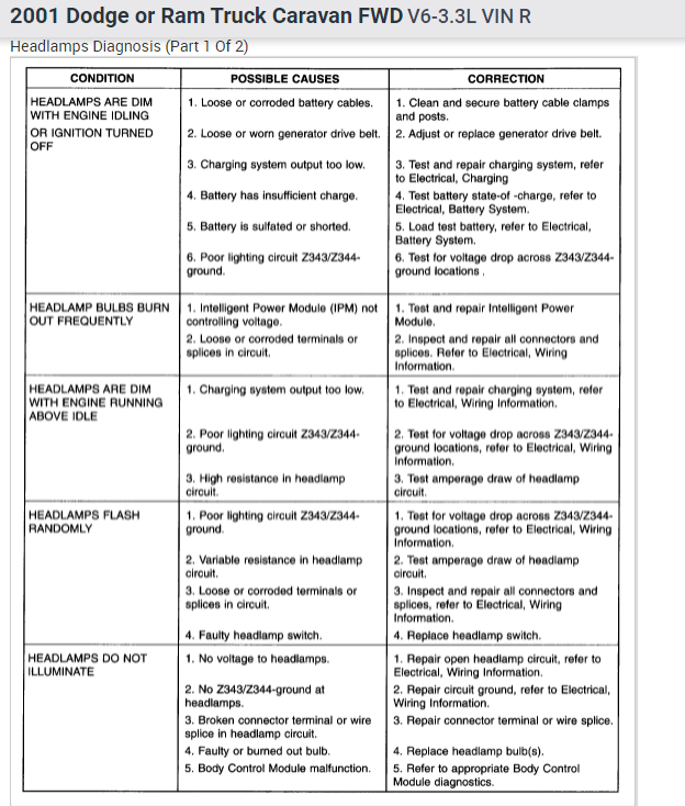
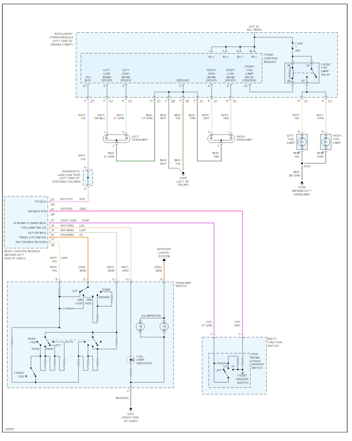
My headlights alternate when I switch them. my daytime running light on the driver side will be on, then when I put the low beams on the passenger side comes on and the driver side goes off. When I go to high beam they switch again with the driver side on and the other off. Where can I find the relay and how do I change it.
Aug 7, 2010 at 8:52 AM


