Front and rear lights flashing, horn sounds

1999 DODGE CARAVAN
Avatar
NOELINWI
  • MEMBER
  • 2 POSTS
My Caravan sat idle for ~19 months, replaced battery today. Now the horn beeps, the headlights and tail lights flash. I hear the relays clicking but have no idea of why? Has anyone encountered this?
Mar 22, 2010 at 4:28 PM
Advertisement
Avatar
KASEKENNY
  • CERTIFIED EXPERT
  • 18,907 POSTS
This is due to the theft system being activated after the new battery was installed.

Basically, when the battery is completely drained, and you connect a new battery there is logic in the control module to make it think someone is trying to steal the vehicle. So, we need to disarm the system and here is a guide that will help with this.

https://www.2carpros.com/articles/how-to-reset-a-security-system

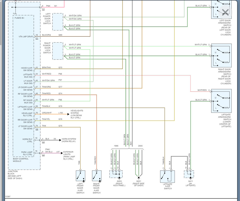
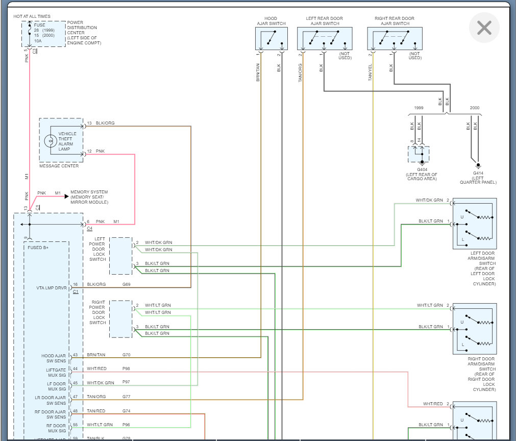
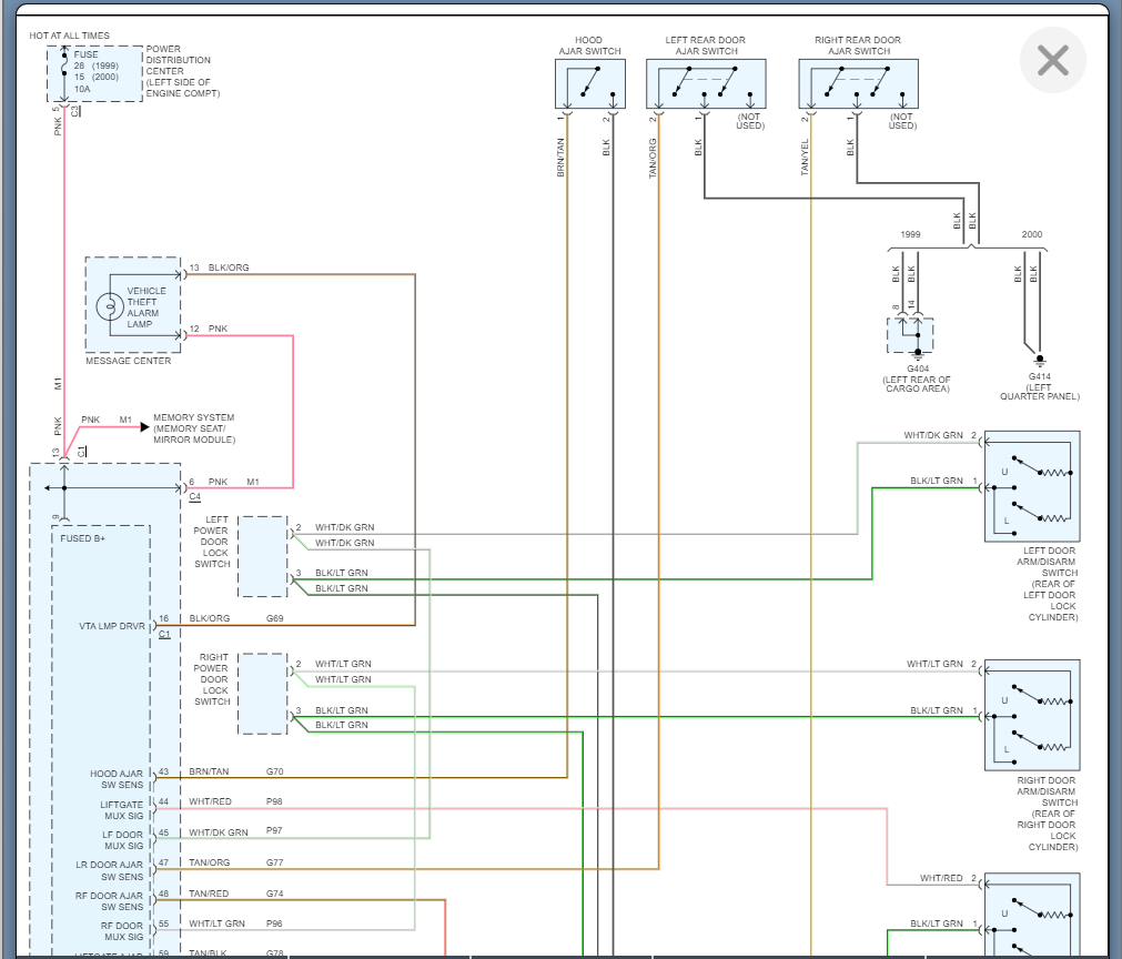
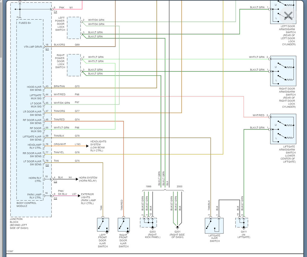
Below you will find the wiring diagram that will also help with this as we need to suspect the BCM is the issue if you are not able to disarm it.

Basically, we need to check the inputs to the system and find out if any are telling the BCM that the alarm should be on.

https://www.2carpros.com/articles/how-to-check-wiring

Basically, we need to check the voltage on the arm disarm switch and make sure it is telling the BCM to turn off.

Please run through this info and let me know what you find. Thanks
Dec 10, 2021 at 12:52 PM