Speaker wiring diagrams

1997 DODGE CARAVAN
Avatar
DAVIDCOPPAFEEL
  • MEMBER
  • 1 POST

I am having trouble installing an aftermarket stereo to the infinity speakers without the factory amp. I need to know what the color codes are for the front 6x9 speakers. There are 4 wires, not just 2
May 18, 2009 at 2:38 PM
Advertisement
Avatar
BMRFIXIT
  • CERTIFIED EXPERT
  • 19,053 POSTS
I have attached the wiring diagrams below for both the premium system and the base system since I don't know which you have

May 18, 2009 at 9:01 PM
Avatar
CHRIS888
  • MEMBER
  • 2 POSTS
I installed an after market deck in my van.Everything works fine with the radio except the actual am fm.Theres a blue wire on the deck itself that needs to be connected to antenna or equilizer...Where do I hook up that wire so I get radio?
also... my power locks,headlights and dome lights now only work when the key is in the on position.Are there wires associated in that harness that go with these?

thanks and hope u can help!!
chris
Mar 25, 2019 at 11:33 AM (Merged)
Advertisement
Avatar
CARADIODOC
  • CERTIFIED EXPERT
  • 34,306 POSTS
For the interior lights, suspect a blown fuse. Check those first. 2000 was right in the middle of when they switched over to the newer plug style. Do you have the older two plugs, a gray one and a black one, or do you have the newer single gray plug with two rows of terminals? The older plugs were used with the square-faced radios. The Mitsubishi-built CD / cassette combo radios were REAL high quality and are very popular for upgrades. If you have the newer plug, you'll have a radio that had rounded corners on the face plate. Some of those radios used the two separate plugs too.

You said "everything works" but the radio reception doesn't. Does that mean you do have sound on some functions but not with the radio, or is there no sound at all? Do you know if you had the Infinity system with the remote amplifier?
Mar 25, 2019 at 11:33 AM (Merged)
Avatar
CHRIS888
  • MEMBER
  • 2 POSTS
Yes it is the 2 plug harness. One black. One gray. .its not the infinity radio. Its the old square one with tape deck..

I connect anrenna wire and het noise but no stations work..works fine with cd and aux...
Mar 25, 2019 at 11:33 AM (Merged)
Avatar
CARADIODOC
  • CERTIFIED EXPERT
  • 34,306 POSTS
You have an issue with the antenna, most likely with the plug on the end of the cable, or a problem in the radio. Try your old radio again. If the stations come in, especially the AM stations, the problem is in the new radio.

Unlike home stereos, car radios must have a good antenna to get good reception. If you suspect the antenna, poke a small screwdriver, pick, or piece of wire into the antenna jack and you'll get good reception from local stations.
Mar 25, 2019 at 11:33 AM (Merged)
Avatar
GCOUPE
  • MEMBER
  • 4 POSTS
Electrical problem
2001 Dodge Caravan 6 cyl Two Wheel Drive Automatic

There is a single wire connector that goes into the back of the factory stereo that is white with a purple stripe. What does this wire power or go to on the factory stereo (mine has AM/FM CD & Cassette). Thanks!
Mar 25, 2019 at 11:33 AM (Merged)
Avatar
CARADIODOC
  • CERTIFIED EXPERT
  • 34,306 POSTS
That's for steering wheel controls if you have them. Your radio is a very high quality unit made by Mitsubishi for Chrysler vehicles. It will work just fine with nothing plugged into that 2-pin connector.

If you're downgrading to a cassette player or an aftermarket radio, that wire can just stay in the dash not connected to anything.
Mar 25, 2019 at 11:33 AM (Merged)
Avatar
GCOUPE
  • MEMBER
  • 4 POSTS
Thank you for this helpful answer! I've been doing a lot of searching...and came up with nothing, until now.
Mar 25, 2019 at 11:33 AM (Merged)
Avatar
GCOUPE
  • MEMBER
  • 4 POSTS
Caradiodoc,

I've installed an aftermarket stereo in this 2001 Grand Caravan with the Infinity Speakers. Everything is working great except theres no sound coming from the speakers. I was told that the Infinity Speakers each have their own amp. How do I get power to these speakers and get the sound to come out with this aftermarket stereo?
Mar 25, 2019 at 11:33 AM (Merged)
Avatar
CARADIODOC
  • CERTIFIED EXPERT
  • 34,306 POSTS
This was answered in another post, but here's a copy and paste version for our friends searching for the answer to this problem:

The amps get 12 volts from a relay that was turned on by a "Switched 12 volt" terminal in the black connector. If you removed a cd / cassette combo radio, these are made by Mitsubishi and are very high quality. The amplified speakers are too. I just bought a dozen from the junkyard.

All Chrysler radios put out speaker level output to run speakers directly without the need for an amplifier. Eliminates the confusion found in GM and Ford systems. Rather than having dozens of different radios, like GM, Chrysler uses the speakers to modify tone response to the shape of the vehicle, not to affect volume.

Any high quality aftermarket radio will have a switched 12 volt wire that is used for a power antenna or remote amp. That wire is often blue. It must be tied to the wire at the end of the black connector, furthest away from the keyway. It could be dark green with a red stripe, but the colors might change from year to year.

If your radio doesn't have a switched 12 volt wire, connect the relay wire from the black connector to the 12 volt power wire from the ignition switch. The car's wire will be red with a white stripe and was the second from the keyway end of the gray plug. This wire turns off with the ignition switch. Don't use the pink wire from the car's harness; that stays on all the time for station and clock memory. Using this wire will run the battery down overnight.

If you still don't have sound after connecting the amp relay wire, be sure you're using the speaker wires of the new radio, not the RCA outputs, if you have them, because those are very low level output and won't run speakers directly. I don't think that's your problem, however, since a different speaker worked.

You should also be aware that the original radio in this system did not put out much bass; that was made up in the speaker amps. Using a non-Infinity radio can result in a lot of bass so don't be surprised if you have to turn the bass all the way down to make it sound decent.

caradiodoc
Mar 25, 2019 at 11:33 AM (Merged)
Avatar
FATHEROF4
  • MEMBER
  • 4 POSTS
If you could direct me to a color diagram for the schematics of the wiring and any info that i have a 2003 dodge caravan sport 3.8, and want to install a aftermarket stereo. when i took out the old radio i seen a big mess of wires all spliced in multiple spots and different color wire that wont match the harness i bought, i even went to a scrap yard and couldnt find what i needed.

Please help my wife is gonna kill me if she sees the dash like this
Mar 25, 2019 at 11:33 AM (Merged)
Avatar
CARADIODOC
  • CERTIFIED EXPERT
  • 34,306 POSTS
Do you have Infinity speakers? The word "Infinity" will be on the door speaker grilles, or you'll see four wires going to each door speaker instead of just two.
Mar 25, 2019 at 11:33 AM (Merged)
Avatar
FATHEROF4
  • MEMBER
  • 4 POSTS
no its just a simple 4 speaker with out the infinity system
Mar 25, 2019 at 11:33 AM (Merged)
Avatar
CARADIODOC
  • CERTIFIED EXPERT
  • 34,306 POSTS
This is from a 2002 service manual, but Chrysler was pretty consistent over the years.

Gray / red: constant 12 volt memory
Dark blue / pink: switched 12 volts
Orange / tan: lights
Black / pink: ground
Black / light green: ground

Dark green: left door speaker +
Dark green / yellow: left instrument panel speaker +
Dark green / brown: left door speaker -
Dark green / light blue: left door speaker -

Gray: right door speaker +
Gray / yellow: right instrument panel speaker +
Gray / brown: right door speaker -
Gray / light blue: right door speaker -

Dark green / dark blue: left rear speaker +
Dark green / orange: left rear speaker -

Gray / dark blue: right rear speaker +
Gray / orange: right rear speaker -
Mar 25, 2019 at 11:33 AM (Merged)
Avatar
FURNACEBAGS
  • MEMBER
  • 1 POST
blew a fuse for the radio and cigarette lighter, but cant seem to find it. I looked in the main fuse box beside the battery, but it is not indicated.
Mar 25, 2019 at 11:33 AM (Merged)
Avatar
STRAILER
  • CERTIFIED EXPERT
  • 53,854 POSTS
Hello,

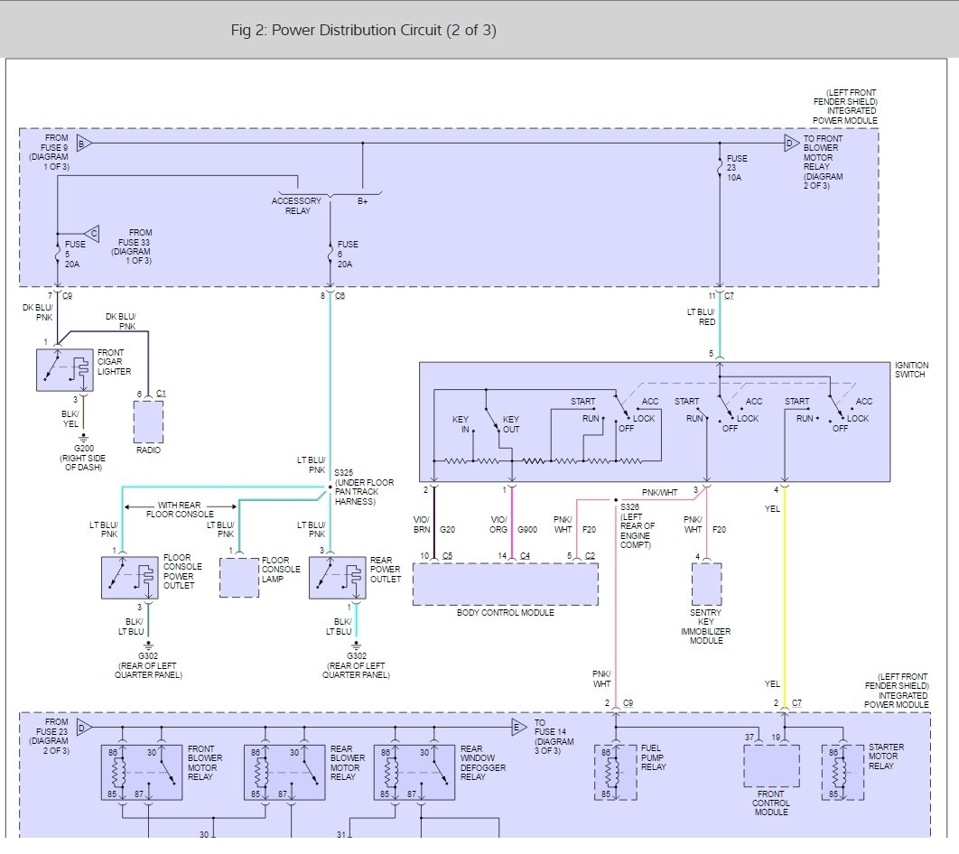
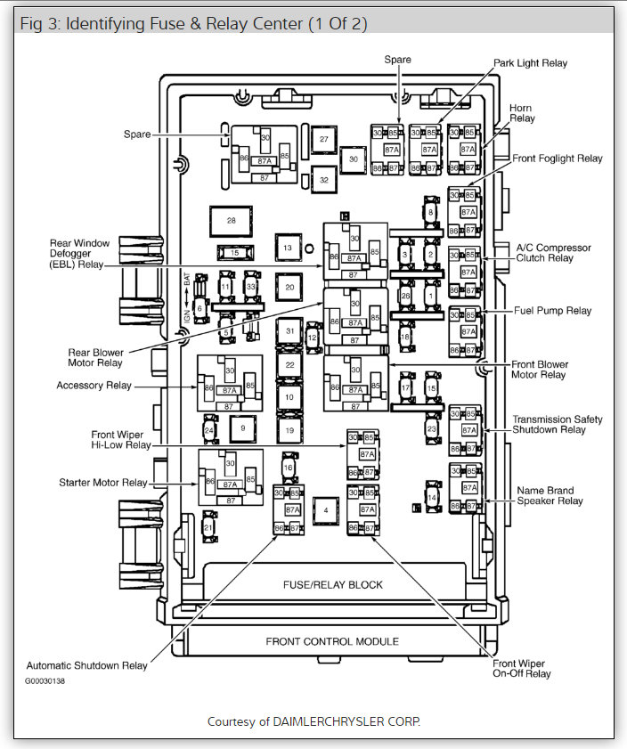
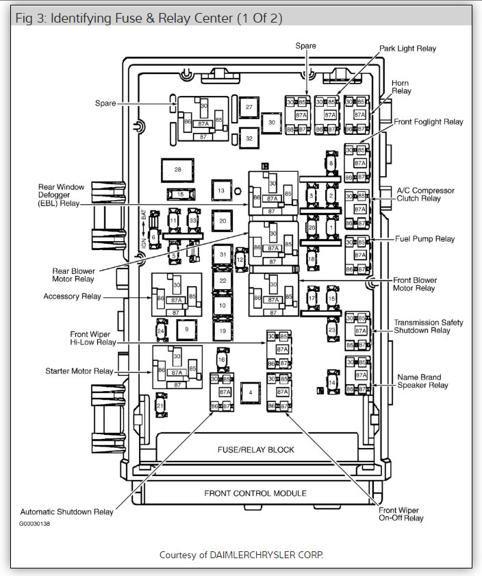
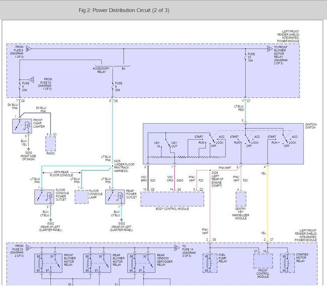
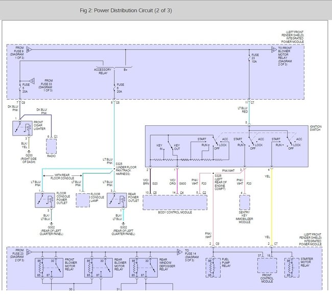
The fuse is in the TIPM under the hood fuse #5 and #6 both 20 amp. Here is guide and a wiring diagram so you can see how the system works to help you find and test the fuse.

https://www.2carpros.com/articles/how-to-check-a-car-fuse

Check out the diagrams (Below). Please let us know if you need anything else to get the problem fixed.

Cheers, Ken
Mar 25, 2019 at 11:33 AM (Merged)
Avatar
GCOUPE
  • MEMBER
  • 4 POSTS
Electrical problem
2001 Dodge Caravan Two Wheel Drive Automatic

I have installed an aftermarket radio and everything is working as it should except there's no sound coming from the speakers. This van has the original Infinity Speakers and I've learned that each speaker has their own amp. I've tested the wiring connections with another brand of speaker and the sound is coming from the new radio, but the infinity speakers aren't getting power to their amps with the way I have it hooked up. How do you get power to these speakers?
Mar 25, 2019 at 11:33 AM (Merged)
Avatar
CARADIODOC
  • CERTIFIED EXPERT
  • 34,306 POSTS
The amps get 12 volts from a relay that was turned on by a "Switched 12 volt" terminal in the black connector. If you removed a cd / cassette combo radio, these are made by Mitsubishi and are very high quality. The amplified speakers are too. I just bought a dozen from the junkyard.

All Chrysler radios put out speaker level output to run speakers directly without the need for an amplifier. Eliminates the confusion found in GM and Ford systems. Rather than having dozens of different radios, like GM, Chrysler uses the speakers to modify tone response to the shape of the vehicle, not to affect volume.

Any high quality aftermarket radio will have a switched 12 volt wire that is used for a power antenna or remote amp. That wire is often blue. It must be tied to the wire at the end of the black connector, furthest away from the keyway. It could be dark green with a red stripe, but the colors might change from year to year.

If your radio doesn't have a switched 12 volt wire, connect the relay wire from the black connector to the 12 volt power wire from the ignition switch. The car's wire will be red with a white stripe and was the second from the keyway end of the gray plug. This wire turns off with the ignition switch. Don't use the pink wire from the car's harness; that stays on all the time for station and clock memory. Using this wire will run the battery down overnight.

If you still don't have sound after connecting the amp relay wire, be sure you're using the speaker wires of the new radio, not the RCA outputs, if you have them, because those are very low level output and won't run speakers directly. I don't think that's your problem, however, since a different speaker worked.

You should also be aware that the original radio in this system did not put out much bass; that was made up in the speaker amps. Using a non-Infinity radio can result in a lot of bass so don't be surprised if you have to turn the bass all the way down to make it sound decent.

caradiodoc
Mar 25, 2019 at 11:33 AM (Merged)
Avatar
KEMILLER
  • MEMBER
  • 1 POST
Interior problem
2001 Dodge Caravan 6 cyl Front Wheel Drive Automatic 115K miles

Checked all my fuses and pulled radio out to make sure nothing was unplugged...nothing wrong on those fronts. Is there anything I'm missing or do I need a new radio
Mar 25, 2019 at 11:33 AM (Merged)
Avatar
CH112063
  • CERTIFIED EXPERT
  • 1,320 POSTS
If it lights up, it should work. Some have a seperate amp. 10 amp fuse and ground strap. RD/BK TRACER 12 VOLTS. also dimmer and display intensity. So orange and yl/bk when lights are on. Some have a BCM LEAD so another 10 amp and a mini-fuse number 47 20 amp yellow in engine compartment power distribution center fuses. And thats it.
Mar 25, 2019 at 11:33 AM (Merged)
Avatar
BMRFIXIT
  • CERTIFIED EXPERT
  • 19,053 POSTS
Since you pulled the radio out
unplug the radio connector and check for power you should have two cavities at least ,have battery power
one all the time and one with key on (I cant recall the color or the numbers and I am away from my books to check )
we just had one yesterday and the radio was no good
3rd in 7 month, is it a common thing maybe not ,but it is very possible
good luck
Mar 25, 2019 at 11:33 AM (Merged)