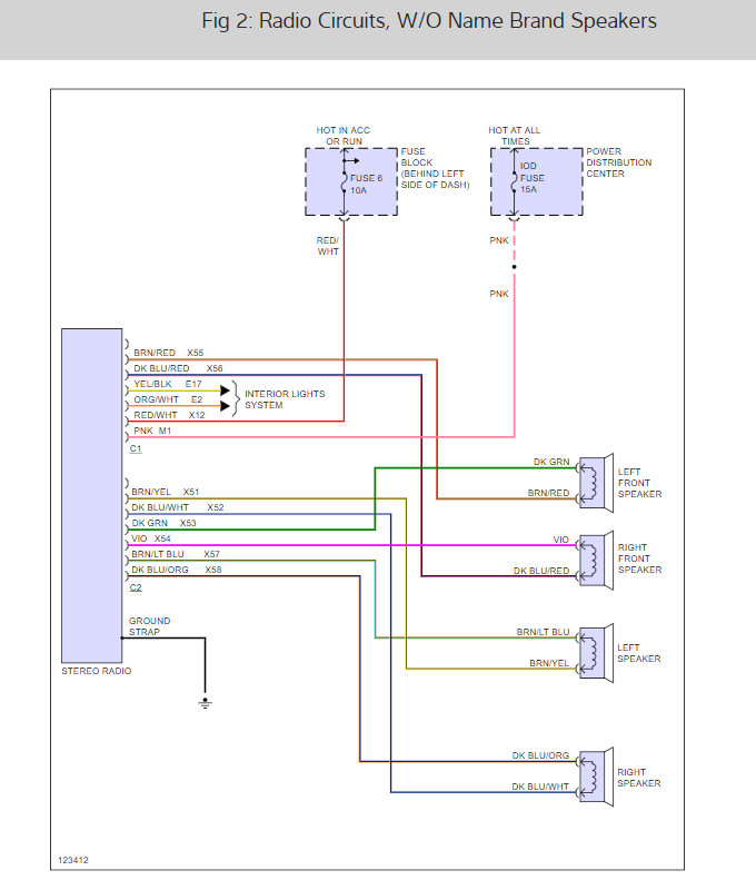
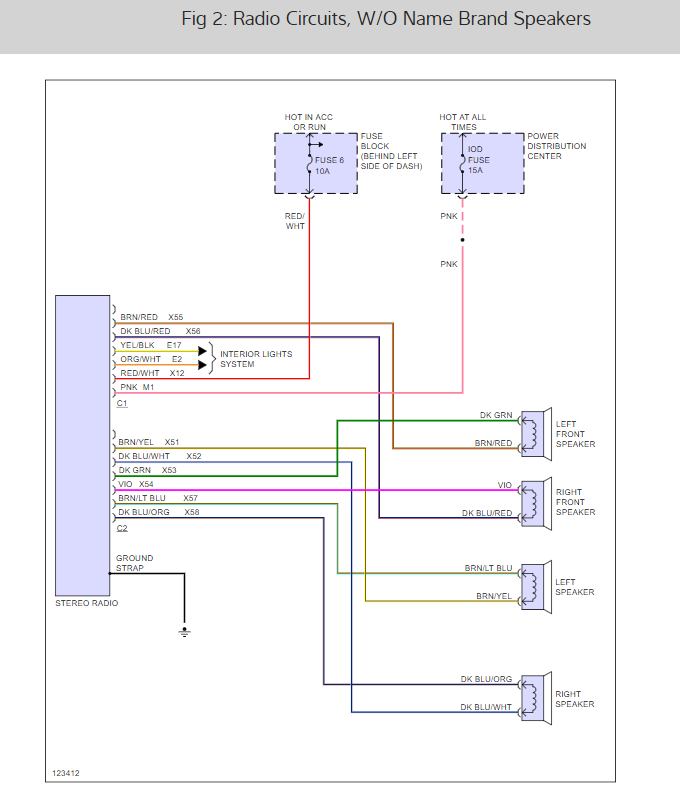
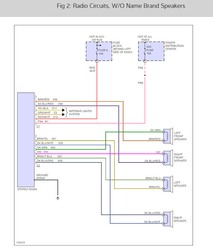
Radio wire colors

1995 DODGE CARAVAN
147,000 MILES • 6 CYL • FWD • AUTOMATIC
Avatar
ERICK
  • MEMBER
  • 1 POST
I have a Kenwood stereo/CD player that has the proper wiring, but the color of the wires from the van to the stereo are different. I need to know what colors are for what. A diagram might help, my problem is determining which ones are the power, memory, and ground from the ones that are for the speakers... If you guys could help me with this it would greatly be appreciated. Thanks...
Erick
Nov 24, 2008 at 7:14 PM
Advertisement
Avatar
BMRFIXIT
  • CERTIFIED EXPERT
  • 19,053 POSTS
Hello,

Here are the wiring diagrams for the radio in your car and a guide to help you test the connections just in case you need it:

https://www.2carpros.com/articles/how-to-check-wiring

Check out the diagrams (below). Please let us know if you need anything else to get the problem fixed.

Cheers
Nov 24, 2008 at 7:49 PM
Avatar
BLUECHIPPER
  • MEMBER
  • 7 POSTS
What parts of the dashboard and/or console do I need to remove to access the radio/clock? Are there screws, clips or both?
Sep 21, 2018 at 12:19 PM (Merged)
Advertisement
Avatar
CARADIODOC
  • CERTIFIED EXPERT
  • 34,306 POSTS
1993's are real easy, and 1995's are real hard. Sorry I canno't remember which style the 1994 is. If the escutcheon is t-shaped and has a couple of vents, (I think) right below the radio, that piece snaps off, then you'll see the two 3/8 inch screws. For the 1995 style, you start by prying up a trim strip in front of the warning light assembly. Remove the three screws that hold that light assembly in place, then unplug it. Remove a bunch of screws on the top of the dash. I think you have to pry the speaker cover up too. It goes from door to door right behind the windshield. You will have to flex it a little to slide it out.

caradiodoc
Sep 21, 2018 at 12:19 PM (Merged)
Avatar
BLUECHIPPER
  • MEMBER
  • 7 POSTS
Thank you very much. The information was exactly what I needed. It required the hard way, but your instructions worked perfectly. Speaker covers did not have to be pried up separately. Now I just have to find a used radio in a junkyard, or a new one that will fit in that giant hole. Thanks again.
Blueschipper
Sep 21, 2018 at 12:19 PM (Merged)
Avatar
CARADIODOC
  • CERTIFIED EXPERT
  • 34,306 POSTS
What is your radio doing and what is the model number? I work on these for two dozen new and used car dealers around WI. I have service manuals and parts too.

caradiodoc
Sep 21, 2018 at 12:19 PM (Merged)
Avatar
BLUECHIPPER
  • MEMBER
  • 7 POSTS
When I bought the van, it was not working. The cassette guts had been pulled out through the slot. Opened it up and wires were broken and circuit board scratched up. It is part number P5293012. Other number's on the tag: S/N T GO AH 294 3 12315.
Sep 21, 2018 at 12:19 PM (Merged)
Avatar
CARADIODOC
  • CERTIFIED EXPERT
  • 34,306 POSTS
That was a low-end cassette player. I have the same model in my 1995 Grand Caravan, and I have lots of parts for them. You can replace it with any square face Chrysler radio but you should avoid the Infinity models. They put out less bass, then it is made up in a remote-mounted amplifier or with little amps bolted to the speakers. Unlike the confusing Ford and GM systems, all Chrysler radios put out speaker-level output and will run the speakers directly. When an amp is used it is just for tone conditioning for the shape of the vehicle.

If you are "emotionally-involved" with your radio, I have used cassette mechanisms and I have new display crystals for some models. If you want to upgrade to a CD player, you are much better off with a CD/cassette combo. They are built by Mitsubishi and are very high quality. I sell a lot of them at the nation's second largest old car show in WI. The CD player without cassette is built by Alpine. Both radios have a few problems that once repaired are repaired for life. I am a little nervous selling the Alpine models because I have run into four weak lasers over the years. I have never found a bad one in the Mitsubishi radios. That still is not bad compared to the 100 percent failure rate on GM CD players.

caradiodoc
Sep 21, 2018 at 12:19 PM (Merged)
Avatar
KINGPCA1
  • MEMBER
  • 1 POST
Hello, the original radio went bad and I replaced it with one from a pawn shop. And ever since, the remote does not lock the doors or open them and nor does the radio. To speak of the radio, it has to be reset and /or setup every time you wanted to listen to the radio. The radio does not save any settings, once the van has been turned off. Can someone please help me diagnosis my problems?


Thanks, Paul
Sep 21, 2018 at 12:19 PM (Merged)
Avatar
BMRFIXIT
  • CERTIFIED EXPERT
  • 19,053 POSTS
Check the fuses the save memory fuse is out.
Recheck the wiring.
Most likely it a fuse.
Sep 21, 2018 at 12:19 PM (Merged)
Avatar
BLUECHIPPER
  • MEMBER
  • 7 POSTS
Where would I buy the Mitsubishi unit?
Sep 21, 2018 at 12:19 PM (Merged)
Avatar
CARADIODOC
  • CERTIFIED EXPERT
  • 34,306 POSTS
You can find a bunch of them on eBay but they usually have problems that need attention. I bought over 200 radios over the years. You definitely want to avoid any that the seller will only ship through UPS. They smashed 17 out of 57 they brought me over a three year period and refused to go good for any of them claiming "they were not packed properly". Insurance was a waste of money too. Found out too late they are not allowed to make silly packing requirements because to be allowed to be in competition with the Post Office, they have to follow the same rules. I have never had problems with the Post Office. Fed Ex is okay too. Most of the damage through them is due to the fact most people do not know how to pack radios to prevent damage when the boxes are dropped.



Let me know if you don't find a radio you like.

caradiodoc
Sep 21, 2018 at 12:19 PM (Merged)