Engine stalls during excessive heat?

1994 DODGE CARAVAN
Avatar
JOSEV909
  • MEMBER
  • 3 POSTS
i have a 1994 Dodge Grand Caravan that is fine while the temperature outside is around the 90's but once the temp outside hits the 101 the car starts to stall and giving it more gas does nothing, eventually after 5 min it shuts off and will not start until the van cools down. I was told that the gas pump for that year had some issues with it overheating and shutting off. Can some one please help?
Sep 27, 2010 at 6:42 PM
Advertisement
Avatar
BMRFIXIT
  • CERTIFIED EXPERT
  • 19,053 POSTS
Suspect crank sensor or an ASD relay after it stalls and fail to start do you have a check engine light on? Does it go off when cranking and no start or it stay on check fuel pressure. This guide can help us pinpoint the issue.

https://www.2carpros.com/articles/engine-stalls

Please run down this guide and report back.
Sep 27, 2010 at 7:08 PM
Avatar
JOSEV909
  • MEMBER
  • 3 POSTS
I don't recall if the check engine light stays on but when i try to restart the car it sounds like its not getting enough gas. Ive checked the spark plugs and wires and there fine.
Sep 29, 2010 at 7:48 PM
Advertisement
Avatar
BMRFIXIT
  • CERTIFIED EXPERT
  • 19,053 POSTS
which V6 you have
Sep 29, 2010 at 8:01 PM
Avatar
JOSEV909
  • MEMBER
  • 3 POSTS
3.3L
Sep 29, 2010 at 8:09 PM
Avatar
BMRFIXIT
  • CERTIFIED EXPERT
  • 19,053 POSTS
Mark ASD relay and switch with another relay

also try to notice for check engine as cranking and no start if light stay on suspect and replace crank sensor
Sep 29, 2010 at 8:23 PM
Avatar
RONDAFITZ
  • MEMBER
  • 3 POSTS
Problem started while driving: Stalled out. Waited 15 minutes, restarted ran fine for 15 miles - repeated to get home. Ran fine after stopping overnight for 1000 miles. Now it will start, but it backfires through the intake, and can only keep it running by feathering the gas. Has new plugs, wires, put another (used) coil pack in, stripped wiring harness under battery to check for corrosion, no obvious problems there. Added dry gas and injector cleaner in case it was bad gas, but didn't start after fueling. Code on dash was 43 (spark interface/primary coil wire). Unfortunatly codes were cleared when I disconnected battery, and can't get a reading now. Any ideas or suggestions would be welcome. Thanks.
Sep 21, 2020 at 6:52 PM (Merged)
Avatar
MERLIN2021
  • CERTIFIED EXPERT
  • 17,250 POSTS
Check compression, sounds like a worn cam, or stuck valve or lifter...or a busted timing chain...
Sep 21, 2020 at 6:52 PM (Merged)
Avatar
RONDAFITZ
  • MEMBER
  • 3 POSTS
Merlin, Thanks for your answer. I was trying to figure out how to check the timing chain. A mechanic friend said no way to do it in this style other than to rip the engine apart. Is that right? Could it have slipped? Thanks.
Sep 21, 2020 at 6:52 PM (Merged)
Avatar
MERLIN2021
  • CERTIFIED EXPERT
  • 17,250 POSTS
Well, you can put the crank at top dead center and see where the number one cylinder ends up...but a compression test will point to engine damage or timing chain.
Sep 21, 2020 at 6:52 PM (Merged)
Avatar
RONDAFITZ
  • MEMBER
  • 3 POSTS
That's what I thought Merlin. Thanks for getting back to me on the holiday weekend. I'll follow up with the results of the compression test as soon as I can get it done. If compression's bad, I guess that'll be the end of this poor old baby.
Sep 21, 2020 at 6:52 PM (Merged)
Avatar
MIKEDINK99
  • MEMBER
  • 1 POST
drove the van this morning - got back to go home, cvan would start but then stall almost immediately. Was able to get going then stall again. This happened about 5 times (1 mile) before I could get it home. Sounds like a gas line problem but not sure. Any suggestions??
Sep 21, 2020 at 6:52 PM (Merged)
Avatar
JACOBANDNICKOLAS
  • CERTIFIED EXPERT
  • 110,175 POSTS
Hi:
Have the fuel pressure tested. You can rent or borrow the tool from most nationally recognized parts stores. It hooks up on the fuel rail.

Let me know if you have other questions.

Joe
Sep 21, 2020 at 6:52 PM (Merged)
Avatar
95CAR-A-VAN
  • MEMBER
  • 8 POSTS
Salut mikedink99.

Did you read some of Theese Excellent infos @t:
https://www.2carpros.com/first_things/why_does_my_engine_die_stall_at_idle.htm

I'm having a similar problem:
1995 Caravan, V6, 3.3L, automatic, 225 000 KM = Last model-year of same generation as yours.
It starts but will not idle! Runs smooth when i give it gas, but will not idle! { repeated self intentionaly}
btw > I live in Montréal, Canada. Cold and/or wet winters!!
Here's what I've noticed in the last weeks:
Battery seemed to weakened (Slower turning starter), Radio-clock will not work (Fuse good).
Then today=
Tried to start Caravan. Cranked ok, fired-up, revs-up, but unable to idle. I had to reStart 3 times.
On the fourth try = Battery too weak to do it's job. I used the jumper pack to reStrat it 2 more times.
Reved-it-up for 1 minute to recharge both batteries. Still no idle = stalls!
Here's what I've done, and discovered:
Removed my battery to take it inside, inspect the liquid level and recharge-it. Yep! It's low on water.
And it has ONLY! 11.97 Volts. "it's DEAD Jim!". I topped it with neutral water and put the charger on.
(Last time i did that on previous car's batt., it did not bring my battery back to scale!) Still trying...
I'm suspecting that the too low VOLTage might have induce errors in ECM... I'm just guessing.
So I went back-out to the Van, and cycled the codes using the Power-Pack. Hey! The radio is ON!?!
But! Since I removed all power to the Computers for over 1 hour, codes are useless.
I only got 12, and 55 wich is END of diagnostic according to my Haynes Sunday Mechanic book.

Ok. Loooong post! Sorry...
I'll let the 1 amp charger do it's work overnight, take a measure, and see about this trouble tomorrow.
Maybe will have to go buy a New Battery... Hoping that will end this Stalling Trouble!!!...
N.B.:
And I will try to remember to post here with latest news. Ciao Dude.
Sep 21, 2020 at 6:52 PM (Merged)
Avatar
95CAR-A-VAN
  • MEMBER
  • 8 POSTS
Solution:=:=>
Replaced The Old, "it's Dead! Jim", Battery. Circa June 2006.

And now it's OK, xcept for the Radio-Clock that still won't come on!
Starts, idles and drives.

Did not have to replace any symptomatic sensors/valves :
Being;
, IAC={ Idle Air Control Valve},
, MAP={ Manifold Absolute Pressure},
, EGR={ Exhaust Gas Recirculation}
, Oxygen sensor, on Exhaust Manifold,,,

Darn CONmputers!!!
Electronics should have NEVER been Mixed with Mechanics!!!
I can understand it for emissions and performance, butt! {Error intented = Cause it's a pain in thee...!}
But Pe-Leazzz!!! Make them better than Windows! I mean PLEASE!!! Come! On!

As for the radio-clock that will not come on, I'm now suspecting said accessory.
But who knows, ..., if it's still because of that Darn little silver box!?! = Dah CONpiouter.
Sep 21, 2020 at 6:52 PM (Merged)
Avatar
OLEGRIZ
  • MEMBER
  • 1 POST
eng. 3.3
Stalls when hot (normal running temp. ), during a turn, or slowing to a stop, sometimes when idling.
Stall is intermittent and unpredictable, at times no problem and then it may occur with repetition.
I have replaced fuel pump and filter, crankcase sensor, map sensor. idle speed sensor, spark plug wiring. checked wiring in general and vacuum lines.
I note comments re similar problems same model/year and wonder if there is a issue with one thing in particular?
Sep 21, 2020 at 6:52 PM (Merged)
Avatar
CH112063
  • CERTIFIED EXPERT
  • 1,320 POSTS
Hi, no, there are quite a few things that go wrong with the 3.3L and in the shop I rarely see anything but vans that have problems. The cam and crankshaft sensors are used by the PCM to determine injector and coil drivers, the PCM, the VSS, the torque converter, shutdown relay, the engine wiring harness, also the 60 way connector at the PCM had problems. The first step is to read all the controllers for fault codes. You can try doing this, turn key on, off, on, off, on and watch the "check engine" light. It will flash, and sometimes a hard code will show up. The TPS or MAP sensor, it seems as if you have a short or open near the engine 10 pin connector where the harness feeds the engine. Try checking the codes. The crank sensor reads a notch in the torque converter and they had problems with the flex plate but you'll get a crank sensor code. If there is a problem with the ignition switch or security system this will happen also. Sorry but the codes are important. Without them you must move all the primary ignition wiring and sensor connectors to see if you can shut it off. Fuel pressure may be too low, they had problems with the rail and pressure regulator also. With injection it's sometimes hard to tell if its spark or fuel. Good luck. Fuse 15 is right out of the ign. switch inside, try moving around the wiring under the steering column behind the fuses also. You understand why the codes are so important. The PCM gets power from a red/ wht wire that's fused in the power center, the area under this black power center next to the battery was a problem. The grounds for the PCM are on the left inner fender near the battery and theres another near the starter motor. I used to start tapping the sensors and moving the harness around. Check the codes first. There were no bulletins regarding any faults with the wiring on an S body. I checked.
Sep 21, 2020 at 6:52 PM (Merged)
Avatar
TONYZMDMAMA
  • MEMBER
  • 1 POST
1994 Dodge Caravan

my enigine shuts off after the car gets warm. we have replaced the alternator and the battery so far. still shutting off.
Sep 21, 2020 at 6:53 PM (Merged)
Avatar
LEGITIMATE007
  • CERTIFIED EXPERT
  • 5,121 POSTS
does it start right back up? or do you have to wait until it cools off.
Sep 21, 2020 at 6:53 PM (Merged)
Avatar
LEGITIMATE007
  • CERTIFIED EXPERT
  • 5,121 POSTS
if this is the case. then I suggest the crank position sensor is looked at and replaced if necessary, also when the car shuts off, is a good time to check fuel pressure and spark , this will help determine, which direction to go. but as I said, I suspect the crank sensor.
Sep 21, 2020 at 6:53 PM (Merged)
Avatar
LEGITIMATE007
  • CERTIFIED EXPERT
  • 5,121 POSTS
Avatar
LEGITIMATE007
  • CERTIFIED EXPERT
  • 5,121 POSTS
Avatar
MARIN@MENDOZA
  • MEMBER
  • 7 POSTS
Just quit running, and I tested and found that no current to the coil and no fuel pressure. I replaced the sbec computer, nothing change.Can any body help me?
Sep 21, 2020 at 6:53 PM (Merged)
Avatar
KASEKENNY
  • CERTIFIED EXPERT
  • 18,907 POSTS
Hi Marin,

Have you checked the Auto Shut Down relay? This relay is controlled by the PCM and will cut power to the injectors and ignition coil if the PCM sees an issue. However, the relay itself can fail and you will lose power to the fuel system and ignition system.

Here is a little more detail about it. Please let me know if this is not it and we can go from there. Thanks
Sep 21, 2020 at 6:53 PM (Merged)
Avatar
MARIN@MENDOZA
  • MEMBER
  • 7 POSTS
I have replaced the auto shut down relay in my van and it does the same. just cranks normal but does not start. i am thinking, but not sure if replacing the pick up coil in the distributor would solve the problem?
Sep 21, 2020 at 6:53 PM (Merged)
Avatar
MARIN@MENDOZA
  • MEMBER
  • 7 POSTS
thanks ,and i would appreciate your help.
Sep 21, 2020 at 6:53 PM (Merged)
Avatar
KASEKENNY
  • CERTIFIED EXPERT
  • 18,907 POSTS
Can you give more detail about what module you replaced? You said the SBEC module but I am not familiar with what that is.

If you don't have power to the fuel pump or the ignition coils, I suspect you have a PCM issue. The PCM controls the ground for each of these systems.

Let me know what is meant by the SBEC Module and we can go from there.
Sep 21, 2020 at 6:53 PM (Merged)
Avatar
MARIN@MENDOZA
  • MEMBER
  • 7 POSTS
Single board engine controller sbec.
Sep 21, 2020 at 6:53 PM (Merged)
Avatar
KASEKENNY
  • CERTIFIED EXPERT
  • 18,907 POSTS
Okay. I am not sure why I didn't pick up on this earlier when you mentioned it. The pickup in the distributor is used to determine crankshaft position. If the PCM is not getting this signal it will shut down the ASD, fuel pump relay, and ignition.

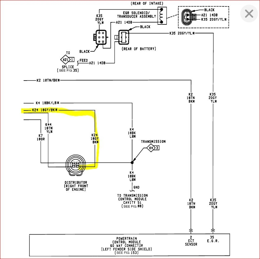
I am pretty confident that this is your issue. Here is the procedure to replace it in case you need it.

Please let me know how this turns out. Please notice the highlighted portion of the first attachment that will pretty much confirm this.

Sorry, I am not sure why I overlooked this earlier.
Sep 21, 2020 at 6:53 PM (Merged)
Avatar
MARIN@MENDOZA
  • MEMBER
  • 7 POSTS
i dont have any voltage to the distribuitor ,with my light tester connected to batt. ground,looking for any current, nothing .
at all.
Sep 21, 2020 at 6:53 PM (Merged)
Avatar
KASEKENNY
  • CERTIFIED EXPERT
  • 18,907 POSTS
If you have no voltage on any of the circuits then have you checked the inline connector from the PCM to the distributor/coil? Each of these circuits run through the inline connector that is at the rear of the battery.

I highlighted a few of the circuits. Specifically the coil driver circuit (this delivers the voltage for the primary side of the coil), the 9 volt supply circuit for the distributor, and the signal return which is what the PCM needs to fire the injectors and coil.

Take the connector apart and see if there is any water intrusion or burn marks that indicate a short circuit.

Worst case, I would measure voltage coming out of the PCM for the 9 volt supply and driver circuit and see if you have voltage coming out. I suspect you will and if so, just cut the wire and run your own wire directly to the distributor. Do this for each wire and that will ensure you have power and return.

Let me know what you find.
Sep 21, 2020 at 6:53 PM (Merged)
Avatar
MARIN@MENDOZA
  • MEMBER
  • 7 POSTS
I set my multi-meter in volts(v) and the reading is -12.3 volts black and gray wire to the coil ,and -12.3 in the green and orange wire to the coil, then i connect back the coil and tested the connector to the distributor, the four wires give me a reading - 0.1 volts. so i am not very familiar with the multi-meter, i may not read correct, that's what i try my best.thanks amigo for be patient with me.
Sep 21, 2020 at 6:53 PM (Merged)
Avatar
KASEKENNY
  • CERTIFIED EXPERT
  • 18,907 POSTS
Is there a way that you can get a quick video showing how you have the meter hooked up because I think I am missing something? If you have power to the coil, which it sounds like you do, then you just don't have the signal to deliver the spark which would be the distributor. It is actually the pick up inside the distributor but I would expect you to at least have your supply power which is why I want to see how you have it hooked up.

Thanks
Sep 21, 2020 at 6:53 PM (Merged)
Avatar
DIESELVIN
  • MEMBER
  • 2 POSTS
I have a Caravan 94 3.3 200,000 miles it starts fine but when start in mornings and engage D or R it stalls I have to let engine get warm then when I engage D or R RPM slow to 500 it seems it going to stall but then return to 900 rpm about three or four times then it works fine just an A/T "brrrzzz" noise each time transmission do a speed change. It´s something with the engine temperature, only do this when cold. Any ideas. Please Help me.
Regards from Mexico City
Sep 21, 2020 at 6:53 PM (Merged)
Avatar
PEPPERMRJ
  • CERTIFIED EXPERT
  • 1,158 POSTS
Could be tune uo time. Plugs, wires, etc. problems seem to show up when cold. Also try a new fuel filter and some fuel injector cleaner.

Good luc and let us know. :)

What exactly is cold in Mexico City?
Sep 21, 2020 at 6:53 PM (Merged)
Avatar
DIESELVIN
  • MEMBER
  • 2 POSTS
[quote:cdd958fddd="peppermrj"]Could be tune uo time. Plugs, wires, etc. problems seem to show up when cold. Also try a new fuel filter and some fuel injector cleaner.

Good luc and let us know. :)

What exactly is cold in Mexico City?[/quote:cdd958fddd]

Well in mornings is between 5 an 10°C (a dont have a conversion table to °F at hand)

I gonna change the wires (already change the fuel filter and spark plugs)

I´m going to change the fuel pump and gas "floater" ´cause the gas gauge is not working properly, it fluctuates and receive a CHECK GAGES message, and I found that is the floater on tank, but only sell as a kit along with the fuel pump, Could it be that pump pressure tends to fail in cold mornings? If so I can "kill two birds with one stone"

THanks a lot

Regards from Mexico City (Its pretty warm at noons)
Sep 21, 2020 at 6:53 PM (Merged)
Avatar
SCVANGUARD86
  • MEMBER
  • 1 POST
1994 Dodge Caravan 6 cyl Two Wheel Drive
----------------------------------------------------------------
Ususally when I start the van, it has to run a while before it will stay idling on it's own. Now it will not even stay idled enough to stay running. It dies when you begin to come to a stop. It does not idle enough to stay running
Sep 21, 2020 at 6:53 PM (Merged)
Avatar
OBXAUTOMEDIC
  • CERTIFIED EXPERT
  • 3,711 POSTS
[quote:1b456eef4f="scvanguard86"]1994 Dodge Caravan 6 cyl Two Wheel Drive
----------------------------------------------------------------
Ususally when I start the van, it has to run a while before it will stay idling on it's own. Now it will not even stay idled enough to stay running. It dies when you begin to come to a stop. It does not idle enough to stay running[/quote:1b456eef4f]

OK, Is your check engine light on? If so pull codes.

It could possible be the MAP Sensor(Manifold Absolute Pressure Sensor)
Sep 21, 2020 at 6:53 PM (Merged)