1994 Dodge Caravan blowing starter resistor or relay

1994 DODGE CARAVAN
13,000 MILES • 6 CYL • FWD • AUTOMATIC
Avatar
SHERIBUR
  • MEMBER
  • 3 POSTS
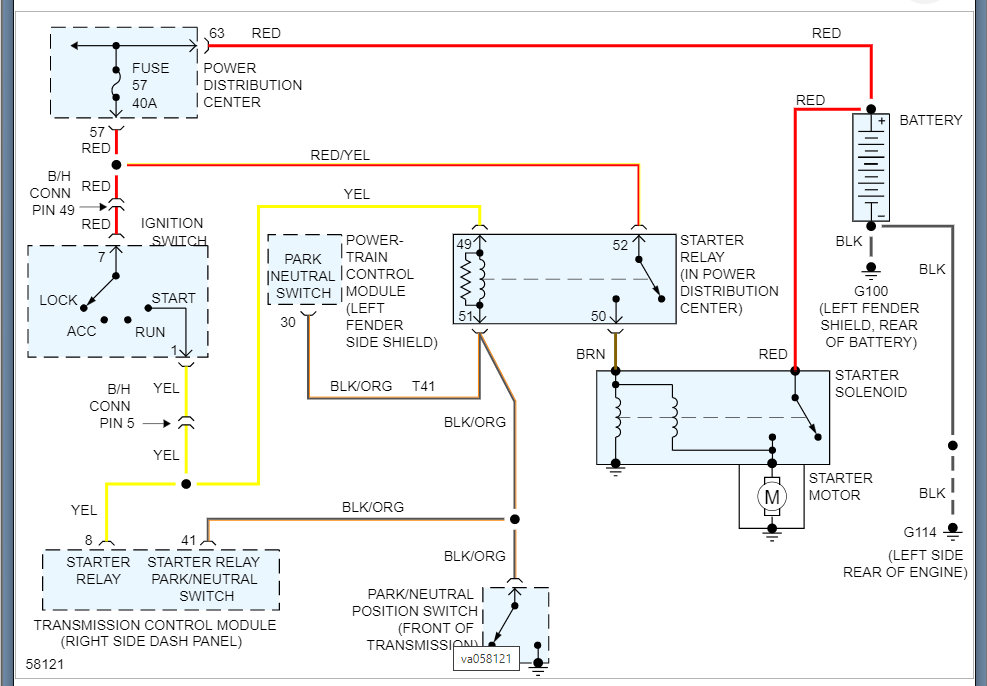
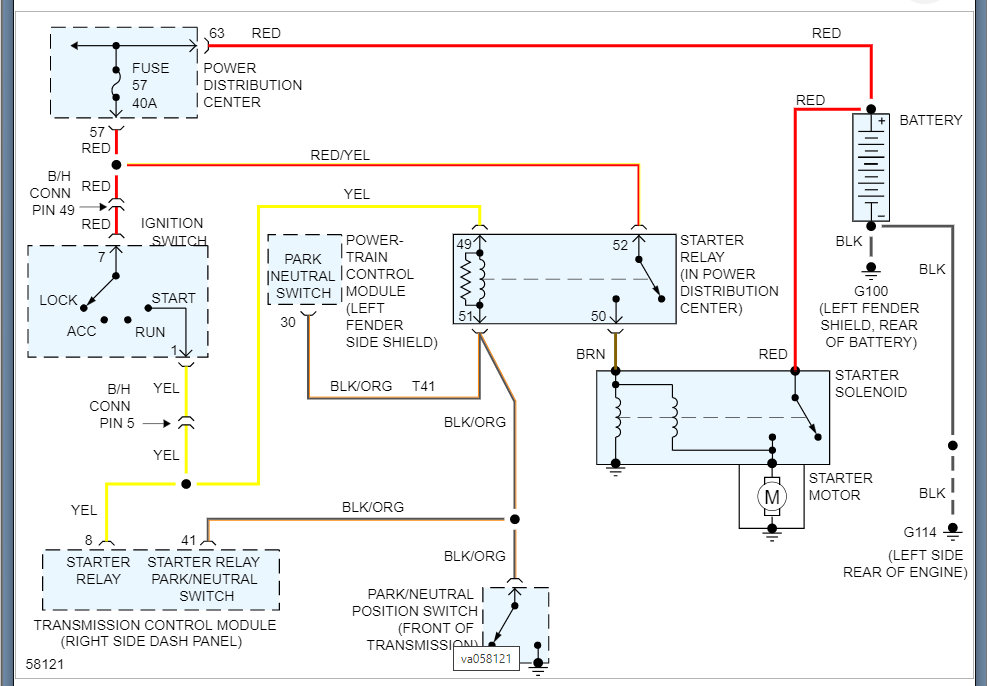
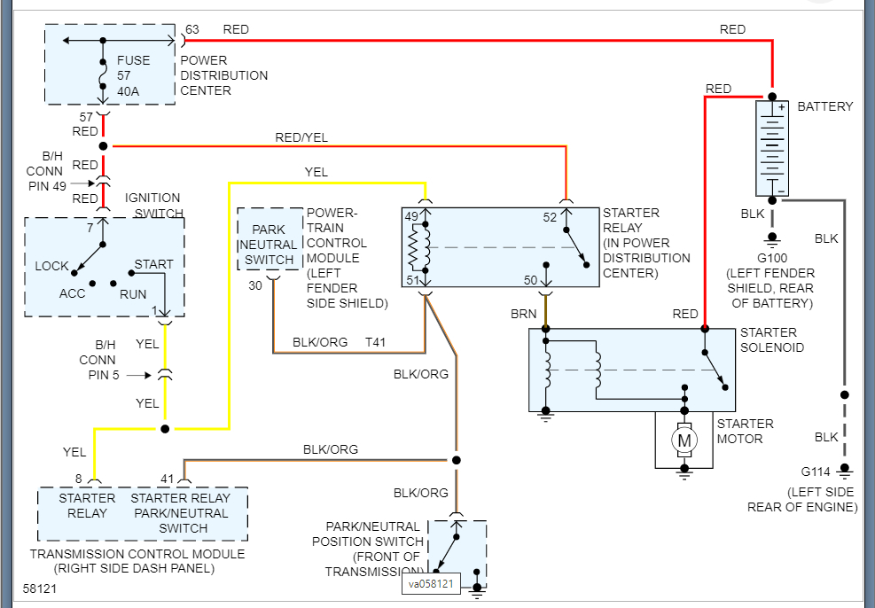
Turn key on and nothing, replaced starter relay, and ran for a while, then nothing when key is on. Replace fuse and when turn ignition to start blows fuse.
Jun 1, 2010 at 12:40 AM
Advertisement
Avatar
KASEKENNY
  • CERTIFIED EXPERT
  • 18,907 POSTS
If fuse 57 is blowing when you crank the engine, then we need to check for a short in the wiring.

Basically, the only way you are going to blow a fuse is when the voltage that goes through this fuse gets a path to ground prior then going through the load of the circuit. This causes the current to flow so quickly that it overheats the fuse, and it blows prior to any damage to the wiring or components can occur.

So, we need to find where you have this path to ground. Here is a guide that will help with this:

https://www.2carpros.com/articles/how-to-check-wiring

https://www.2carpros.com/articles/how-to-use-a-voltmeter

The most likely cause of this would be the ignition switch. If this is not the cause, then we need to jump to the starter itself. Basically, just disconnect the starter and make sure the fuse does not blow. If it doesn't then the solenoid in the starter has failed.

Please run though this and let us know what questions you have. Thanks
Nov 12, 2021 at 6:23 PM