fuel pump relay

1991 DODGE CARAVAN
Avatar
SCOTTEALS
  • MEMBER
  • 1 POST
Electrical problem 6 cyl Front Wheel Drive Automatic 200,00 miles
----------------------------------------------------------------
Dose anyone know where the fuel pump relay is on my 1991 dodge caravan (3.3 L V6)? I have looked on the drivers side fender and it is not there, I have called the dealer and ask them, they say it is on the firewall with one screw holding it on and gave me a part number, but I can not find that relay anywhere. It is not in the fuse panel ether. please help I am pulling my hair out over here.
Feb 8, 2008 at 5:18 PM
Advertisement
Avatar
STRAILER
  • CERTIFIED EXPERT
  • 53,855 POSTS
Hello,

There is no fuel pump relay per say because it is control by the ASD relay located under the hood

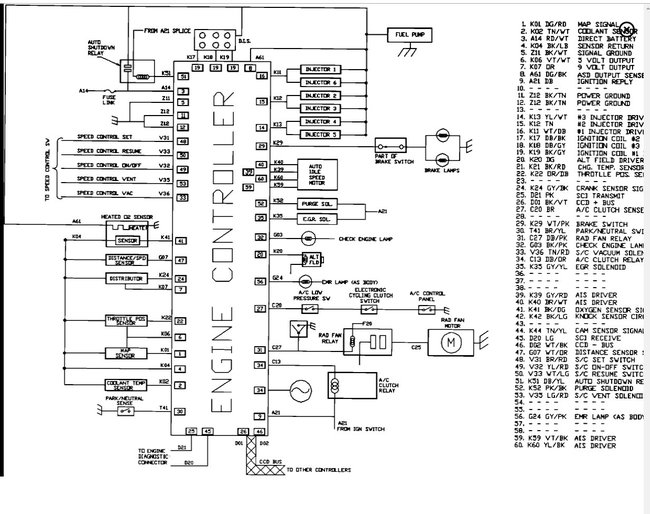
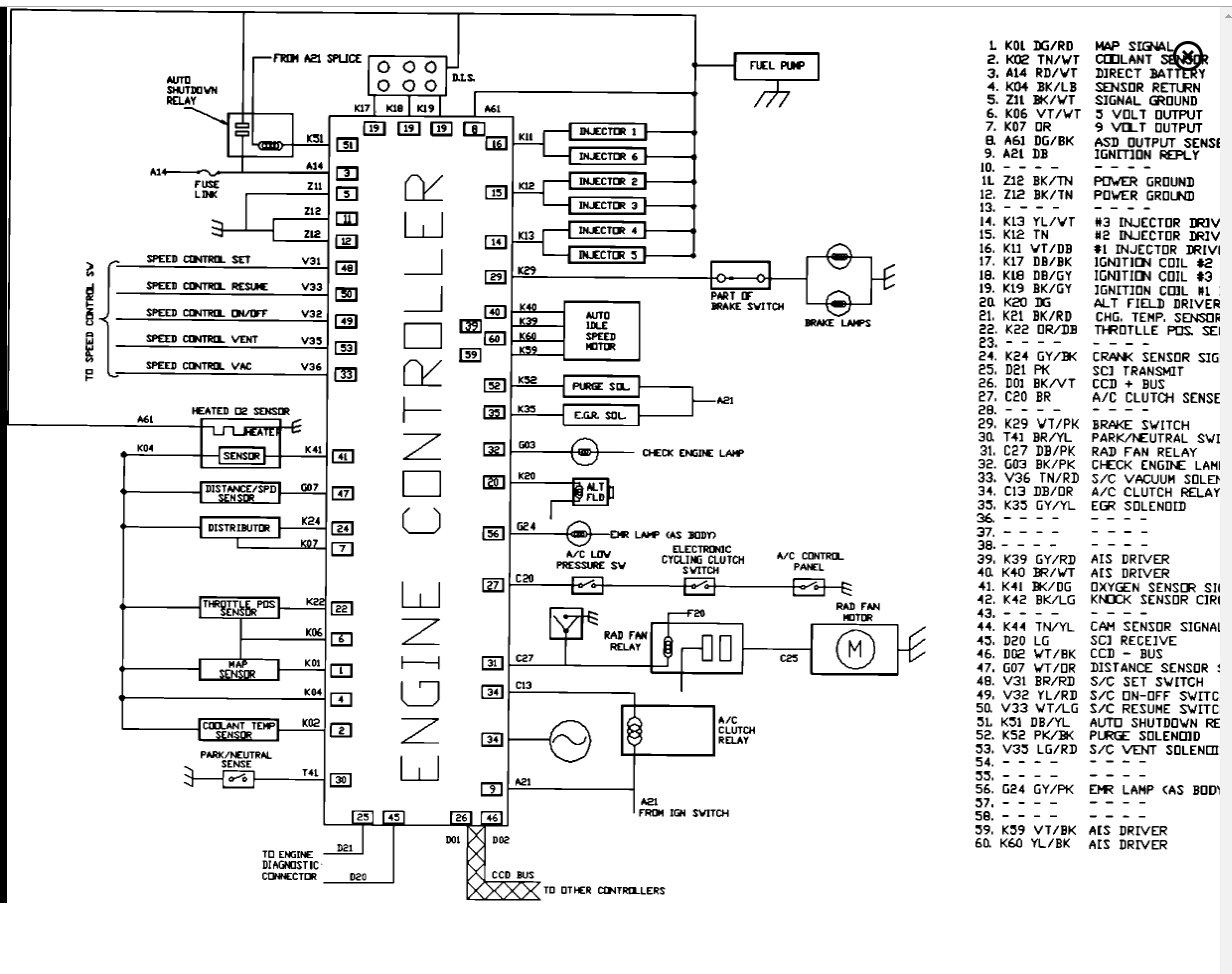
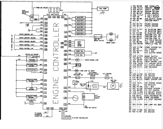
Here is a wiring diagram notice the fuel pump in the right upper corner.

Here is a guide to help you test the relay

https://www.2carpros.com/articles/how-to-check-an-electrical-relay-and-wiring-control-circuit

Please run some tests and get back to us so we can continue helping you.

Cheers, Ken

May 12, 2017 at 6:36 PM
Avatar
THETRINIDADS
  • MEMBER
  • 1 POST
Electrical problem
1998 Dodge Caravan 4 cyl Two Wheel Drive Automatic 130000 miles
----------------------------------------------------------------
Where is it found and what does it look like>
May 12, 2017 at 7:04 PM (Merged)
Advertisement
Avatar
BMRFIXIT
  • CERTIFIED EXPERT
  • 19,053 POSTS
Under hood near battery in the fuse AND relay box
May 12, 2017 at 7:04 PM (Merged)
Avatar
MOMMOMPOPPIE
  • MEMBER
  • 1 POST
where is the fuel pump relay on the power distribution center on 1996 dodge caravan
May 12, 2017 at 7:04 PM (Merged)
Avatar
ERNEST CLARK
  • CERTIFIED EXPERT
  • 1,730 POSTS
second from the bottom on the left.
May 12, 2017 at 7:04 PM (Merged)
Avatar
CARADIODOC
  • CERTIFIED EXPERT
  • 34,306 POSTS
Second from the end, next to the automatic shutdown relay. It's the middle of the three smaller relays.

caradiodoc
May 12, 2017 at 7:04 PM (Merged)