Electrical problem
2007 Dodge Caliber 4 cyl Front Wheel Drive 59000 miles
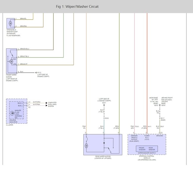
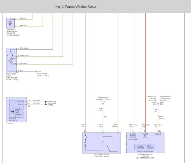
The rear window wiper does not work, I replaced the motor, yet no luck, the rear window washer works and it's on the same control?
Is there a special fuse, I pulled all and none are blown, unless there is an inline fuse, and if so what is the location.
any suggestions
2007 Dodge Caliber 4 cyl Front Wheel Drive 59000 miles
The rear window wiper does not work, I replaced the motor, yet no luck, the rear window washer works and it's on the same control?
Is there a special fuse, I pulled all and none are blown, unless there is an inline fuse, and if so what is the location.
any suggestions
May 10, 2010 at 11:46 AM

