DOD, AFM not working

2004 GMC ENVOY
110,000 MILES • 5.3L • V8 • 4WD • AUTOMATIC
Avatar
PAUL KREMER
  • MEMBER
  • 47 POSTS
Active Fuel Management (AFM) is a trademarked General Motors technology that improves gas mileage by shutting down half of the cylinders under light-load conditions to reduce fuel consumption. It is also known as Displacement on Demand (DoD) or cylinder deactivation.
After I been cleaning and washing engine space it stopped working, does not disconnect four cylinders.
Computer do not show fail codes.
Jul 9, 2019 at 11:12 PM
Advertisement
Avatar
STRAILER
  • CERTIFIED EXPERT
  • 53,854 POSTS
How does the engine sound? They have issues with this system because the engine does not oil the lifters which causes the lifters to have problem but usually you can hear funny noises. Can you please shoot a quick video with your phone so we can see what's going on? that would be great. You can upload it here with your response. No codes correct? lets run them one more time to be sure. here is a guide:

https://www.2carpros.com/articles/checking-a-service-engine-soon-or-check-engine-light-on-or-flashing

Please run down this guide and report back.


Jul 11, 2019 at 11:28 AM
Avatar
PAUL KREMER
  • MEMBER
  • 47 POSTS
Hi Ken, I and mechanic can not hear some knocking sound, just from exhaust
manifold sound is coming. The fail code came just yesterday, today we delited code and after 50 km came again, light is on. It was working till I cleaned, washed engine space.
Next month I plane to do big journey 8-9 tausend km to drive, I hope I can fix it till that time. Thank you.
Jul 12, 2019 at 1:32 PM
Advertisement
Avatar
STRAILER
  • CERTIFIED EXPERT
  • 53,854 POSTS
Thanks for the video, it was great going down a Germany road and seeing the country. First you need to fix the exhaust leak (manifold gasket) and fix the broken stud. here is a video that shows how with diagrams below to help you do the job:

https://youtu.be/py-rIWATchY

Then do a tune up with throttle bore cleaning use AC Delco parts with plug wires.

https://www.2carpros.com/articles/how-to-tune-up-a-car-engine

and

https://www.2carpros.com/articles/throttle-actuator-service

Check out the diagrams (below). Please let us know what happens.
Jul 13, 2019 at 12:19 PM
Avatar
PAUL KREMER
  • MEMBER
  • 47 POSTS
Should I replace manifold gasket or just broken screw?
Jul 13, 2019 at 2:51 PM
Avatar
STRAILER
  • CERTIFIED EXPERT
  • 53,854 POSTS
Both please, did you see the video? It shows what to do if the stud is broken.
Jul 15, 2019 at 11:10 AM
Avatar
PAUL KREMER
  • MEMBER
  • 47 POSTS
Yes, thank you. I checked today how to remove stud, there is not so much space.
Jul 15, 2019 at 2:56 PM
Avatar
STRAILER
  • CERTIFIED EXPERT
  • 53,854 POSTS
It can be a little tight lets hope the stud is not broken just missing.
Jul 16, 2019 at 10:09 AM
Avatar
PAUL KREMER
  • MEMBER
  • 47 POSTS
Hi Ken, I fixed manifold but still AFM not working. Have codes P0332-knock sensor 2 signal short, low. P0327- same with sensor 1. P1626-Anti theft system fuel enable circuit. What should I do? Thanks
Sep 27, 2019 at 8:38 AM
Avatar
STRAILER
  • CERTIFIED EXPERT
  • 53,854 POSTS
Lets clear the codes and then turn the key on without starting the engine then scan the computer to see which code is more prevalent. Here is a video:

https://youtu.be/ahK_eucFi-k

Please run down this guide and report back.
Sep 27, 2019 at 5:03 PM
Avatar
PAUL KREMER
  • MEMBER
  • 47 POSTS
Now shows just P0332 code.
Oct 14, 2019 at 1:58 PM
Avatar
STEVE W.
  • CERTIFIED EXPERT
  • 15,113 POSTS
Welcome back. P0332 is the code for the rear knock sensor. I'll attach the test process but GM had a lot of issues with the knock sensors being faulty in those engines. Usually because crud and moisture get into the sensor connectors and around them. Normally if there is an issue with the wiring harness it will set codes for both of the sensors so it is more likely a bad sensor. My SOP is to replace both sensors and the jumper harness and then apply some sealer around the rubber grommets. To get to them you need to remove the intake manifold. The sensors are in the center cover.

This is a good video on the process:
https://www.youtube.com/watch?v=u6dZhKgeCSY
Oct 17, 2019 at 11:53 PM
Avatar
PAUL KREMER
  • MEMBER
  • 47 POSTS
I found on Rrockauto Dorman set, is that company good? Sealer to use on rubber (red mark on picture)? Is there gasket under intake manifold, should I use new one?
Oct 19, 2019 at 2:44 PM
Avatar
PAUL KREMER
  • MEMBER
  • 47 POSTS
I came to Canada, Ontario to visit friend and buy some parts.
Oct 19, 2019 at 2:48 PM
Avatar
PAUL KREMER
  • MEMBER
  • 47 POSTS
I have problem with Tailgate, is not working (roof and window do not move and door not opening), can open just inside.
If you can help me with that maybe you give me your phone number and I call you. Takes faster to explain.
Oct 19, 2019 at 2:55 PM
Avatar
STEVE W.
  • CERTIFIED EXPERT
  • 15,113 POSTS
I won't comment on whose parts are good or bad because I've had good and bad parts from everyone, both aftermarket and factory. I try to use factory parts whenever possible though.
For the sealer I have used silicone and Permatex. The idea is to keep crud from getting into the well around the sensors. Yes there are seals for the intake manifold that should be replaced when you remove it to prevent having an intake leak.

For the tailgate issue, please ask that as a new question as we try to keep the various problems as individual searchable items.
Oct 19, 2019 at 11:54 PM
Avatar
PAUL KREMER
  • MEMBER
  • 47 POSTS
Hi Steve or Ken, I fixed knock sensors, no engine light but DOD/AFM still not working.
What next?
Thank you.
Jan 20, 2020 at 1:54 PM
Avatar
STEVE W.
  • CERTIFIED EXPERT
  • 15,113 POSTS
This is a 2004 with the 5.3 correct? What is the engine designation on the sticker under the hood? LM4 or LH6 I ask because GM didn't sell AFM on the 5.3 until late 2005.
Do you have the option under the trip meter to monitor the AFM system?
If you look at the cover under the intake manifold, is it smooth or does it have an electrical connector up next to the oil pressure sender and a lot of cast in oil passages?
If it has the connector it would be the first thing I would check for water intrusion. You can also test the system with a scan tool to see if it has been deactivated for another reason as listed below.
- Engine manifold vacuum low
- Brake booster vacuum pressure low
- Accelerator pedal position rate of increase too high, electronic throttle control
- Accelerator pedal position too high, electronic throttle control
- Ignition voltage out of range
- Engine oil pressure out of range
- Engine oil temperature out of range
- Engine RPM out of range
- Transmission gear incorrect
- Transmission range incorrect
- Transmission gear shift in progress
- All cylinders activated via scan tool output control
- Minimum time in V8 mode not met
- Maximum V4 mode time exceeded
- Engine oil aeration present
- Decel fuel cutoff active
- Fuel shut-off timer active
- Minimum heater temp low, HVAC system
- Reduced engine power active, electronic throttle control
- Brake torque management active
- Axle torque limiting active
- Engine metal over temperature protection active
- Catalytic converter over temperature protection active
- Piston protection active, knock detected
- Hot coolant mode active
- Engine over speed protection active
- Fault Active or Fault Pending-DoD is disabled for the following faults:
- Manifold Absolute Pressure Sensor
- Brake Booster Vacuum Sensor
- Engine Oil Pressure Sensor
- Engine Coolant Temperature Sensor
- Vehicle Speed Sensor
- Crankshaft Position Sensor
- Engine Misfire Detected
- Displacement On Demand Solenoid Driver Circuit

Just want to be sure what you have.
Jan 21, 2020 at 12:04 AM
Avatar
PAUL KREMER
  • MEMBER
  • 47 POSTS
Its LM4 Engine and connector with 3 wires. I don't see AFM option at trip odometer but when it was working I could see on display that he used less gas, 8 cylinder -13 Liters and 4 cylinder -6,5 Liters.
Jan 24, 2020 at 8:26 AM
Avatar
STEVE W.
  • CERTIFIED EXPERT
  • 15,113 POSTS
HMM, they don't list the LM4 as having AFM-DOD on it, only the LH6 and not until 2005. I wonder if someone had transplanted in the other engine? Let me dig around a bit.
Could you give me the VIN please, that might help sort it out.
Jan 24, 2020 at 8:10 PM
Avatar
PAUL KREMER
  • MEMBER
  • 47 POSTS
1GKET12PX46215373.
Jan 28, 2020 at 4:08 AM
Avatar
STEVE W.
  • CERTIFIED EXPERT
  • 15,113 POSTS
Thank you. The VIN made it clear as mud. LOL. It shows you have the LM4 but doesn't list it as having AFM.
About the only option at this point is to use a good scan tool and see if there is anything hidden code wise and use the tool to test for the AFM controls and verify they work. Then check the wiring and parts to be sure nothing is wrong.
Jan 28, 2020 at 8:51 AM
Avatar
STRAILER
  • CERTIFIED EXPERT
  • 53,854 POSTS
In the video I noticed the cluster not working which could be the problem because the CAN system runs through the circuit of the cluster. Did the gauges stop working after you cleaned the engine?
Jan 28, 2020 at 10:59 AM
Avatar
PAUL KREMER
  • MEMBER
  • 47 POSTS
Hi Ken, happy new year.
Your last question I do not understand? Cluster?
I add pictures maybe on picture you can show me?
If not possible on picture tell me please on video, on what time (seconds)
does it starts.
Pictures from last work, replacing knock sensors with wire.
Jan 23, 2021 at 11:30 AM
Avatar
STEVE W.
  • CERTIFIED EXPERT
  • 15,113 POSTS
I believe Ken was referring to the instrument cluster inside the car. It looks like there is an issue with at least the temperature gauge. If that is due to a short in a sensor it could stop the DOD from working. However the more common issue with those is the stepper motor that moves the needle.
As the DOD stopped working after the wash I would suspect a bad connector that got water in it and now it is sending a bad signal. However those can be difficult to find as it could be almost any sensor or connector on the engine. The P0332 code alone would stop it from working, but if that code isn't being set now that the sensors have been replaced (nice work there) then the next step would be to connect a scan tool and watch the various sensor signals to find the one that isn't reading where it should be. The list I posted earlier are the signals the system uses to operate, any of them could be the reason.
Jan 24, 2021 at 7:39 PM
Avatar
PAUL KREMER
  • MEMBER
  • 47 POSTS
hello, I checked knock sensors, rear is not showing function. I have to remove again all that stuff. Why oil pressure sensor showing maximum? Engine noise?
Thanks.
Apr 3, 2021 at 8:28 AM
Avatar
PAUL KREMER
  • MEMBER
  • 47 POSTS
Info video.
Apr 3, 2021 at 10:00 AM
Avatar
STEVE W.
  • CERTIFIED EXPERT
  • 15,113 POSTS
How did you test the sensor? I would test it at the wiring harness outside the engine as it's more likely a wiring issue if you replaced the sensors already. The oil pressure could be a bad sending unit, or a short in the wiring.
Apr 3, 2021 at 6:37 PM
Avatar
PAUL KREMER
  • MEMBER
  • 47 POSTS
On video you can see how I did. To find right wire in wiring harness is not easy, especially when I don't know where to look. Should I check at ECM? Or you have wire diagram?
Thanks. Paul
Apr 11, 2021 at 1:16 AM
Avatar
STEVE W.
  • CERTIFIED EXPERT
  • 15,113 POSTS
Okay, so you still have the P0332 code then but it seems the sensor itself works from your test. This started after washing the engine and there are a dew places water could get in. I believe you were testing in C115 which is the harness connector. As such you shouldn't need to take it apart again. Instead I would go to the PCM and test there. You should get the same results when you hit the block. Another test just to be sure would be to use a couple jumper wires and reverse the connections at connector C115, so that the rear sensor connects to the front wiring and the front sensor connects to the rear. If you still get the same P0332 then you know it isn't the sensor or from that connector to it.
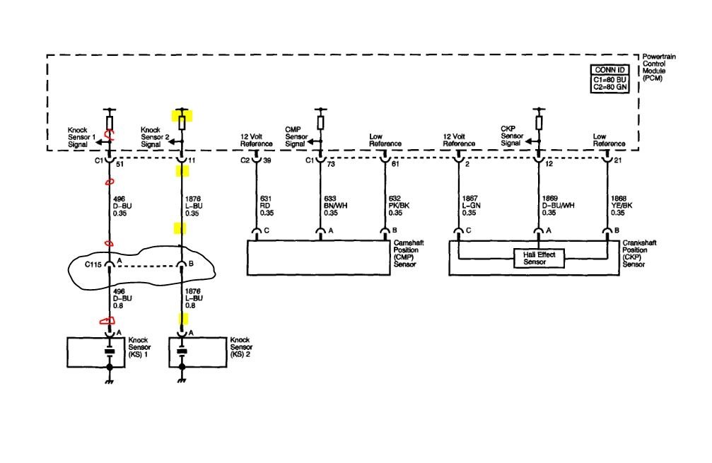
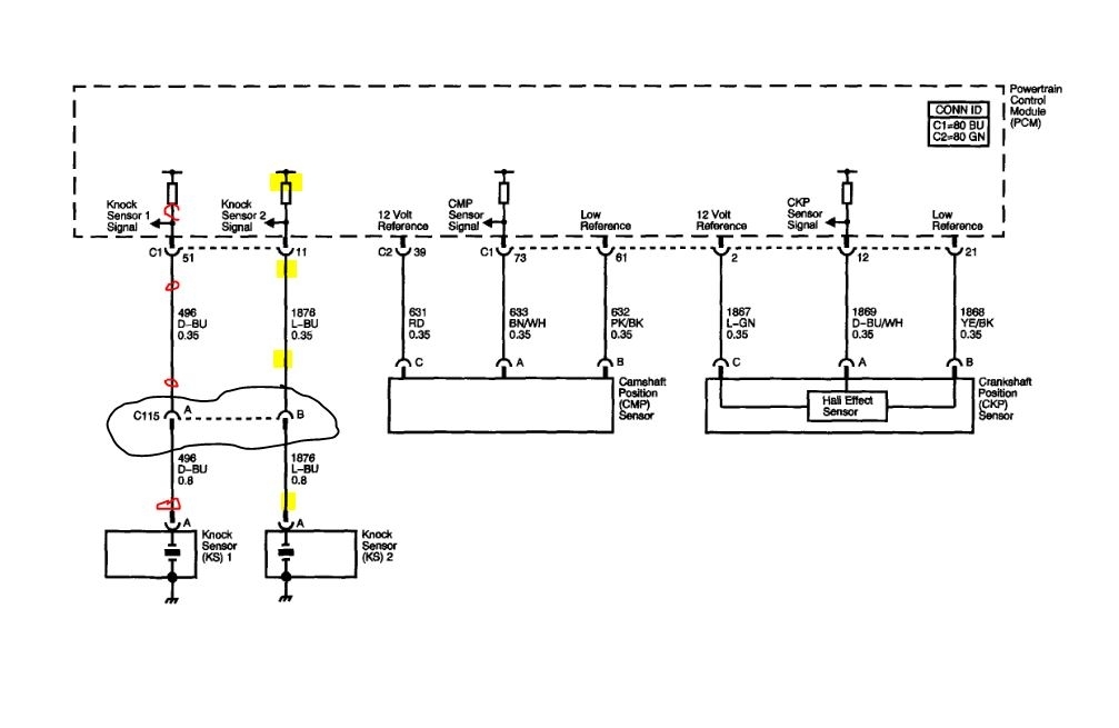
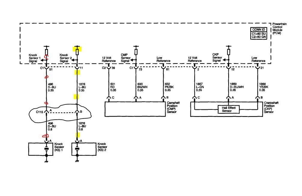
At the PCM the knock sensors are both in connector 1 at pins 11 (light blue sensor 2) and 51 (dark blue sensor 1) Being you have an issue with sensor 2 I would try to use a needle to back probe that pin on the connector without disconnecting it. Then see if you show the same change there when you tap, if you do then remove the connector and check it for corrosion/bad pins. If you don't have the same change as you did then you will need to inspect that harness to see if it has any damage between the knock sensor harness where you were testing and the PCM. If you have the same numbers at the PCM connector and removing the connector doesn't show any corrosion and testing right there still shows the changing data then something happened internal to the PCM.
Apr 12, 2021 at 6:48 AM
Avatar
PAUL KREMER
  • MEMBER
  • 47 POSTS
Hi, I did all above but still light is on. I bought new knock sensors and build it in, now with right torque and light is off now. After replacing Knock Sensors Bordcomputer shows me crazy fuel mileage (opposite, Video). What cause that problem? Thanks. Wbw.
May 24, 2021 at 9:14 AM
Avatar
STEVE W.
  • CERTIFIED EXPERT
  • 15,113 POSTS
Sounds like at least one of the sensors was a bit out of spec then, but the light is off and codes are gone so great.

Odd, but I think it's probably because the system uses the fuel level in the tank along with the other inputs. The other inputs are somewhat stable while driving while the fuel is moving around a lot in the tank. Try filling the tank all the way to eliminate most of the motion and see what it shows then, with a full tank the sensor should stay close to stationary regardless of vehicle position and it shouldn't cause it to change that much.
Another thing that changes it would be the engine load, going uphill places a higher load on the engine which uses more fuel while going downhill takes most of that load away so you get better mileage. Both of those will cause the instant mileage to bounce around a lot.
May 24, 2021 at 10:18 AM
Avatar
PAUL KREMER
  • MEMBER
  • 47 POSTS
Hi guys, I'm back, will try again to fix my AFM because since September the 95 gas price riced up to $2.00. Engine code LM4 normally doesn't have AFM but it was working before I washed my engine space. After washing the engine space scan tool showed code for Mass Air Flow (MAF) Sensor, I bought a new one and replaced. Same time I cleaned throttle body and moved butterfly; mechanic told me I shouldn't move it because now I have to adjust it somehow? Now engine light is off, no code.
Nov 3, 2021 at 2:54 PM
Avatar
PAUL KREMER
  • MEMBER
  • 47 POSTS
Today I checked with scan tool and have 2 codes.
Nov 5, 2021 at 10:53 AM
Avatar
STEVE W.
  • CERTIFIED EXPERT
  • 15,113 POSTS
The way those read they are not active codes. Note how they say the tests have not been run yet. I would clear the codes it shows and see if they return.
Nov 5, 2021 at 5:46 PM
Avatar
PAUL KREMER
  • MEMBER
  • 47 POSTS
Hi guys, after washing the engine space scan tool showed code for Mass Air Flow (MAF) Sensor, I bought a new one and replaced. Same time I cleaned throttle body and moved butterfly; mechanic told me I shouldn't move it because now I have to adjust it somehow? Now engine light is off, no code.
Nov 5, 2021 at 11:45 PM
Avatar
JACOBANDNICKOLAS
  • CERTIFIED EXPERT
  • 110,175 POSTS
Hi,

If you moved the throttle actuator, that shouldn't be an issue. It is recommended not to insert anything in it to move it because it can damage it. Also, if your fingers are in it and it actuates, that could cause personal issues.

However, the directions specifically indicate that you must move it to access the entire throttle plate. See pic below.

I hope this helps. Let me know if you are still having trouble.

Joe
Nov 8, 2021 at 6:04 PM
Avatar
PAUL KREMER
  • MEMBER
  • 47 POSTS
Hi guys, still looking way AFM/DOD not working?
Uploaded video, maybe you can see what is wrong?
Uploaded picture, same, can you check it?
1 and 2 picture, is that right location for checking AFM?
3 picture, AFM is disabled?
4 picture, engine Oil LOW? I checked oil, is on top mark. Maybe sensor is bad? Where is he located? Hot to check it for fault?
Thanks,
Paul
Nov 16, 2021 at 8:27 AM
Avatar
STEVE W.
  • CERTIFIED EXPERT
  • 15,113 POSTS
First you need to verify if it even has DOD, here is a real quick way, Look down under the intake at the valley cover. Is it smooth or does it have ribs and channels like the ones shown? If it's smooth it doesn't have AFM. If it is ridged it should have it. The electrical connector on the cover is what controls the oil. The low oil switch will read low or high. Low is off, high is on. So, yours is working. None of those PIDs are for the DOD, it may show in active tests, been a while since I've used a Snap-On scan tool. Personally, I've removed DOD from just about every vehicle because it has a very bad habit of damaging the camshafts and lifters. GM even knows how bad it is because they are offering DOD delete parts themselves.
Displacement on demand (DoD) is disabled for the following faults:
- Manifold Absolute Pressure Sensor
- Brake Booster Vacuum Sensor
- Engine Oil Pressure Sensor
- Engine Coolant Temperature Sensor
- Vehicle Speed Sensor
- Crankshaft Position Sensor
- Engine Misfire Detected
- Displacement On Demand Solenoid Driver Circuit Failure

So, check all of those to be sure they are connected and clean.
Nov 16, 2021 at 12:01 PM