Distributor wiring connections wrong

1998 CHEVROLET TRUCK
160,000 MILES • 5.0L • V8 • 2WD • AUTOMATIC
Avatar
ERICDRAMIREZ
  • MEMBER
  • 2 POSTS
Accidentally drove my truck with distributor wiring connections wrong. 3-5-7 were in wrong connections at distributor. First time and second time I started motor there was a very strong clunk noise. I had replaced fuel pressure regulator located in the upper plastic manifold. Then truck started and ran parked blowing lots of white smoke. I thought it was clearing itself out of choke and carburetor cleaner I sprayed in throttle body. I used a lot. Searching for a bolt that fell behind distributor and never found. Is how I mistakenly put the spark plug wires in the wrong way on the distributor. Motor makes a clunk and does not go any further. Except I removed the distributor and it turned over a few times. But back to stuck. Timing chain jumped maybe? How do I put motor at top dead center?
Nov 24, 2018 at 8:55 PM
Advertisement
Avatar
JACOBANDNICKOLAS
  • CERTIFIED EXPERT
  • 110,175 POSTS
Hi and thanks for using 2CarPros.

Did you ever find the bolt you lost? Could it have fallen into where the distributor is seated? If that is a possibility, you need to remove the distributor and check inside to see if you can locate it.

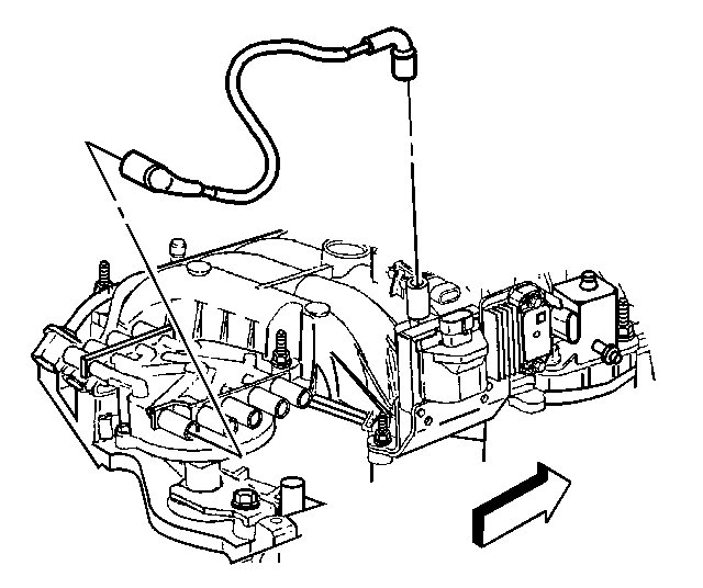
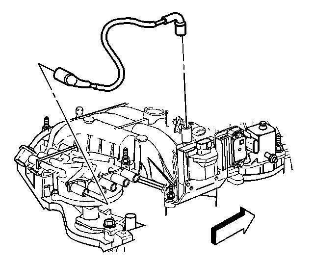
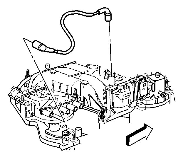
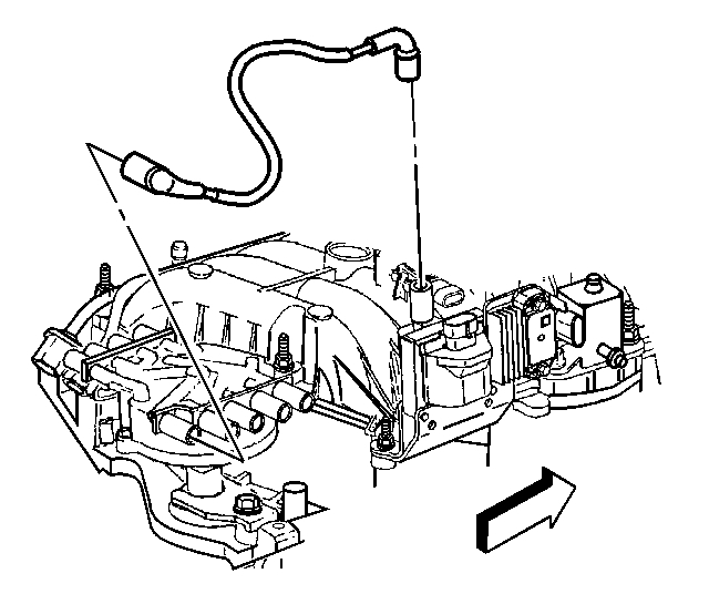
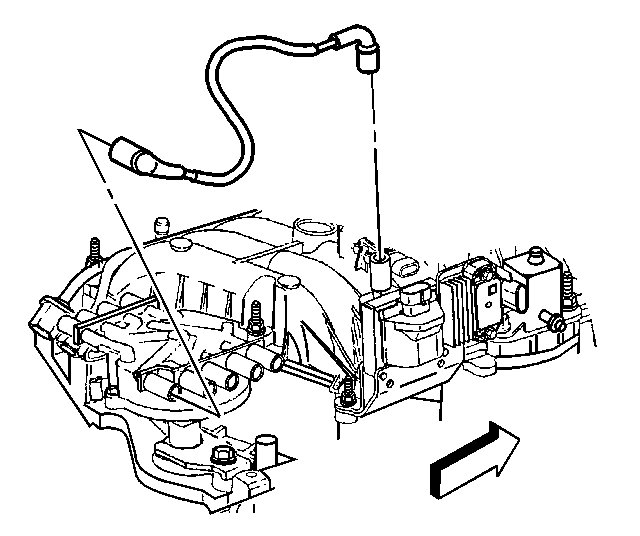
I attached a picture to show the correct timing at distributor/wires.

As far as top dead center, on the crankshaft pulley there is a mark. Align it with 0 degrees on the timing chain cover mark.

Here are the directions for removing and replacing the distributor. It shows where the crankshaft aligns for top dead center (TDC). All remaining pictures correlate with these directions.

DISTRIBUTOR REMOVAL & INSTALLATION
DISTRIBUTOR REMOVAL



1. Remove the ignition coil wire harness from the ignition coil and distributor cap.


2. Remove the distributor clamp bolt.
3. Remove the distributor and the distributor clamp.
4. Remove the distributor gasket and discard.



DISTRIBUTOR INSTALLATION

1. Bring cylinder number one piston to Top Dead Center (TDC) of compression stroke.
2. Remove the distributor cap bolts and discard.
3. Remove the distributor cap.
4. Install a NEW distributor gasket onto the distributor.
5. Align the indent hole on the driven gear with the paint mark on the distributor housing.
6. Ensure that the distributor rotor segment points to the cap hold area.

7. Align the slotted tang in the oil pump driveshaft with the distributor driveshaft. Rotate the oil pump driveshaft with a screwdriver if necessary.
8. Align the flat (1) in the distributor housing toward the front of the engine.
9. Install the distributor and distributor clamp.
10. Once the distributor is fully seated, align the distributor rotor segment with the number 8 pointer that is cast into the distributor base.
11. If the distributor rotor segment does not come within a few degrees of the number 8 pointer, the gear mesh between the distributor and camshaft may be off a tooth or more. Repeat the procedure in order to achieve proper alignment.

NOTICE: Use the correct fastener in the correct location. Replacement fasteners must be the correct part number for that application. Fasteners requiring replacement or fasteners requiring the use of thread locking compound or sealant are identified in the service procedure. Do not use paints, lubricants, or corrosion inhibitors on fasteners or fastener joint surfaces unless specified. These coatings affect fastener torque and joint clamping force and may damage the fastener. Use the correct tightening sequence and specifications when installing fasteners in order to avoid damage to parts and systems.
12. Install the distributor clamp bolt.

TIGHTEN
Distributor clamp bolt to 25 Nm (18 lb ft).


13. Install the distributor cap onto the distributor.
14. Install the NEW distributor cap bolts. Do not over-tighten the NEW distributor cap bolts.

TIGHTEN
Distributor cap bolts to 2.4 Nm (21 lb in).
15. Install the ignition coil wire harness.

Let me know if you have other questions. Also, remove the spark plugs and see if it will turn over without getting stopped. Since you had so much smoke, I am wondering if you are filling one of the cylinders with coolant.

Let me know what happens.

Joe
Nov 24, 2018 at 9:29 PM