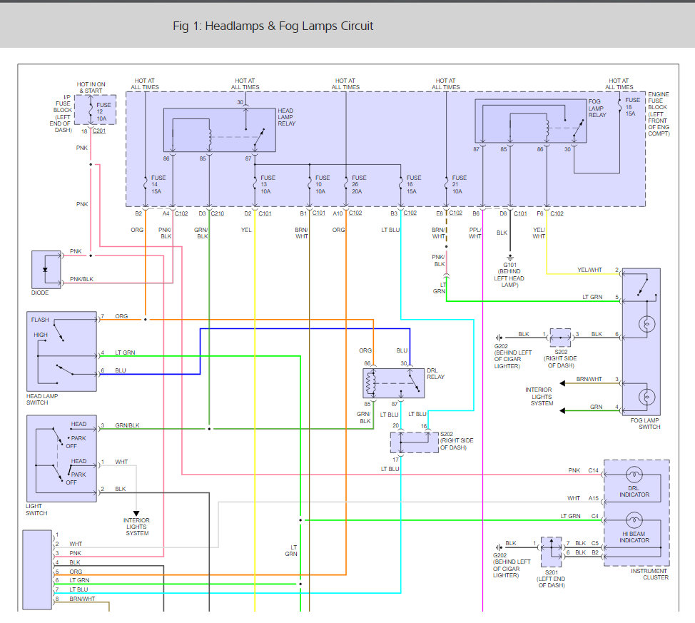
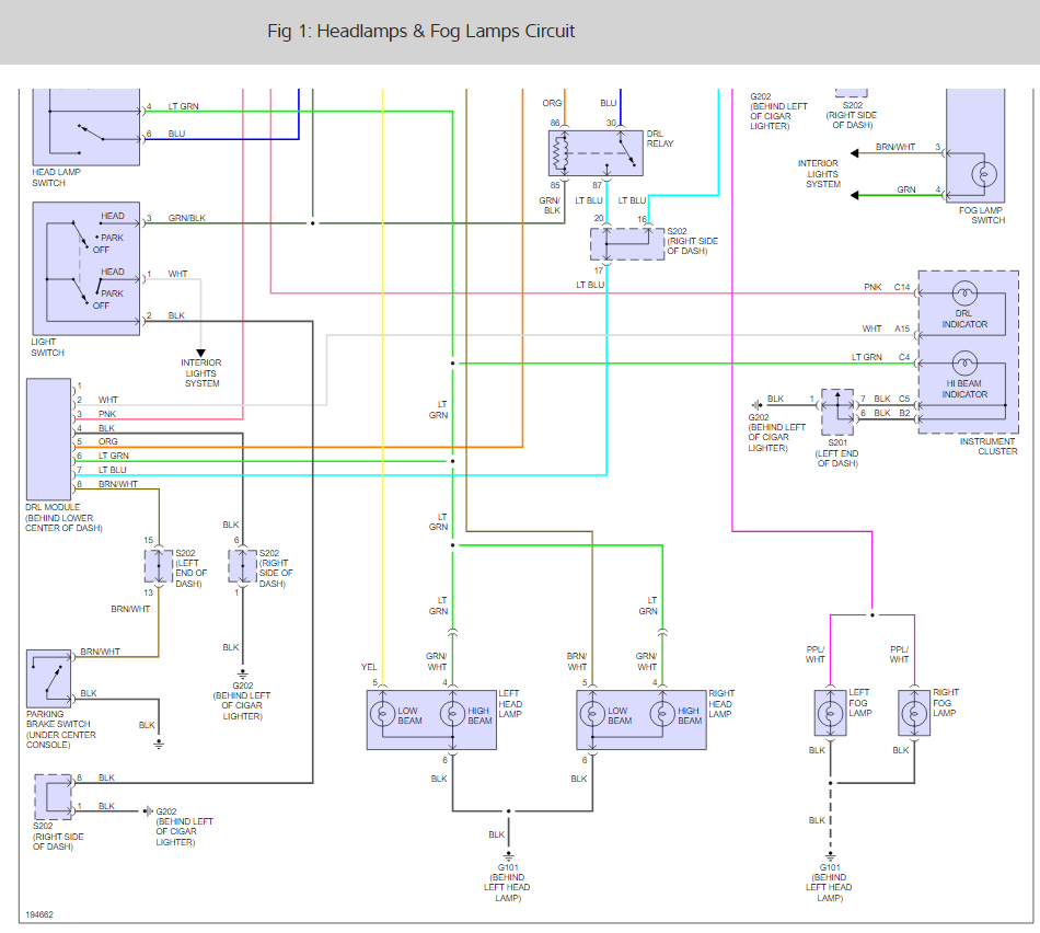
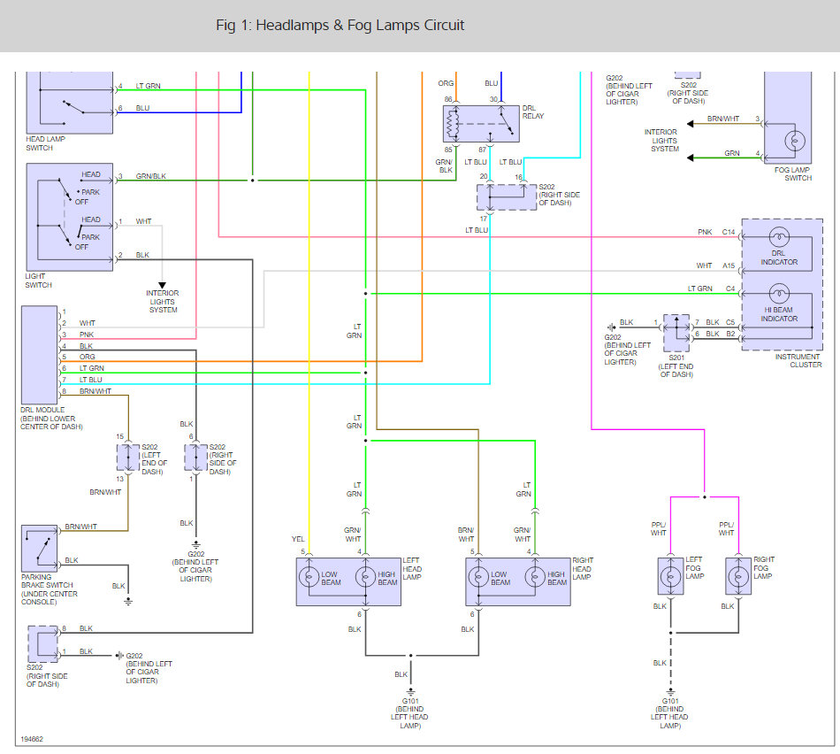
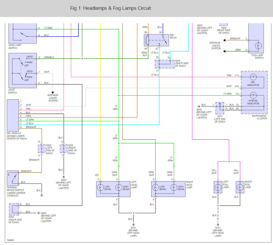
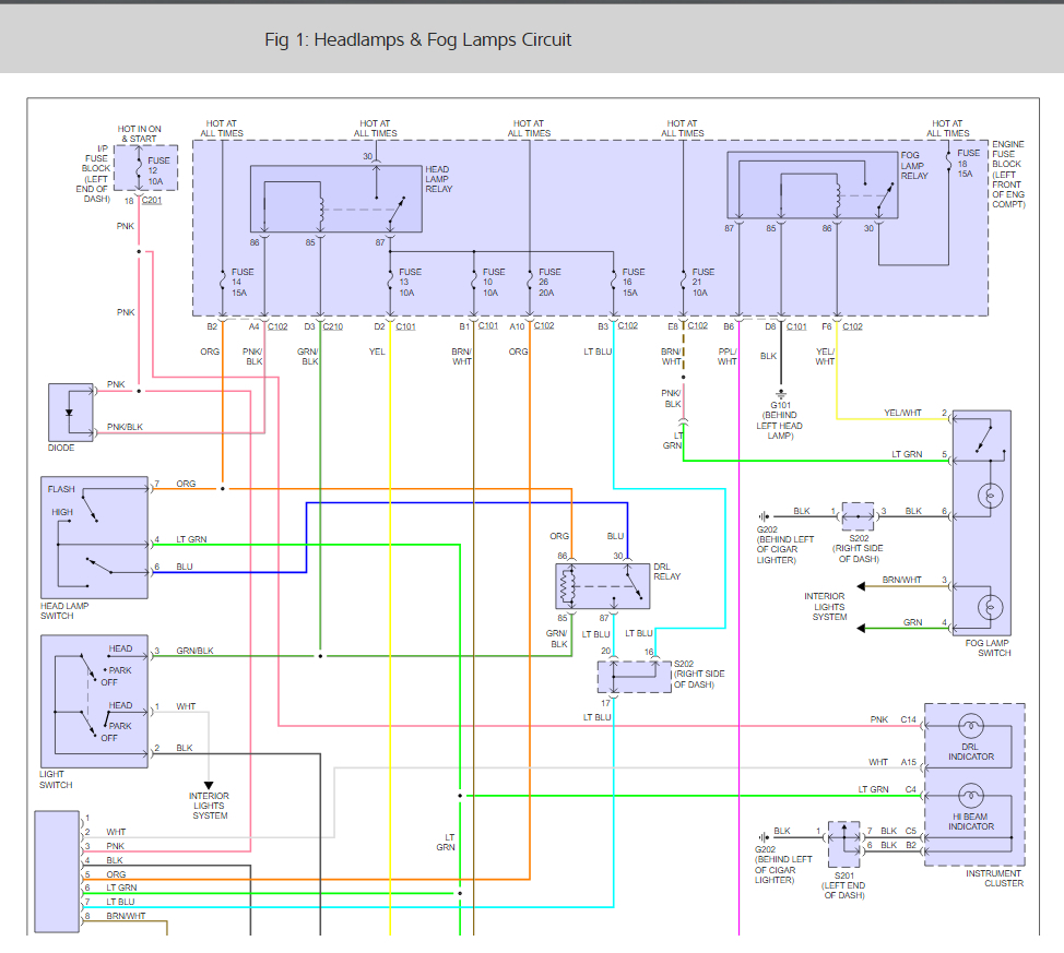
I had a problem with my headlights staying on after turning off the engine so I was told I needed the DRL's replaced. so I found a page online that showed how to disable the DRL control. so I unplugged it and that turned them off but now they will not come on.
Aug 5, 2017 at 6:11 PM


