Hi,
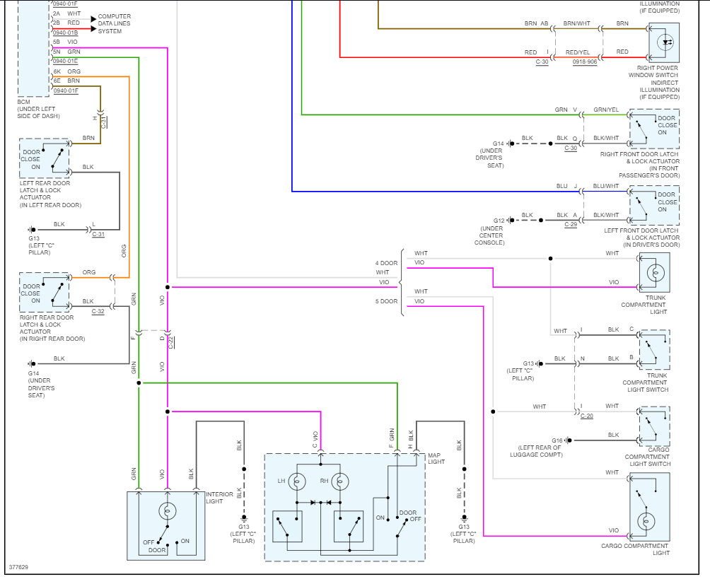
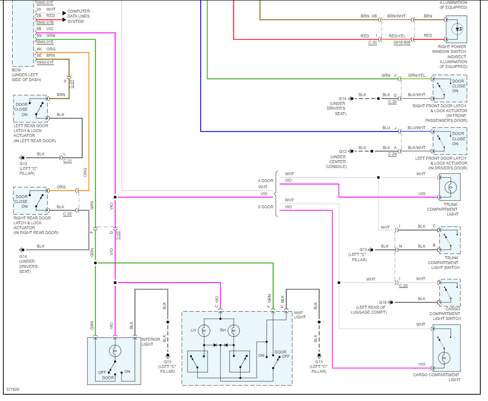
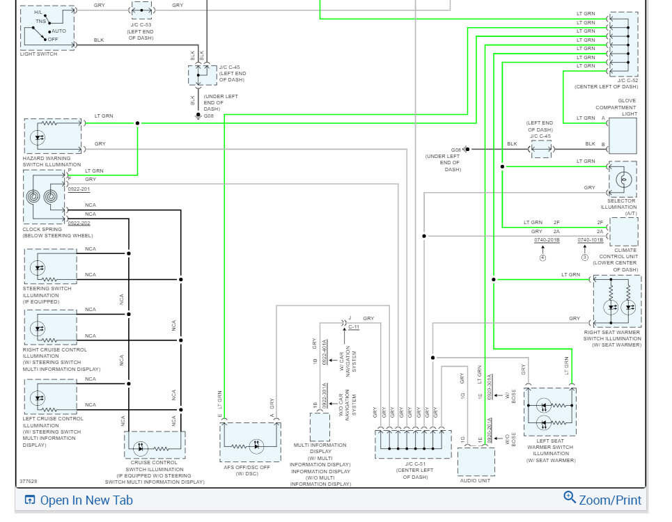
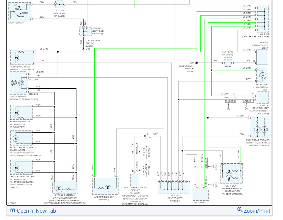
I want to install LED light in the footwell of my car. I want a diagram where I can find illumination wire inside the car. I have found that its fuse is in the engine fuse box.
Thanks
I want to install LED light in the footwell of my car. I want a diagram where I can find illumination wire inside the car. I have found that its fuse is in the engine fuse box.
Thanks
Oct 26, 2023 at 10:12 PM



