Dim headlights

2014 GMC SIERRA
38,000 MILES • 6.2L • V8 • 4WD • AUTOMATIC
Avatar
CHARLIE1229
  • MEMBER
  • 46 POSTS
For some reason my headlights, both low and high, seem to be really dim. I thought it may have been my bulbs so I bought new LED's. They also do not seem to be as bright as they should be. I know someone who has a very similar pair and they are very bright. Any ideas what it could be?
Feb 10, 2018 at 5:01 PM
Advertisement
Avatar
CARADIODOC
  • CERTIFIED EXPERT
  • 34,306 POSTS
Have the charging system tested. You can start the tests by measuring the battery voltage while the engine is running. You should find between 13.75 and 14.75 volts. If that is okay, it means it is okay to have the rest of the tests performed, but you need a professional load tester for that. Of particular interest is the full-load output current and the "ripple" voltage. If they do not provide a printout of the test results, ask to have the numbers entered on the invoice so you can share them here.
Feb 10, 2018 at 5:21 PM
Avatar
CHARLIE1229
  • MEMBER
  • 46 POSTS
Okay thank you, I will work on getting it tested.
Feb 10, 2018 at 6:21 PM
Advertisement
Avatar
STRAILER
  • CERTIFIED EXPERT
  • 53,854 POSTS
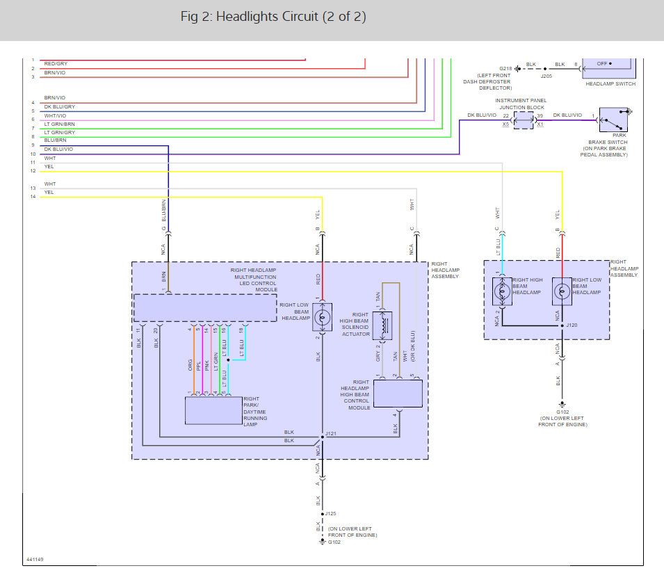
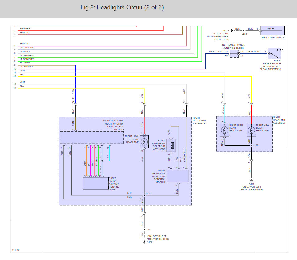
It sounds like you have one or more BCM fuses that are out or the BCM is out causing the headlights to be dim. Here is a guide to help you test the fuses:

https://www.2carpros.com/articles/how-to-check-a-car-fuse

Here are the fuse and BCM locations. I would also check the ground for the system on the lower left of the engine.

Check the wiring as well before you replace the BCM.

Check out the diagrams (below).

Let us know what happens and please upload pictures or videos of the problem.

Cheers, Ken
Feb 12, 2018 at 12:06 PM
Avatar
CHARLIE1229
  • MEMBER
  • 46 POSTS
Just an update. So I checked my battery voltage and it was around 12.4 and 14.6 when started. So my battery and alternator appear to be ok. I also checked all 4 BCM fuses and they were in working condition. Took a look at the ground wire and even grinded the frame down a little to assure a good connecting.
Feb 21, 2018 at 6:19 AM
Avatar
STRAILER
  • CERTIFIED EXPERT
  • 53,854 POSTS
Its not an alternator or battery issue you are right about that. My next check would be to take the BCM connector and check the power and grounds. If all are okay I would say the BCM is bad and you will need a new one. It will need to be programmed by a shop or the dealer.

Here is a guide to check the power and grounds. Use the wiring diagrams above to check.

https://www.2carpros.com/articles/how-to-check-wiring

Please let us know what happens.

Cheers, Ken
Feb 21, 2018 at 9:58 AM