What causes dim Headlights?

2014 LEXUS LS 460
113,000 MILES • 4.0L • V8 • 4WD • AUTOMATIC
Avatar
JB_12122005
  • MEMBER
  • 1 POST
my DRL are very dim. What will cause this to happen?
Sep 13, 2021 at 3:09 PM
Advertisement
Avatar
KASEKENNY
  • CERTIFIED EXPERT
  • 18,907 POSTS
There could be a number of reasons for this so we need to start with the basics.

Here are a couple guides and videos that will help with this:


https://youtu.be/PxA5wczsCVo

https://www.2carpros.com/articles/one-headlight-is-dim-or-dull

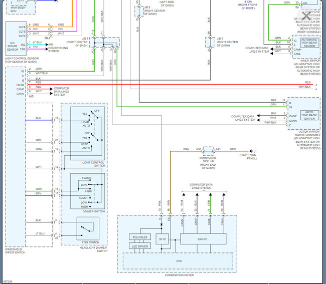
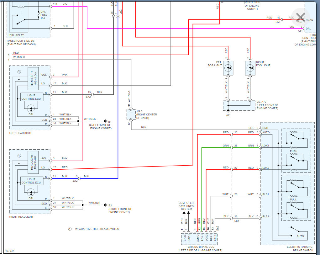
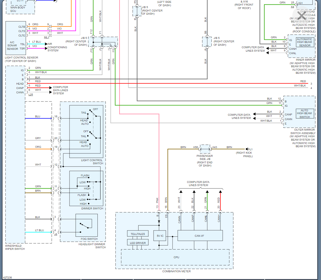
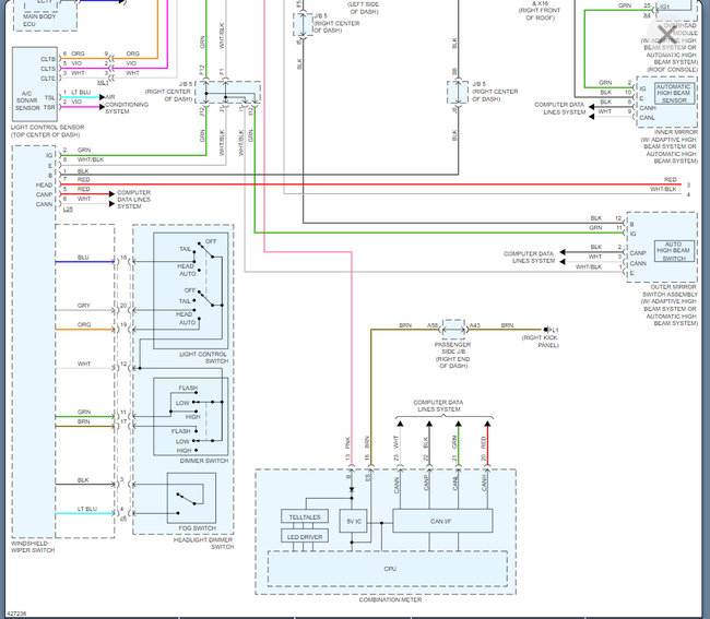
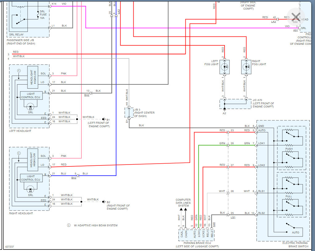
I am attaching the wiring diagram below because we need to also check voltage at the bulbs and find out if we are even getting proper voltage.

https://www.2carpros.com/articles/how-to-check-wiring

Are both headlights equally dim? If so then I suspect we have resistance somewhere in a module or other greater module issue.

However, we need to start running through this material and see what we find in order to know what direction to go.

Please let us know what questions you have. Thanks
Sep 13, 2021 at 3:26 PM
Avatar
JIS001
  • CERTIFIED EXPERT
  • 3,412 POSTS
Hello, just to jump in. When you say the daytime running lights you are talking about the lights that look like the Nike swoosh correct? Can you post a picture of the front of the vehicle so we can see if both look equally dim. Also, have you replaced the front light assemblies recently?
Sep 13, 2021 at 8:33 PM
Advertisement