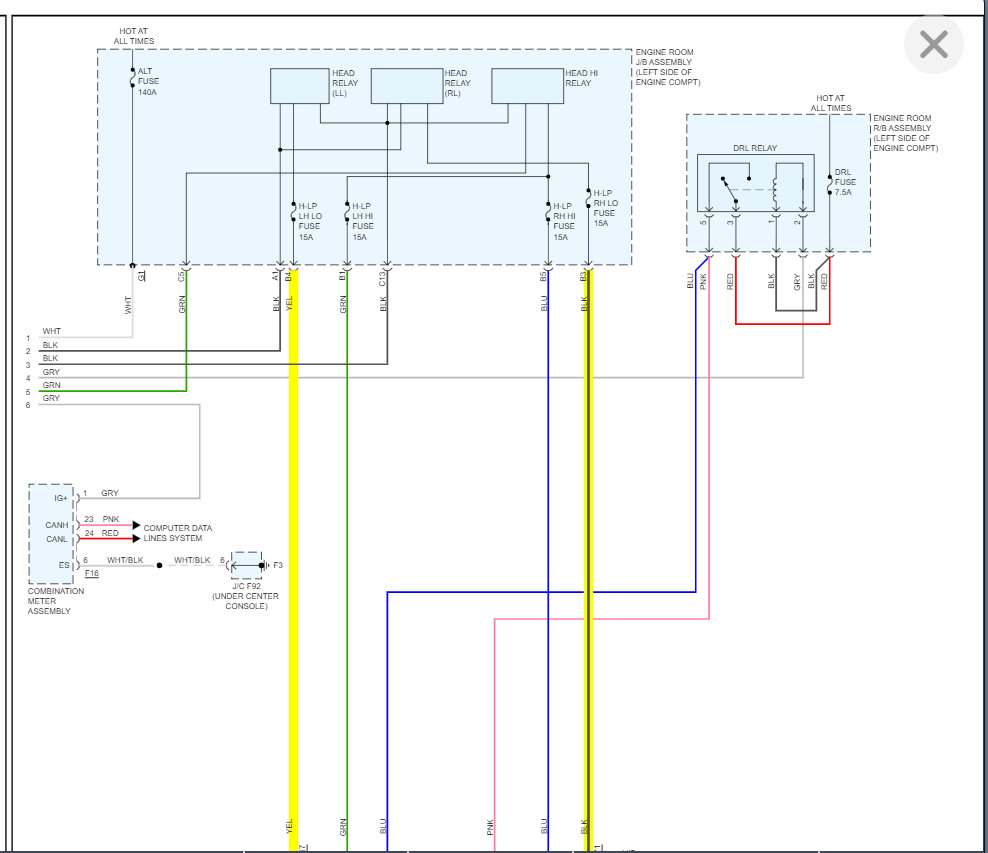
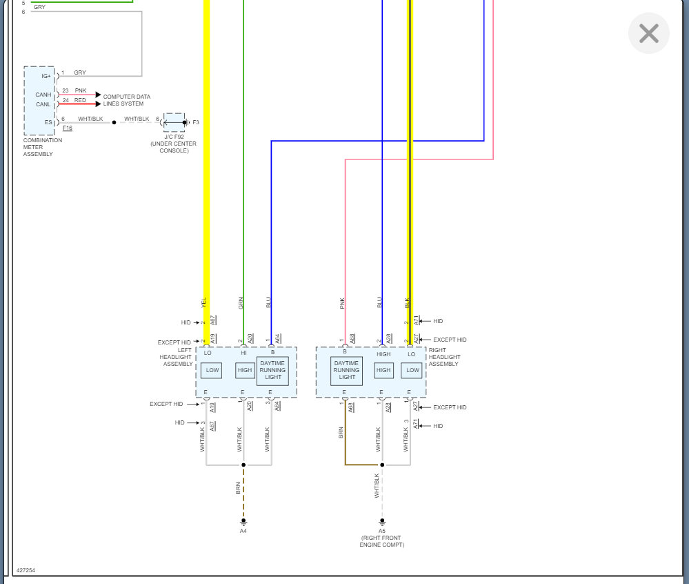
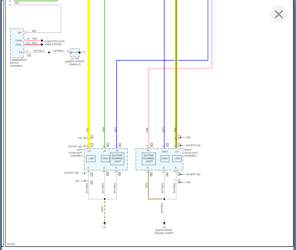
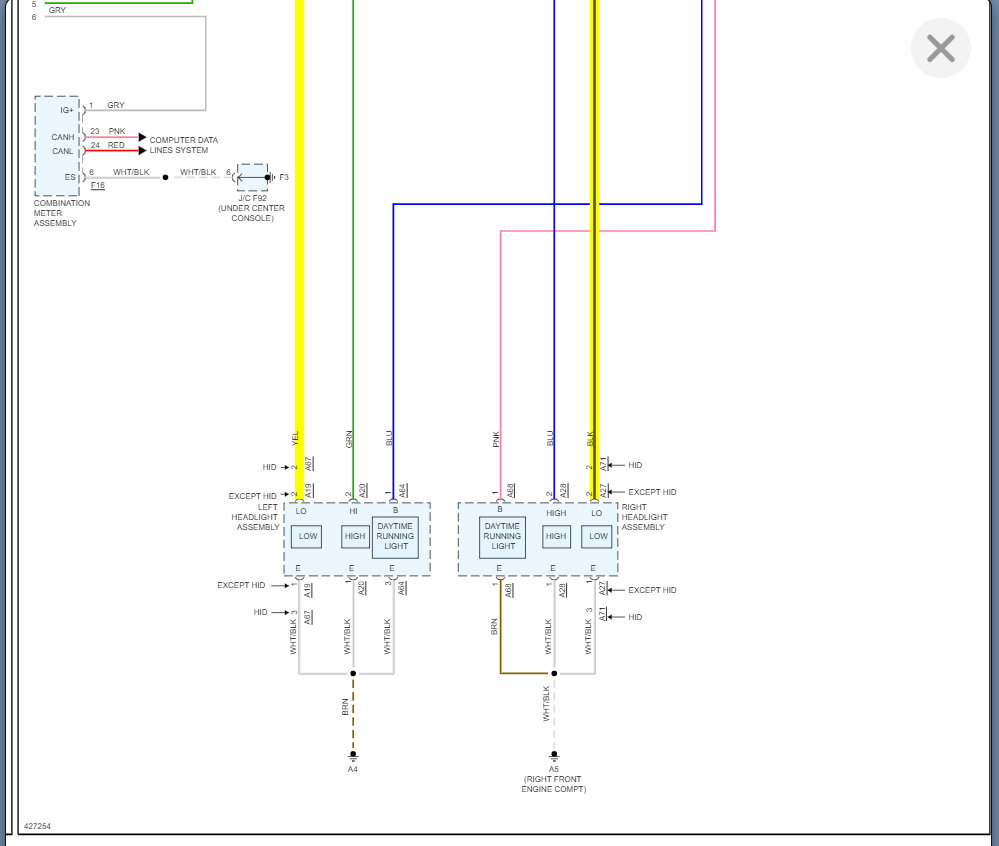
All other lights work. Not bad bulbs I already tried swapping. Checking fuses under the hood. All good except #49 which is for HID. Fuse not blown. Checked contacts without the fuse while engine on and headlight on, no power on #49. I cannot find a relay. Only relay is for DRL. Low beam on but not light up like before. Power to both ballasts okay.
Apr 23, 2022 at 8:55 AM

