Digital HVAC system not powering up at all?

2017 CHEVROLET IMPALA
74,543 MILES • 3.6L • V6 • 2WD • AUTOMATIC
Avatar
  • MEMBER
  • 9 POSTS
I had a battery completely drain down to nothing due to lack of use with this car. It was dead for about a month from what I can guess.
I put a new battery in and started to car, to find out that the HVAC wouldn’t light up at all. I tried to track down fuses, watch YouTube videos, disconnect the battery, touching power to the ground to do a complete system drain and reset, but nothing I have done has brought it back to life for me.
I did hook it to a OBD2 system computer, but not being very proficient with one, I wasn’t able to correct any issues.
I was able to flash the HVAC unit, which allowed a split second of the head unit to light up, but only to go completely black and without power yet again.
Please help me with fuse numbers and locations, as well as any relay’s, control modules, and Body control Module and locations, that I might need to consider. This vehicle has recently become more important to the family, and I will be driving it regularly now. I need it soon, please help as soon as possible. Thank you in advance.
Best
Justin-time
Apr 16, 2023 at 3:44 AM
Advertisement
Avatar
JACOBANDNICKOLAS
  • CERTIFIED EXPERT
  • 110,175 POSTS
Hi,

I would be happy to help. However, I need to know if this vehicle has automatic or manual climate control. I took a look at the wiring schematics for both, and they are different.

Keep in mind, the idea that after a hard reset, the light turned on for a split second indicates to me it isn't a fuse issue; otherwise, that brief lighting wouldn't have happened.

What should be done is a can-scan. CAN stands for controller area network. Basically, the different modules are tied together via a few wires. This type of scan will retrieve codes regardless of the module storing them.

Here is a link showing how it's done:

https://www.2carpros.com/articles/can-scan-controller-area-network-easy

Let me know.

Take care,

Joe
Apr 16, 2023 at 8:19 PM
Avatar
  • MEMBER
  • 9 POSTS
It is automatic digital climate control. I added a picture, actually 2 pictures. Or tried to, of the unit. I’ll try to send them again.
Apr 17, 2023 at 12:20 AM
Advertisement
Avatar
  • MEMBER
  • 9 POSTS
Here is a screen shot of the codes that my scanner gave me. I wasn’t able to hook to a Wi-Fi network where I scanned it at. I might be able to do that tomorrow. But if the codes that are shown in the pictures I have added, tell you anything, or she’s light on a certain procedure that I need to do, could you please let me know what to do?
Is it something that the scanner can fix?

Is it something that needs to be replaced?

I agree with you that it shouldn’t be a fuse, or an unconnected wire harness if the screen lit up for a second.
That’s why I shared that info with you.
Please let me know where to go from here, based on the scan codes listed in the pictures. Thanks again.

Justin H
If you can speak on the phone, please let me know, and I will send my cell number. Thanks
Apr 17, 2023 at 12:41 AM
Avatar
  • MEMBER
  • 9 POSTS
I sent 2 more emails for communication and haven't received anything back in almost 24 hrs. I just want to make sure I am posting to the correct spot.
Apr 17, 2023 at 8:48 PM
Avatar
JACOBANDNICKOLAS
  • CERTIFIED EXPERT
  • 110,175 POSTS
Hi Justin, sorry for the delay. Under normal conditions, I get back to everyone within 24 hours, but I had a family member end up in the hospital with a heart issue.

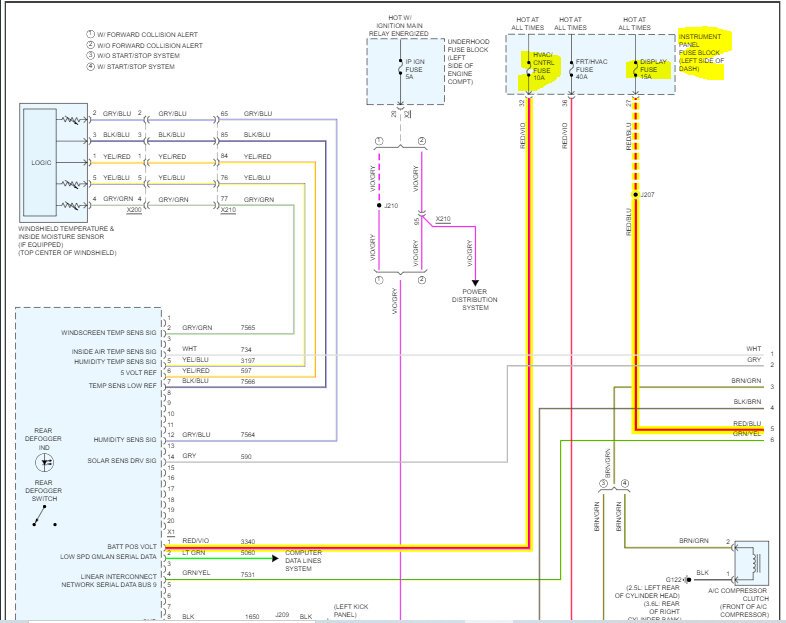
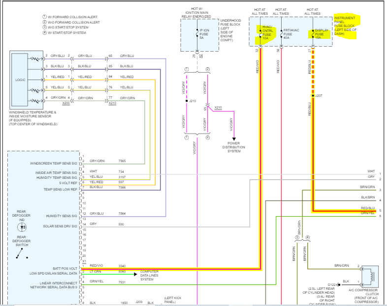
As far as the issue. I attached a portion of the schematic below. (See pics 1 and 2) I need you to start by checking two fuses in the interior fuse box. I highlighted them in pic 3.

When you check fuses, it is also important to confirm there is power to and from them.


Here is a link that explains how it's done:

https://www.2carpros.com/articles/how-to-check-a-car-fuse

Start with this and let me know the results.

Take care,

Joe

See pics below.
Apr 18, 2023 at 7:21 PM
Avatar
  • MEMBER
  • 9 POSTS
I checked both fuses you highlighted. They are both good.
Key turned to accessories mode, 11.5 v reading from driver info cluster for battery voltage.

Both pins on each fuse showed 11.5v on them. So, no problems there.
Apr 20, 2023 at 8:34 PM
Avatar
JACOBANDNICKOLAS
  • CERTIFIED EXPERT
  • 110,175 POSTS
Hi,

I need you to check the battery voltage both with the engine off and running. There should be at least a 1v difference between the two.

Here is a link that explains how to do it:

https://www.2carpros.com/articles/how-to-check-a-car-alternator

Also, let me know if you have checked connections for corrosion, damage, and if they are tight.

Let me know.

Joe
Apr 21, 2023 at 9:46 PM
Avatar
  • MEMBER
  • 9 POSTS
I will check the alternator and report the findings, but I don’t believe this is the issue.
The HVAC problem started happening after I replaced a battery with a new one just weeks ago. The car had been completely drained of power for a few weeks.
Would this make a re-learn of any of the modules necessary?
That’s where I would need input for sure. But let me check this Alti, and report back so we can check that possibility off the list.
I do also have a battery drain somewhere, which I’m told could be a bad or near bad alternator.

Hang tight, Alti test coming up.
Apr 23, 2023 at 4:29 AM
Avatar
  • MEMBER
  • 9 POSTS
FYI, I haven’t been driving this on a regular basis. I start it and let it run for a few min, then shut it down.
Apr 23, 2023 at 4:30 AM
Avatar
JACOBANDNICKOLAS
  • CERTIFIED EXPERT
  • 110,175 POSTS
Hi,

A faulty diode in the alternator can allow power to flow in the wrong direction and drain the battery, so that is a possibility.

Also, are you certain that all fuses are in good condition and providing power in both directions? It's odd that this started after the new battery was installed.

Finally, there shouldn't be any module relearns needed from a dead battery. The PCM may need to go through a relearn, but it does it automatically.

Let me know.

Joe
Apr 23, 2023 at 6:41 PM
Avatar
  • MEMBER
  • 9 POSTS
Ran my Dewalt unit on Alternator test mode and it came up good as you can see in the picture. I the voltage when the car is on accessory mode (not running) was at 11.5v and when the car is started, with lights on, radio on, goes up to 14.7 range, and stays there until it’s turned off.

I can definitely go through some more fuses if you think there is a better place than another to start looking for, which would help save some time. (The fuse box that is next to the steering wheel, where you had me check before, or one of the boxes under the hood?)

I did find out from the previous owner that he went into the box that’s located in the rear window so he could disable the on-star unit. He had some conspiracy theory on why that item needed to be disabled. I don’t know if that grouping of items could affect the HVAC system, but the HVAC Definitely worked after he manipulated that item. So why would it affect it later??
He just said that he put a blocker over the pins of the OnStar, so that when it goes back together, there is no connection for that one particular ability.

I hope this doesn’t throw a bunch of additional things at us. But if it gives you any ideas, then that’s why I mentioned.

Also, I did have the dash apart so that I could fix one of the buttons on the stereo, and this required me to have the center council around the shifter, also the HVAC unit, and the nav screen area, completely opened up. I had a couple of the large plugs under the glove bog area unplugged as well.

Could one of the systems that I unplugged under the glove box area have been plugged back into the wrong spot when it was re-assembled? I remember having it disassembled for a couple weeks, then went back and reassembled everything from memory 3-4 weeks later. (I did party in college, and I remember second guessing which large cluster plugs went where, during reassembly.

I feel bad that I didn’t bring this up before, but I didn’t think that the HVAC plug would have been an issue since I saw that power flash when I ran my scan.

Call me names if you wish, I’m fine with them if they are deserved. I’ll stop here and wait for your input with this new knowledge I have thrown up all over you. My apologies, but seriously, all the thanks possible for your help here. I don’t know where to go/start from here.

Best
JH
Apr 23, 2023 at 10:49 PM
Avatar
JACOBANDNICKOLAS
  • CERTIFIED EXPERT
  • 110,175 POSTS
Hi,

I wouldn't call you names. LOL However, you have me stumped on this one. My first thought is the unit has failed, but you indicated the prior owner placed tape over a connector to prevent it from making contact. Have you checked closely for tape? I ask because plugging it in would likely rip the tape and it may have been pushed into the connector.

It's a thought. LOL

Let me know.

Joe

Apr 24, 2023 at 6:19 PM
Avatar
  • MEMBER
  • 9 POSTS
I’m not sure you understood what he placed tape over.
Answer me this. Would the module in the rear dashboard/rear window, near the brake light in the center of rear window. Would that module have anything to do with the HVAC?

Would the HVAC Module be under the glovebox by chance?

The only thing manipulated in that rear window module was the “OnStar” connector. That one part that powers the OnStar system, had its ability to get power, taken away.

That should not, and did not affect the HVAC System, because the HVAC system worked fine after that modification.

Can you confirm that there in fact is a major connection or process done through that rear module that would/could, affect the HVAC at all. And if so, why would it be affected after a period of months of it working fine?

Is it more probable that there is a module that could have been affected under the glove box area, or in the guts of the center council, near the shifter area: region/quadrant.

Thanks for not calling me names, I was hoping to add some humor to my fricken headache with this thing.

To make things worse, I just had an issue with one of my other vehicles, making the Impala just become much more needed yet.

Defrost is very difficult in MN yet this to me of year. It’s still in the low 40’s to mid 30’s in the mornings.
Maybe tell me how I could diagnose the HVAC head unit as being good or bad.
How would one go about that process?

If you could answer these series of questions in your next response, that would be really helpful.

Thank you in advance.
Apr 24, 2023 at 10:17 PM
Avatar
JACOBANDNICKOLAS
  • CERTIFIED EXPERT
  • 110,175 POSTS
Hi,

I'm in PA and had to chip ice off the car this morning. Last week it was near 80. Ugh!

Anyway, the remote module for the HVAC is below the screen (center of the dash). See pic 1 below.

As far as testing, you need a bidirectional scan tool that can actuate the system and communicate with it.

I attached directions for reprogramming below. Chances are if this was done and the module was bad, it wouldn't complete the process.

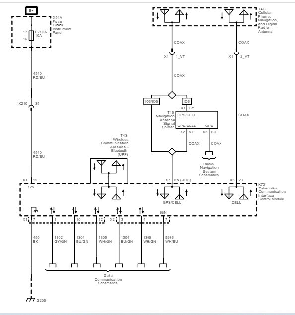
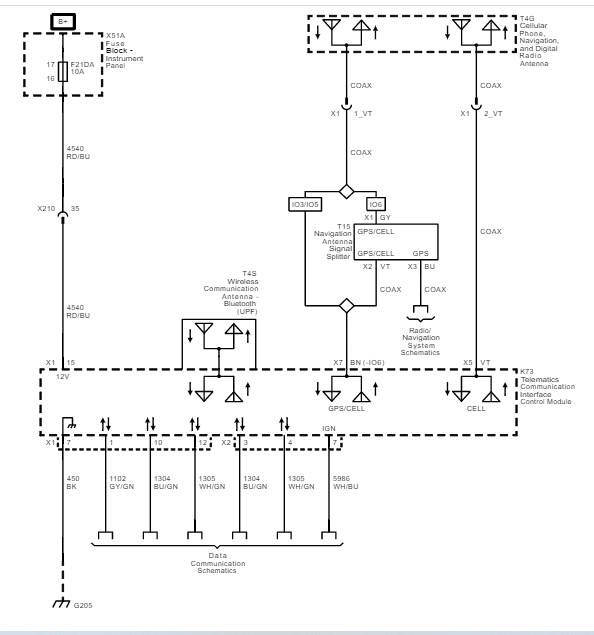
I attached the wiring schematic related to the Onstar. See pic 6.

Let me know if this is what you needed.

Take care and keep warm.

Joe

See pics below.
Apr 25, 2023 at 6:33 PM