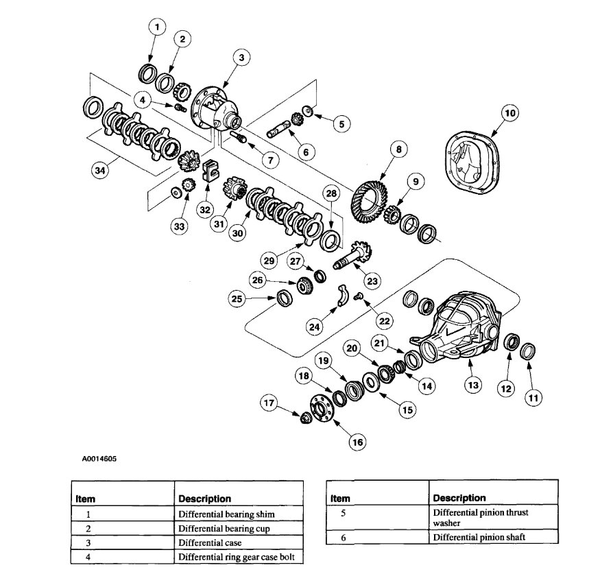
What is the clutch plate order on the axle gear?

2000 FORD MUSTANG
98,000 MILES • 4.6L • V8 • 2WD • AUTOMATIC
Avatar
BRIAN CHILDRESS
  • MEMBER
  • 19 POSTS
Differential clutch plates.
Jan 1, 2025 at 8:33 PM
Advertisement
Avatar
STRAILER
  • CERTIFIED EXPERT
  • 53,855 POSTS
Hi Brian,

Here is the clutch order for your posi-traction rear differential. Check out the images (below). Let us know if you need anything else.
Jan 2, 2025 at 10:59 AM