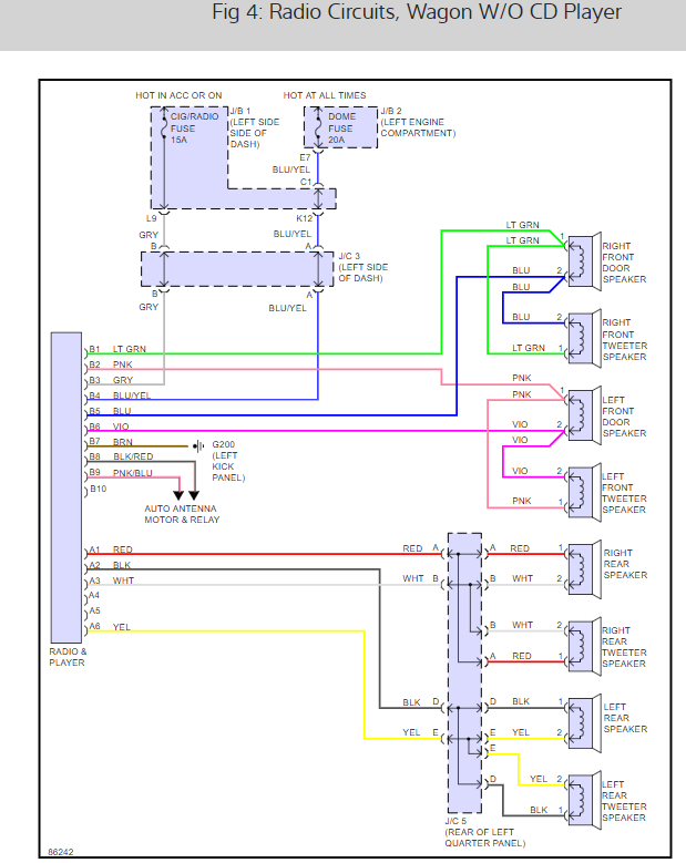
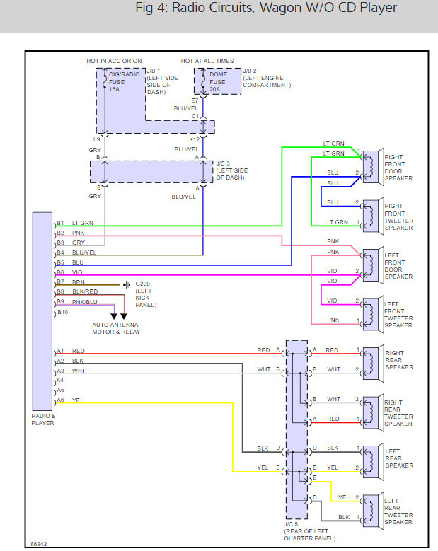
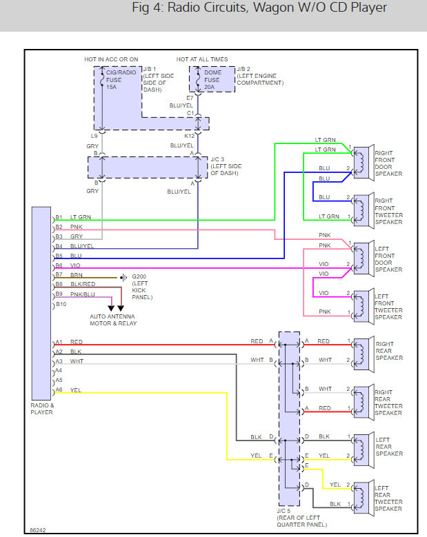
Someone stole my battery, radio,everything in the glove box and trunk, and my diabetes medicines, but the strangest thing, but true they took all my fuses and relays and covers, I need a picture /diagram of the fuses, relays and amps of fuses. I tried getting it off the internet, but there not right, and I can't afford to buy a manual after buying the stuff above, so I;am turning to you guys for help please again. Ken or my buddy Steve W. really I would be above and beyond grateful for your help. thank you. brotherbuzz.. 2carpros member
Jan 24, 2019 at 11:47 AM






