Intermittent issue while driving all the gauges goes crazy then it shuts off?

2004 GMC ENVOY
205,000 MILES • 4.2L • 6 CYL • 4WD • AUTOMATIC
Avatar
OLDGUYMECHANIC65
  • MEMBER
  • 17 POSTS
It was doing this once in a blue moon but as of late it's been doing it more often. The gauges go crazy for a couple seconds then it will just shut off while driving. It starts right back up again. It runs fine with no trouble codes at all. I just have no idea what is doing this. I can't find the valve to hook up a fuel pressure gauge to see if it's within the proper specs. I would very much appreciate it if you could point me in the right direction. Thanks ahead of time.
Sep 9, 2023 at 10:09 AM
Advertisement
Avatar
AL514
  • CERTIFIED EXPERT
  • 5,465 POSTS
Hello, what type of scan tool are you using? Do you have one capable of doing a full system scan? It's difficult to say exactly what is happening with no data. But when you say the gauges go crazy, is this the Tachometer that jumps around more than the others? It might be a Crankshaft position sensor that is starting to get worse when hot. But if you can watch any live engine data when the fault happens and you see the engine RPM drop out, then it stalls, you would know it's the crank sensor. If the entire Cluster bouncing all over the place there might be something happening to the Class 2 Serial Data network to the Cluster that's faulting and causing the stall out. If a module on that network is starting to fail and pulling down the network, that can cause a stall out. I'll post a diagram of the Class 2 network; this one is pretty simple in this vehicle. And something you can monitor while driving to see if that's what is happening
Sep 9, 2023 at 2:04 PM
Avatar
OLDGUYMECHANIC65
  • MEMBER
  • 17 POSTS
I have a regular handheld scanner like AutoZone uses. The only code that comes up sometimes is P0410. The secondary air injection system. Other than that, no codes show at all. The tachometer goes crazy along with the speedometer. The other gauges stay put in their place.
Sep 9, 2023 at 2:16 PM
Advertisement
Avatar
AL514
  • CERTIFIED EXPERT
  • 5,465 POSTS
Does that code show up after the stall, or is that just at other random times? The Secondary Air Injection is run at start up to inject air into the Catalytic converter to help with oxygen storage for the Cat and help to accelerate the Catalyst function.
But the fact that the Tachometer and Speedometer are the ones that act up it could be the crank sensor starting to finally fail or I have also seen ignition coils that occasionally jump spark out side the cylinder and spike on the ground circuits of the vehicle and interfere with the vehicle speed sensor or crankshaft sensor and cause a stall like this. Then the vehicle will restart right back up until it happens again. They can be difficult to diagnose. These usually dont set misfire codes because it happens too intermittently for the PCM to set a code. This is something that would be caught with a scope monitoring the ground circuits.
If you can watch live engine data on that scantool watch for the RPM data PID to drop out. I dont think this is fuel related because the vehicle starts right back up with no issues, but heres a couple of guides on the crankshaft position sensor.
This sounds like something that is hitting a sensor, and sending a signal fault to the PCM causing the stall. Just because its so intermittent and now getting worse, but no other issues before or after.
But I would start by checking the ignition coils boots and spark plugs for any white or black carbon tracking marks on them, or cracked spark plugs. If any cylinders are running lean to due to an injector issue, thats going to cause an ignition coil to be stressed and have to work harder as well.

https://www.2carpros.com/articles/symptoms-of-a-bad-crankshaft-sensor

https://www.2carpros.com/articles/crankshaft-angle-sensor-replacement
Sep 9, 2023 at 3:05 PM
Avatar
OLDGUYMECHANIC65
  • MEMBER
  • 17 POSTS
The P0410 pops up when the car starts for the first time every day and after a couple miles of driving. When I clear the code it's doesn't pop up until the next day. The tachometer pretty much stays in its place but the speedometer drops then comes back to the speed the car is going at the time. I've scanned it for codes, only one is P0410. That wouldn't cause a stall like it's doing. It's a good vehicle with no problem until now. I've had it for almost 3 years
Sep 11, 2023 at 5:43 AM
Avatar
AL514
  • CERTIFIED EXPERT
  • 5,465 POSTS
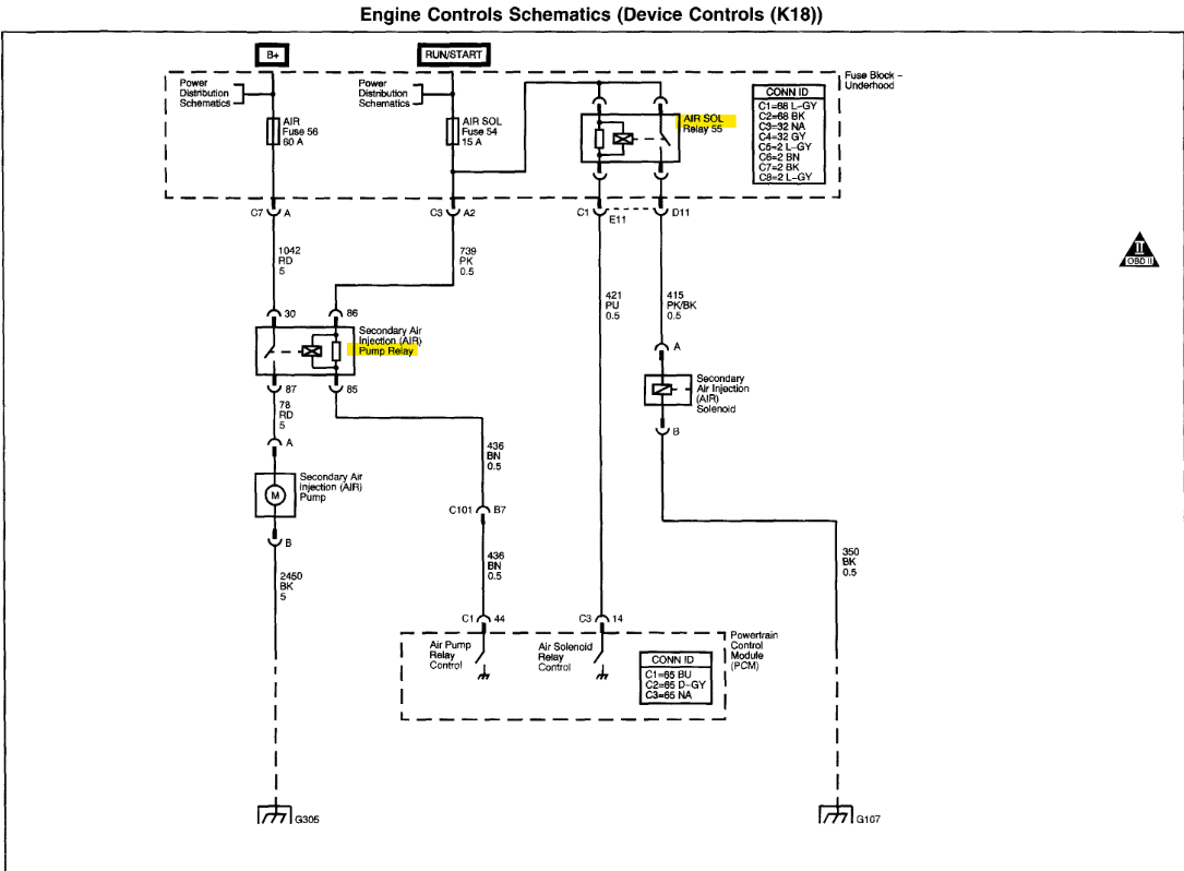
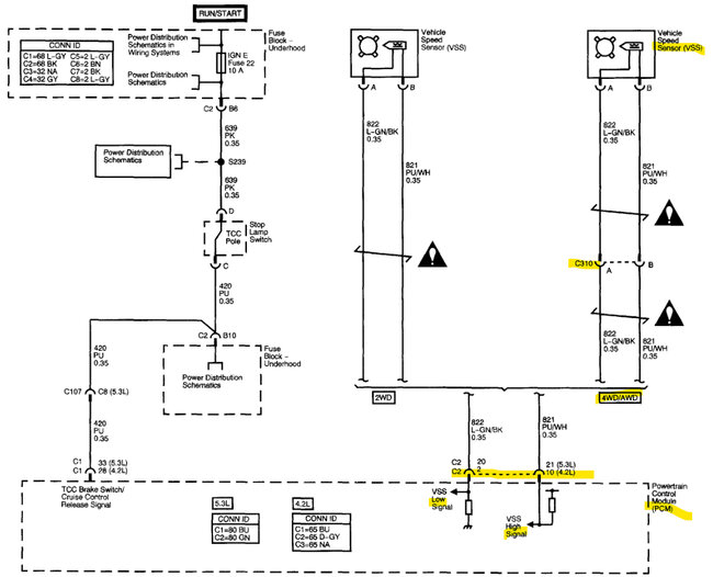
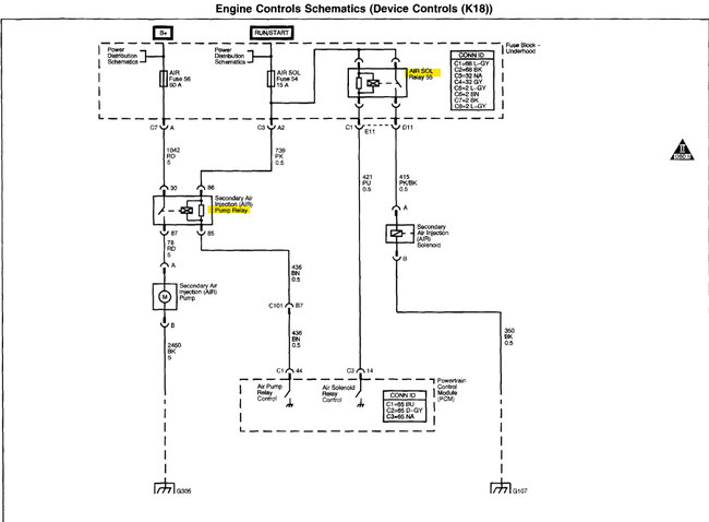
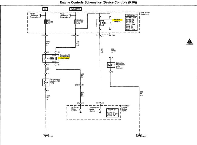
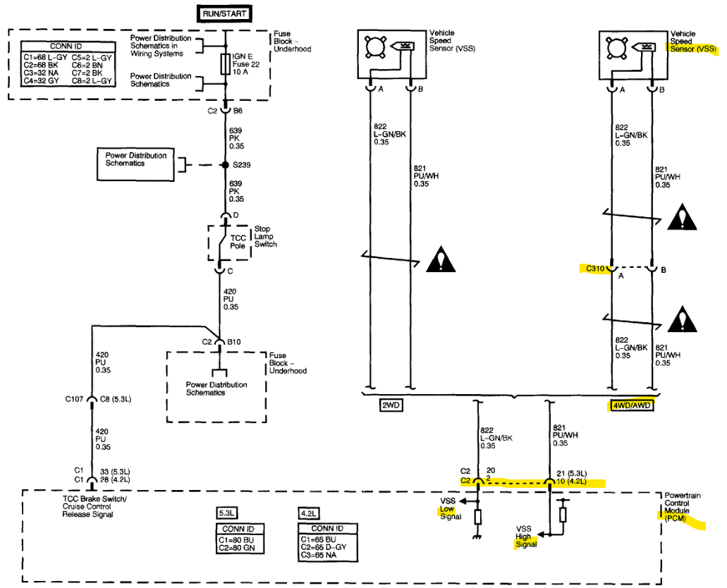
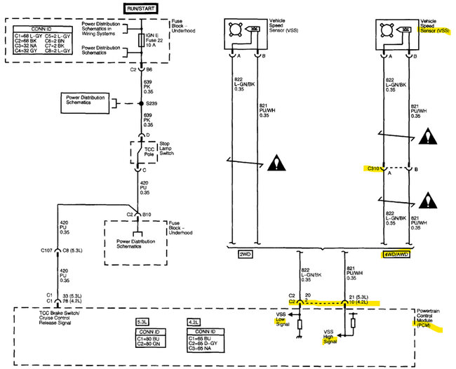
Just to take the secondary air injection system out of the equation here, then unplug the pump, or just pull out the 2 relays in the diagrams below. The secondary air injection is only used to aid in Catalytic converter oxygen storage. But an ignition coil spiking on the ground circuit can affect vehicle speed sensors signal and cause a stall, I have seen it happen. I have also seen it happen to other sensors as well. The vehicle speed signal goes from the vehicle speed sensor directly to the PCM and the PCM then sends it to the Cluster. The VSS is a VR type sensor, so it generates an AC voltage signal and the PCM converts the pulsing voltage to vehicle speed. There is also 1 connector between the VSS and PCM on the 4wd model (C310 which I'll find). So either there is a connection issue where a wire is intermittently losing its signal, which I don't think is happening because the vehicle starts right back up. Another possibility is a cracked solder joint on the PCM board. From the OEM diagrams it looks like there should be a bias voltage on the VSS wire, but there are no vehicle speed sensor codes setting. The glitch on the Cluster is the clue here, it's not the cluster glitching, that wouldn't cause a stall, so it has to be something glitching the PCM.
The diagrams below, the 1st is just the relays for the Secondary Air injection system so you can pull them. That way we'll know it's nothing to do with the relays having a bad resistor or diode inside them,
OEM Diagrams 2,3 are for the VSS.
And I added the Flow Chart for the P0410 so you can run through them later. The last diagram is the VSS operation. I will try to find this C310 connector so you can check the connector. But the Vehicle speed sensor is in the rear of the transmission reading the Output shaft speed. If there is something spiking the VSS ground, it will be hard to detect without a scope. But we'll check the wiring first, you can take a look at the VSS connector on the rear of the transmission for any corrosion or wiring issues.

I added the C310 connector location and the VSS location in the last 2 diagrams
Ive also added one more Ground location to check G107, can cause fuel pump to shut down as well as ignition. Its on the side of the engine block. Actually check all 4 Grounds at that location G108 G109 G110
Sep 11, 2023 at 1:06 PM
Avatar
OLDGUYMECHANIC65
  • MEMBER
  • 17 POSTS
The Envoy quit running on me again this morning. I watched the cluster when it happened. This is what the cluster did: the speedometer and the tachometer stayed where it was. When it happened all the rest of the gauges dropped to 0, gas gauge dropped to empty. Spark plugs and coils are okay. I'm thinking either crank sensor or cam sensor. What are your thoughts? Where is cam sensor located on this vehicle?
Sep 13, 2023 at 7:23 AM
Avatar
AL514
  • CERTIFIED EXPERT
  • 5,465 POSTS
Did it just stall right out, or was it acting like it was running out of gas? The crank sensor is located on the driver side rear of the engine, and the cam sensor is on the right front of the cylinder head, so the passenger side of the cylinder head. So, you're not losing spark when this happens or you're not sure? And how often is this happening? every drive? and if so, is it after a certain amount of time? The cam sensor is a bit different than the crank sensor; the cam sensor has a 12-volt feed on the red wire, pink/black is the Ground and the other wire is the signal wire. So, this will be a hall effect type sensor. You're not getting any cam/crank correlation codes though?
Sep 13, 2023 at 1:13 PM
Avatar
OLDGUYMECHANIC65
  • MEMBER
  • 17 POSTS
I'm not getting any codes other than P0410. It doesn't happen every drive. I checked plugs and coils. All look to be in good condition. Engine runs smooth. No misses or anything like that. Sometimes it happens once a day, sometimes 3 or 4 times a day. No certain drive times, nothing like that. It's just at random times but no codes. It stalls right out. The gauges drop then it shuts off. The tachometer stayed put. The speedometer went down to 0 then up to 70 MPH which I was going about 40 MPH when it shut off. After I start it back up again everything returns to normal.
Sep 13, 2023 at 4:16 PM
Avatar
AL514
  • CERTIFIED EXPERT
  • 5,465 POSTS
Okay. So, I posted this case for other Techs to give some input, I'll just let you know what I got back. The first guy said these are known for bad grounding issues for the Tach, although I don't see that causing a stall out and it's not dropping out each time. The 2nd suggestion was checking each fuse panel for any water intrusion and/or corrosion as well as doing a wiggle test on the ignition switch harness connector. I know they are a problem area but you're not losing power to everything. But checking for moisture in the fuse panels is a good idea. You'll need to look into the fuse locations for any sign of corrosion, even a little on the outside means there's more inside.
Another test you can do is check for voltage drop while its running, from battery negative to the engine block, then to the body/frame. Do this with the headlights on so there is a good electrical load on the vehicle. There's a bunch of grounds on the side of the engine block, but if you have voltage drop on the negative side, anything going over 0.5v to 0.7v is only going to get worse as things warm up. Even if grounds look ok, they need to be checked. The PCM grounds can run to the body or engine block before getting to the Battery and loaded voltage drop is the only way to be sure of good wiring.
Did you try pulling the relays for the secondary air system just to rule it out? With that code setting I would take the 2 relays out for a day and see if it affects anything. There are transient voltage spikes every time a relay turns off. They put resistors and diodes in to suppress those, but everything fails eventually. So, try that, as well as checking for voltage drop with a multimeter set on DC volts. You can also try some harness wiggle tests under the driver's side lower dash.
Sep 13, 2023 at 6:41 PM