Wiring diagrams needed for the fuel injectors from power source to ECM?

2006 JEEP LIBERTY
150,000 MILES • 3.7L • 6 CYL • 4WD • AUTOMATIC
Avatar
CDINC2006
  • MEMBER
  • 6 POSTS
I need a wiring diagram for the fuel injectors from power source to ECM with pin number and location on the ECM for the vehicle listed above Special Edition.
Also, I need the charging system wiring diagram from battery to alternator back to the ECM pin with ECM pin location.
Sep 2, 2023 at 7:17 AM
Advertisement
Avatar
AL514
  • CERTIFIED EXPERT
  • 5,465 POSTS
Hello, I will get these diagrams together for you. What type of situation are you dealing with?
Diagram 1 is the power feed to the fuel injectors; Diagrams 2,3 are the Fuel injector control wires to the PCM.
Diagrams 4,5 are the Ignition Coils control wires, just put them in case you need them.
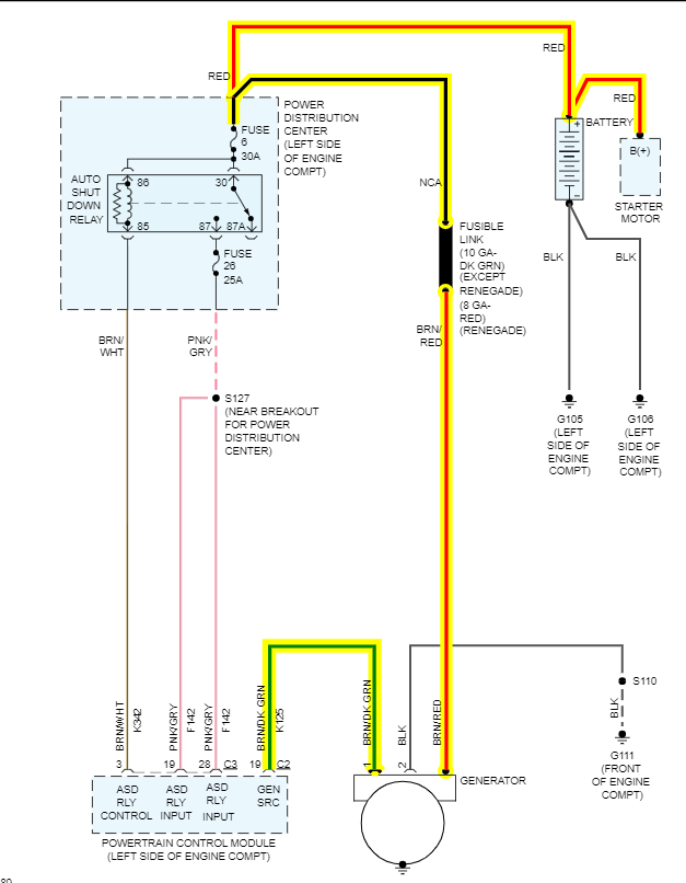
The 6th diagram is the Charging system to the Battery and PCM.

https://www.2carpros.com/articles/how-to-check-wiring
Sep 2, 2023 at 12:49 PM
Avatar
CDINC2006
  • MEMBER
  • 6 POSTS
The situation was it had a misfire code on three separate occasions. First time I replaced the coil pack, spark plug, and injector in question. 2nd time I replaced all coil packs, spark plugs, and injectors. The third time my wife drove the car hard for a week on the highway pushing it to high speeds and it fried several connectors and wires. I replaced them but the plastic on the others disintegrated upon touch. I wired 6 new injector connectors in at 3am in the dark. I'm trying to isolate whether it's my error or an ECM failure. It's been showing a code for low power, but vehicle runs in high idle constantly and has a flashing mil indicator. Plus, when attempting to stop or park it will occasionally stall. We're not driving it but due to where I live it must get moved once per week.
Sep 2, 2023 at 9:30 PM
Advertisement
Avatar
AL514
  • CERTIFIED EXPERT
  • 5,465 POSTS
Okay, I just dealt with this same exact vehicle recently and I'll explain what happens with these, but first what codes are you getting? And did you find fuel injector wiring actually burned up or was it just old and falling apart? I can give you some multimeter tests that can help you verify if any ECM drivers have been damaged. These vehicles have just a 2-wire coil setup and when a coil shorts out or is over worked to the point it overheats, and only being 1 power wire and 1 wire to the ECM which controls the ground side, a shorted coil most of the time burns out the driver inside the ECM.
The flashing MIL light means that Catalytic converter misfires are occurring. There are different levels of cylinder misfires, but when the MIL is flashing it's time to turn the engine off. Give me a list of all the codes you have had so far.
And did you have the high idle issue before you replaced the fuel injectors? If the injector seals did not seat properly, they can cause a vacuum leak into the intake manifold and hence a high idle like that.
Here is the firing order so you can find the suspect cylinder and a continuity test to ground on the control wire of either an ignition coil or fuel injector control wire. Most of the time I find these have continuity to ground through the ECM because the transistor melts and shorts out.
This can happen to coils if the fuel injectors are not firing or are staying on too long over fueling the cylinder. A lack of fuel causes the coils to become overworked and overheated. Too much fuel causes cylinder misfires but also causes too much raw fuel down the exhaust and can melt the Catalytic converter restricting the exhaust, and it just gets worse from there on.

https://www.2carpros.com/articles/engine-misfires-or-runs-rough

https://www.2carpros.com/articles/engine-idles-too-high

https://www.2carpros.com/articles/how-to-use-an-engine-vacuum-gauge
Sep 3, 2023 at 8:21 AM
Avatar
CDINC2006
  • MEMBER
  • 6 POSTS
They were both broken from age, and several were burnt. All on the passenger bank. The only persistent code is low power as for the code I don't have my reader at this time. The vehicles and my professional tools are 188 miles apart.
Sep 3, 2023 at 2:27 PM
Avatar
AL514
  • CERTIFIED EXPERT
  • 5,465 POSTS
I see, do you at least have a multimeter with you? Even a cheap $20.00 meter we could check the control circuits for any burned/shorted drivers in the ECM. Or a test light hooked to battery positive we can check control on either the injectors or coils. I'll take a look for reduced power codes. Usually, reduced power or Limp Mode type issues are caused by the ECMs loss of control of either the throttle body control, or transmission issues, ABS issues and wiring problems of course. But I'll go through service info. Does the scan tool you have able to look into live engine data?
Are you getting a Low power code or Reduced power code? Some make reference to it differently.
Does P2101 look familiar?
Sep 3, 2023 at 2:43 PM