Hello,
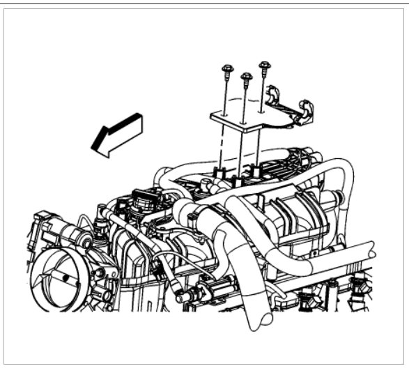
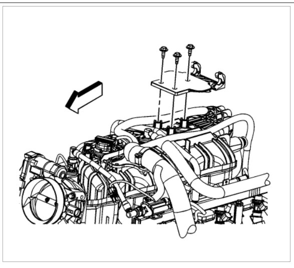
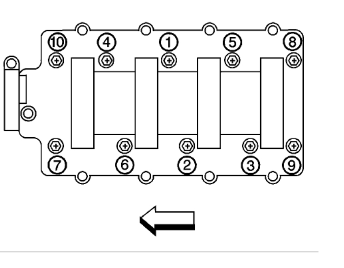
Here are the intake manifold bolt torque and sequence and a guide to give you an idea of what you are in for when doing the job:
https://www.2carpros.com/articles/replace-intake-manifold-gasket
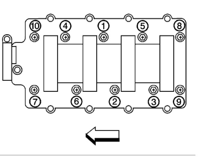
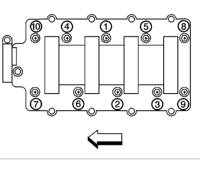
Tighten the intake manifold bolts to specifications.
Tighten the bolts a first pass in the sequence shown to 5 N.m (44 lb in).
Tighten the bolts a final pass in the sequence shown to 10 N.m (89 lb in).
Install the exhaust manifold bolts.
Tighten the bolts a first pass to 15 N.m (11 lb ft). Tighten the exhaust manifold bolts beginning with the center 2 bolts. Alternate from side-to-side, and work toward the outside bolts.
Tighten the bolts a final pass to 20 N.m (15 lb ft). Tighten the exhaust manifold bolts beginning with the center two bolts. Alternate from side-to-side, and work toward the outside bolts.
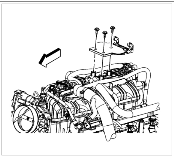
Check out the intake manifold diagrams (below).
Please let us know if you need anything else to get the problem fixed.
Cheers, Ken
Images (Click to enlarge)
Feb 24, 2018 at 11:46 AM