Engine swap

2007 SATURN VUE
176,562 MILES • 3.5L • V6 • 2WD
Avatar
GMGATE
  • MEMBER
  • 8 POSTS
Hi,

I was using 2007 Saturn Vue with 2.2 liter engine and i have changed it and put in the 3.5 liter the Honda engine and now the PCM plug wires from the body to engine is different and the plugs too is different but i have the PCM for the 3.5 liter engine with the two plug on it but to connect it with the 2.2 liter body is difficult because the plug wires is different and the 2.2 liter has separate control module the engine and the transmission. but the 3.5 litre has one control module which controls the engine and the transmission.
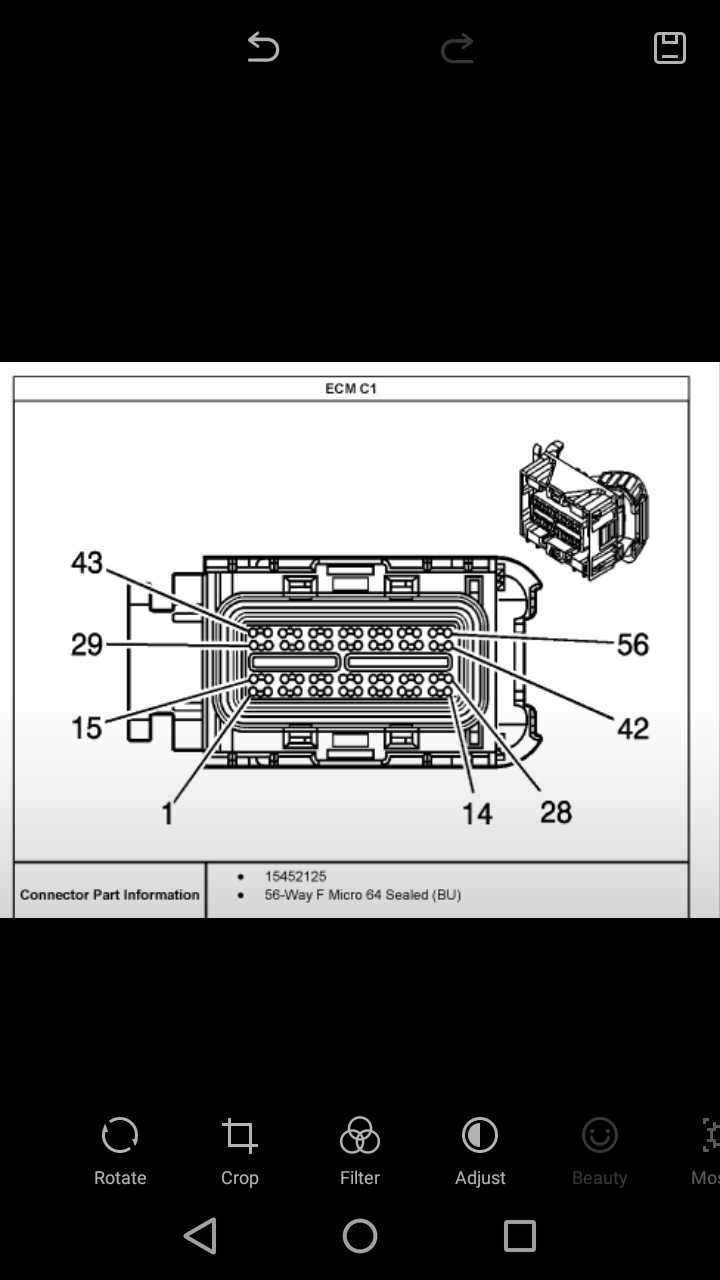
I need help how to fix it either the diagram from the BCM to the engine of the 3.5 liter and connect it with the 2.2 litre body because i don't have the complete body wires of the 3.5 litre engine it direct i only have the plug the image is blow.
I need help.
Thanks
Jul 4, 2020 at 12:56 AM
Advertisement
Avatar
STEVE W.
  • CERTIFIED EXPERT
  • 15,113 POSTS
There is no way to make them work together without changing the entire wiring harness and related parts. The wiring between the two is all different. For instance the V6 has 6 ignition coils and 6 injectors, that wiring isn't in the 4 cylinder harness. Then you have the O2 sensors, 2 on the 2.2 and 4 on the V6 That wiring isn't there. The fuel system is different as well as the transmission wiring. That is one of the big drawbacks with modern vehicles, the days of just doing an engine swap are long gone. Even swapping in the same engines can be an issue if there were changes made from year to year. I know that isn't what you want to hear but it's the truth.
Jul 4, 2020 at 1:21 PM
Avatar
GMGATE
  • MEMBER
  • 8 POSTS
Thanks for the response it has help me a lot. I will look for the complete v6 body harness so that I will not face any difficulties when I finish.
Thank you.
Jul 6, 2020 at 1:18 AM
Advertisement