A/C and heating only come out of defrost vents the dial still works just won’t move to main or floor vents.
Aug 30, 2019 at 8:22 AM
Advertisement
ASEMASTER6371
CERTIFIED EXPERT
52,796 POSTS
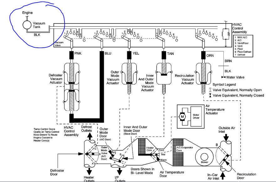
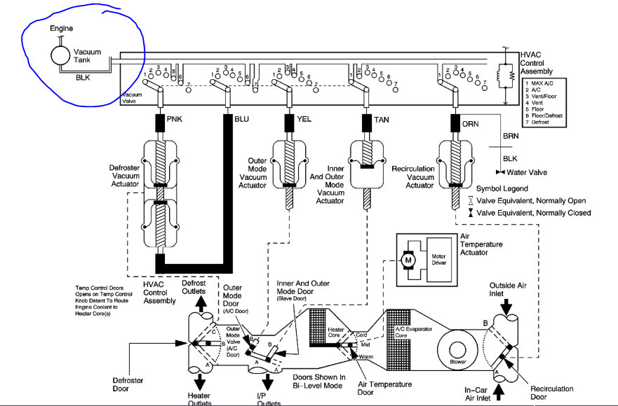
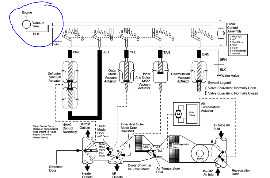
The actuators are vacuum controlled. Check the tank under the hood and make sure the lines are hooked up. Check out the diagrams (Below). Let us know what happens and please upload pictures or videos of the problem.